COMMENT ON CONSTRUIT UNE
EUGÈNE VIOLLET-LE-DUC
| — | I. | M. Paul a une idée |
| — | II. | Avec un peu d’aide l’idée de M. Paul se développe |
| — | III. | L’arbre de la science |
| — | IV. | Des idées de M. Paul en matière d’art, et comment elles furent modifiées |
| — | V. | M. Paul suit un cours de construction pratique |
| Première leçon | ||
| Deuxième leçon | ||
| — | VI. | Comme quoi M. Paul est induit à établir certaines différences entre la morale et la construction |
| Troisième leçon. | ||
| — | VII. | Plantation de la maison et opérations sur le terrain |
| — | VIII. | M. Paul réfléchit |
| — | IX. | M. Paul, inspecteur des travaux |
| — | X. | M. Paul commence à comprendre |
| — | XI. | La construction en élévation |
| — | XII. | De quelques observations adressées au grand cousin par M. Paul et des réponses qui y furent faites |
| — | XIII. | La visite au chantier |
| — | XIV. | M. Paul éprouve le besoin de se perfectionner dans l’art du dessin |
| — | XV. | L’étude des escaliers |
| — | XVI. | Le critique |
| — | XVII. | M. Paul demande ce que c’est que l’architecture |
| — | XVIII. | Études théoriques |
| — | XIX. | Suite des études théoriques |
| — | XX. | Lacune. |
| — | XXI. | Reprise des travaux.—la charpente |
| — | XXII. | La fumisterie |
| — | XXIII. | Cantine |
| — | XXIV. | La menuiserie |
| — | XXV. | Des nouvelles connaissances acquises par M. Paul pendant son voyage |
| — | XXVI. | La couverture et la plomberie |
| — | XXVII. | L’ordre dans l’achèvement des travaux |
| — | XXVIII. | L’inauguration de la maison |
| Quelques termes techniques | ||
| Notes |
M. PAUL A UNE IDÉE
C’est un bon temps que le temps des vacances. Le ciel est doux; la campagne revêt sa plus aimable parure; les fruits sont mûrs. Tout sourit au lycéen qui, dans son bagage, apporte les preuves de l’utile emploi de son temps.
Chacun le félicite de ses succès et lui fait entrevoir, au delà de ses six semaines de repos, des labeurs attrayants couronnés par une brillante carrière.
Oui, c’est un bon temps; il semble alors que l’air est plus léger, le soleil plus brillant, les prairies plus vertes. La pluie maussade paraît chargée de senteurs délicieuses.
Sitôt le jour paru, on s’empresse d’aller revoir les coins aimés du parc, et la fontaine, et le petit lac, et la ferme; de s’enquérir des chevaux, du bateau, des plantations.
On cause avec la fermière, qui vous présente, en souriant, une belle galette toute chaude. On suit le garde-chasse, qui vous raconte les histoires du voisinage tout en faisant sa tournée. Les clochettes des troupeaux vous charment, aussi bien que la chanson monotone du petit pâtre qui a grandi et aspire au grade de pasteur attitré.
Oui, c’est un bon temps... Mais, les premiers jours passés, l’ombrage des beaux arbres, une campagne aimée, les longues promenades, les histoires du garde-chasse et le bateau même se voilent d’un secret ennui, si une occupation favorite ne vient point vous saisir. Il appartient à la vieillesse seule de se complaire dans les souvenirs et de trouver des joies toujours nouvelles dans la contemplation des champs et des bois.
La provision des souvenirs est vite épuisée par la jeunesse, et la méditation inactive n’est pas son fait.
M. Paul, à seize ans, ne faisait point ces réflexions à part lui; mais après huit jours passés à la campagne chez son père, châtelain cultivateur, possesseur d’une belle terre dans le Berri, il avait à peu près épuisé la somme des impressions qu’avait fait naître en lui le retour dans le domaine paternel. Pendant toute l’année scolaire, combien n’avait-il pas fait de projets ajournés aux prochaines vacances? Il lui semblait qu’il n’aurait pas assez de six semaines pour les réaliser. Que de choses il avait à revoir, à dire, à faire. Et cependant en huit jours tout était vu, dit et fait.
D’ailleurs, mariée depuis peu, sa sœur aînée était partie avec son mari pour un long voyage, et quant à Lucie, sa sœur cadette, elle paraissait plus préoccupée de sa poupée et du trousseau d’icelle, que des pensées de monsieur son frère.
Il avait plu tout le jour; la ferme, visitée pour la cinquième fois par M. Paul, lui avait paru fort triste et sombre. Les poules, abritées le long des murs, semblaient pensives, et même, les canards barbottant dans une boue saumâtre étaient silencieux. Le garde, sorti pour tuer un lièvre, avait bien emmené avec lui M. Paul, mais tous deux étaient rentrés bredouilles, passablement mouillés. M. Paul avait, non sans un certain désappointement, trouvé les histoires du garde longues et diffuses, d’autant qu’il les entendait pour la troisième fois sans beaucoup de variantes. Ajoutez à cela que le vétérinaire avait déclaré, le matin, que le poney de M. Paul devait garder l’écurie pendant une semaine, à la suite d’un refroidissement.
On avait bien lu le journal après dîner, mais M. Paul ne trouvait qu’un intérêt médiocre aux nuances de la politique, et, quant aux faits divers, ils étaient déplorablement insignifiants.
M. de Gandelau (c’est le nom du père de Paul) était trop préoccupé des détails de son exploitation et peut-être aussi des soins qu’il était obligé de prendre de sa goutte pour chercher à soulever le voile d’ennui qui flottait devant les regards de monsieur son fils, et Mme de Gandelau, restée sous la triste impression du départ récent de sa fille aînée, travaillait avec une sorte d’acharnement à un ouvrage de tapisserie dont la destination était inconnue à tous et peut-être aussi à la personne qui posait si attentivement points contre points.
«Vous avez reçu une lettre de Marie? fit M. de Gandelau en laissant là le journal.
—Oui, mon ami, ce soir... Ils sont ravis, le temps les favorise et ils ont, me dit-elle, fait les plus jolies excursions dans l’Oberland. Ils doivent maintenant passer le Simplon pour se rendre en Italie. Marie m’écrira de Baveno, hôtel de...
—Très bien, et la santé?
—Excellente.
—Et leur projet est toujours de se rendre à Constantinople pour cette affaire importante?
—Oui; N... a reçu, paraît-il, une lettre pressante; leur séjour en Italie ne sera qu’un passage. Ils comptent s’embarquer à Naples dans un mois au plus tard. Cependant, leur retour ne pourrait s’effectuer, me dit Marie, que dans un an. Elle m’annonce cela sans paraître autrement affectée de la longueur de cette absence; j’en éprouve, mon ami, un serrement de cœur que tous les meilleurs raisonnements ne peuvent atténuer.
—Bon! croyez-vous, chère amie, que nous marions nos enfants pour nous? Et cela n’était-il pas convenu? On dit que peu d’affections sont assez fortes pour résister à la vie commune, en voyage. N... est un digne et brave garçon, travailleur et un peu ambitieux, ce qui n’est pas un mal; Marie l’aime, elle est intelligente et se porte bien. Ils subiront l’épreuve avec succès, je n’en doute pas, et nous reviendrons comme deux bons camarades, ayant appris à se bien connaître, à s’entr’aider et à se suffire; avec ce grain d’indépendance qui est nécessaire pour vivre en bon accord avec ses proches.
—Vous avez probablement raison, mon ami; mais cette longue absence n’en est pas moins douloureuse, et cette année me semblera un peu longue... Je serai, malgré tout, bien heureuse quand je pourrai m’occuper de préparer leur appartement ici et que je n’aurai plus que peu de jours à compter pour les revoir.
—Sans doute, sans doute; et moi aussi je les embrasserai de bon cœur, ces chers amis... et Paul donc!... Mais, puisqu’il est décidé que nous ne les reverrons que dans un an, ce serait une belle occasion pour reprendre mon projet.
—Lequel, mon ami? Serait-ce la construction de cette maison que vous vouliez faire bâtir, là-bas, sur ce morceau de terre qui fait partie de la dot de Marie?... Ne faites pas cela, je vous en supplie. Nous avons ici bien assez de place pour les loger, eux et leurs enfants, s’il leur en vient. Et, après cette longue absence, ce serait une nouvelle douleur pour moi de savoir Marie établie loin de nous, de ne l’avoir pas près de moi. D’ailleurs, son mari ne peut rester les trois quarts de l’année à la campagne. Ses occupations ne le lui permettent pas. Marie serait donc seule souvent. Que voulez-vous qu’elle fasse dans une maison, son mari absent?
—Elle fera, ma bonne amie, ce que vous avez fait vous-même quand mes affaires m’appelaient trop souvent hors de ce domaine; et cependant alors nous étions jeunes. Elle s’occupera de sa maison, elle prendra l’habitude de gérer son bien, elle sera occupée, responsable; partant contente d’elle-même et heureuse de ce qu’elle aura su créer autour d’elle... Croyez-moi; j’ai vu les plus tendres affections de famille s’user et s’éteindre dans cette vie commune des enfants mariés, auprès de leurs ascendants. L’épouse tient à être maîtresse incontestée chez elle, et c’est là un sentiment sain et vrai; il faut se garder d’aller à l’encontre. La femme sagement élevée ayant charge de maison, la responsabilité et l’indépendance qui est la conséquence de toute responsabilité, sait mieux se garder que celle que l’on tient toute sa vie en tutelle. Marie serait très bien ici, très heureuse d’y être, et son mari non moins tranquille de la savoir près de nous, mais elle ne serait pas chez elle. Une jeune fille n’est bien à sa place qu’auprès de sa mère, une épouse n’est à sa place que dans sa maison. Et même chez sa mère alors, elle passe dans la catégorie des invités. Et, en admettant (chose difficile) que de cette existence mixte il ne résulte pas de froissements, il est du moins certain qu’il en découle le désintéressement des choses pratiques, la nonchalance, l’ennui même et tous les dangers qui en sont la conséquence.
«Vous avez trop bien élevé votre fille, pour qu’elle ne désire pas ardemment remplir tous ses devoirs; vous lui avez toujours montré une activité trop attentive pour qu’elle ne veuille pas, à son tour, déployer la sienne. Donnons-lui-en donc les moyens. Ne serez-vous pas plus heureuse de la voir bien tenir et diriger sa maison, nous y recevoir gaiement, que de la trouver sans cesse ici, sur vos pas, désœuvrée; juge tacite et respectueux si vous voulez, mais juge de vos façons d’être et de faire? Croyez-vous que son mari aura autant de plaisir à venir la retrouver ici dans les moments qu’il pourra dérober aux affaires, qu’il en éprouvera en la voyant chez elle, toute heureuse de lui montrer ce qu’elle aura pu faire pendant ses absences; toute occupée de rendre chaque jour plus agréable, plus commode, le logis commun? Ne voyez-vous pas, en y pensant un peu, que les jeunes femmes de ce temps, qui ont donné, quoique bien nées, les plus tristes exemples, sont celles, le plus souvent, dont les premières années de mariage se sont passées ainsi, sans foyer propre, menant cette existence qui n’est ni celle de la jeune fille ni celle de la maîtresse de maison, responsable,... ménagère, pour appeler les choses par leur vrai nom?»
Quelques larmes avaient mouillé la broderie de Mme de Gandelau. «Vous avez encore raison, mon ami, dit-elle en tendant la main à son mari; ce que vous ferez sera bien fait.»
M. Paul, tout en feuilletant un journal illustré, n’avait pas perdu un mot de cette conversation. L’idée de voir élever une maison, pour sa sœur aînée, lui souriait fort. Et déjà, dans sa jeune imagination, en face du vieux manoir paternel, cette maison future lui apparaissait comme un palais des fées, toute coquette et parée, pleine de lumière et de gaieté.
Il faut dire que l’habitation de M. de Gandelau n’avait rien qui pût charmer les yeux. Agrandie successivement, deux longues ailes assez maussades d’aspect se soudaient gauchement à un corps de logis principal, autrefois château, dont deux tours démantelées et couronnées par des toits bas flanquaient les angles. Entre les deux ailes et ce logis principal s’ouvrait une cour basse, toujours humide, fermée par une vieille grille et un reste de fossé consacré à alimenter la cuisine de plantes potagères. Une troisième aile, en prolongement du vieux bâtiment aux tours, bâtie par M. Gandelau peu après son mariage, contenait les appartements privés des propriétaires; c’était la partie la plus gaie du château. Le salon, la salle à manger, le billard et le cabinet de monsieur étaient installés dans le vieux corps principal. Quant aux deux ailes parallèles, elles contenaient des chambres s’ouvrant sur des couloirs irréguliers et qui, n’étant pas de plain-pied dans leur longueur, exigeaient une certaine attention si l’on prétendait circuler sans accidents.
Le lendemain matin, M. Paul, en allant s’enquérir de l’état de santé de son poney, voit entrer dans la cour le père Branchu menant une petite charrette pleine de morceaux de bois, de sacs de plâtre et d’outils.
«Qu’allez-vous donc faire de tout cela, père Branchu?
—Je m’en viens réparer la fuie, monsieur Paul.
—Ah! si je vous aidais?
—Non pas, monsieur Paul, vous saliriez vos habits; vous pourriez vous blesser... C’est pas votre affaire... Mais pas défendu de nous regarder travailler, si c’est votre plaisir!
—Ça doit être amusant de bâtir!
—Pour un amusage, c’est pas un amusage; mais pour une ennuyance, c’est pas non plus une ennuyance; quand on travaille pour une bonne maïon comme la maïon de votre papa, qu’on a sa payette, qu’on a une bouteille de vin quand il fait chaud, que le bourgeois ne ramone pas le monde... ça va. On fait sa jornée et on ramasse ses outils sans rancœur. Mais quand faut avoir des raisons avec des pétouillons, on s’ennuie tout de même... car faut payer le marcandier. Vous créyez bien, monsieur Paul, que ce plâtre qui est dans la charrote, faut que je le paye au plâtrier, que cette brique, faut que je la paye au chaufournier, et ainsi du tout. Si le bourgeois fait attendre ses écus, faut brêter partout pour avoir de l’argent et on est dans l’embarras. Mais il est bon que je m’embauche, excusez; mon garçon est là qui m’attend.
—Est-ce que vous pourriez bâtir une grande maison, père Branchu?
—Voire! tout de même, monsieur Paul; j’ai bien bâti celle au maire, qui est grande assez!»
Cependant M. Paul ne trouve plus, comme la veille, les heures un peu longues; il a une idée. La maison projetée pour sa sœur ne lui sort pas de l’esprit; il la voit, tantôt sous forme d’un palais, tantôt d’un manoir à tourelles, tantôt d’un chalet tout entouré de lierres et de clématites avec force balcons découpés. M. Paul a un grand cousin qui est architecte; il l’a vu travailler souvent sur une planchette; sous sa main, les bâtiments s’élevaient comme par enchantement. Cela ne lui a pas paru trop difficile. Le grand cousin a, dans la chambre qu’il occupe quand il vient au château, les outils qui lui sont nécessaires. M. Paul va essayer de mettre sur le papier un de ces projets qu’il entrevoit. Mais une première difficulté se présente. Il faudrait savoir ce qui conviendrait à la sœur; est-ce un manoir seigneurial avec tours et créneaux, un chalet ou une villa italienne? Si l’on prétend lui ménager une surprise, encore faut-il qu’elle lui soit agréable. Après une bonne heure de méditations, M. Paul pense, non sans quelque raison, qu’il convient d’aller trouver son père. «Là, là, tu es bien pressé, dit le père, après les premiers mots de Paul. Eh! la chose n’est point si avancée. Tu veux faire un projet de maison pour Marie; soit, essaye donc. Mais avant tout, il serait bon alors de savoir ce que désire ta sœur, comment elle entend que sa maison soit distribuée. Il ne me déplaît point d’ailleurs de brusquer un peu les choses. Nous allons lui envoyer une dépêche.
TÉLÉGRAMME.
Baveno Italie, de X..., Mad. N..., hôtel de..., Paul veut bâtir maison ici pour Marie, envoyer programme. de Gandelau.
Vingt heures après, on recevait au château le télégramme suivant:
X... de Baveno. M. de Gandelau à... Arrivés ce matin, bonne santé. Paul a excellente idée. Rez-de-chaussée: vestibule, salon, salle à manger, office, cuisine pas dans sous-sol, billard, cabinet de travail. Premier: deux grandes chambres, deux cabinets toilette, bains; petite chambre, cabinet de toilette; lingerie, garde-robes; combles, chambres, armoires trop. Escalier pas casse-cou. Marie N...
Sans douter un instant que sa sœur n’eût pris au sérieux la demande qui lui avait été adressée et sa propre réponse, M. Paul se met résolûment à l’œuvre et, installé dans la chambre du grand cousin, il essaye, en rassemblant toutes ses connaissances en dessin linéaire, de réaliser sur le papier le programme envoyé. La chose présente des difficultés assez sérieuses pour qu’il soit nécessaire de faire prévenir à deux reprises M. Paul que le déjeuner est servi. L’après-midi s’écoule avec rapidité, et, au moment du dîner, M. Paul descend au salon avec une belle feuille de papier passablement couverte de plans et de façades.
«Voilà qui me paraît très beau, dit M. de Gandelau en déroulant le vélin; mais ton cousin arrive demain et, mieux que moi, il pourra critiquer ton projet.»
Toute la nuit, M. Paul fut fort agité. Il rêva palais, s’élevant sous sa direction. Mais, à sa bâtisse, il manquait toujours quelque chose. Là, les fenêtres faisaient absolument défaut; ailleurs, l’escalier n’était qu’une échelle branlante, et sa sœur Marie ne voulait pas y monter. Plus loin, les plafonds étaient si bas qu’on ne pouvait se tenir debout, tandis que d’autres étaient si hauts que cela lui faisait peur. Le père Branchu riait et remuait les murs avec sa main pour montrer qu’ils n’étaient point solides. Les cheminées fumaient horriblement, et la petite sœur demandait impérieusement une chambre pour sa poupée.
M. Paul avait revu son projet aussitôt levé et il lui paraissait beaucoup moins bon que la veille; il rougissait à l’idée de le montrer au grand cousin qui arrivait pour l’heure du déjeuner; il hésitait et songeait à détruire ce travail assidu de toute une journée.
«Père, je crois que mon cousin se moquera de moi si je lui montre mon dessin.
—Mon ami, répliqua M. de Gandelau, quand on a fait ce qu’on peut, du mieux que l’on peut, il ne faut pas reculer devant la critique, c’est le seul moyen de constater l’insuffisance de ce que l’on sait, et, par conséquent, d’acquérir les connaissances qui nous manquent. Si tu croyais en une matinée être devenu architecte, tu serais un sot; mais si, après avoir fait un effort pour exprimer par le dessin ou autrement une idée que tu crois bonne, tu hésitais à soumettre cette expression à plus habile que toi, dans la crainte de provoquer plus de critiques que d’éloges, ce ne serait pas là de la modestie, mais un sentiment d’orgueil très mal placé, car il te priverai de conseils qui ne peuvent être que précieux, à ton âge surtout.»
Le grand cousin arrivé, il n’en fallut pas moins que M. de Gandelau dît à son fils d’apporter son essai, pour que l’architecte en herbe se décidât à dérouler de nouveau la feuille de papier couverte, la veille, de dessins si péniblement tracés.
«Eh! mais, petit cousin, dit le nouveau venu, est-ce que vous voudriez vous faire architecte? Prenez garde! tout n’est pas couleur de rose dans le métier comme sur votre papier.»
En peu de mots, le grand cousin fut mis au fait.
«Mais cela est très bien! Voilà le salon, le vestibule. Je ne comprends pas bien l’escalier; mais c’est un détail. Et les façades? Mais c’est un palais, cela; des colonnes, des balustrades. Il n’y a plus qu’à mettre la main à l’œuvre!
—Vrai! cousin; si nous prévenions le père Branchu? Il travaille ici près.
—Doucement, ce n’est là qu’une esquisse... Et les projets définitifs; et les devis; et les détails d’exécution? Il faut procéder avec ordre. Sachez, petit cousin, que plus on tient à ce qu’une construction s’élève rapidement, plus il est utile que toute chose soit parfaitement arrêtée à l’avance. Rappelez-vous les ennuis de votre voisin le comte de..., qui, depuis six ans, recommence son château chaque printemps sans pouvoir arriver à le terminer, parce qu’il n’a pas su d’abord indiquer tout ce qu’il voulait, que son architecte n’a pas eu le courage de faire adopter une bonne fois un projet étudié, et qu’il s’est prêté à tous les caprices ou plutôt à tous les avis officieux que les amis de la maison ne manquaient pas d’ouvrir, celui-ci sur la dimension des pièces, celui-là sur l’emplacement des escaliers, cet autre sur le style, sur la décoration... Nous n’avons qu’un an devant nous, il faut donc ne commencer qu’avec la certitude de ne pas faire de fausses manœuvres, puis il faut que votre sœur approuve le projet. Voyons un peu, convenons d’abord du système de construction que vous voudrez adopter. Puisque nous sommes pressés, nous n’avons guère le choix; nous ne pouvons songer à élever la maison en pierres de taille du bas en haut: cela serait trop long et trop cher. Il faut nous en tenir à une construction simple et d’une exécution rapide. Cela entre-t-il dans vos idées? Vous placez sur votre façade des colonnes; pour quoi faire? Si elles forment portique, celui-ci rendra les appartements tristes et sombres; si elles sont engagées, elles ne servent à rien ici. Et cette balustrade posée sur les corniches supérieures, que fait-elle là? Est-ce que vous comptez que madame votre sœur se promènera dans les chéneaux? Cela est bon pour les chats... Et, dites-moi? sur ce plan, je vois que, du vestibule, il faut passer par la salle à manger pour aller au salon. Mais si, pendant qu’on est à table, il arrive des visites, il faudra donc les prier d’attendre à la porte ou les inviter à regarder manger les hôtes... Bon! la cuisine s’ouvre sur le billard. Allons, il nous faut étudier cela plus à fond; voulez-vous que nous nous y mettions? À nous deux, la besogne ira peut-être plus vite, et vous me donnerez de bonnes idées; car, mieux que moi, vous connaissez les goûts et les habitudes de votre sœur aînée. Vous pourrez ainsi suppléer au laconisme du programme qui nous est donné. Pensez-y, et demain matin, de bonne heure, nous procéderons à la rédaction du projet.»
AVEC UN PEU D’AIDE L’IDÉE DE M. PAUL SE DÉVELOPPE
En effet, de grand matin, Paul entrait dans la chambre de son cousin. Tout était préparé: planchette, T, équerres, compas et crayons.
«...Mettez-vous là, petit cousin, vous allez traduire sur le papier le résultat de nos méditations, puisque vous savez si bien vous servir de nos outils. Procédons méthodiquement. D’abord, vous connaissez sans doute le terrain sur lequel votre père entend faire bâtir la maison de campagne de madame votre sœur?
—Oui, c’est là-bas, au delà du bois, à trois kilomètres d’ici, ce petit vallon au fond duquel coule le ru qui fait tourner le moulin de Michaud.
—Montrez-moi un peu cela sur la carte du domaine... la voici.
—Vous voyez, mon cousin, c’est là. Sur le plateau, du côté sud, sont les terres labourées, puis le terrain descend un peu au nord vers le ru. Il y a ici une belle source d’eau vive qui sort du bois situé à l’ouest. Sur la pente du plateau et le fond du vallon sont des prairies avec quelques arbres.
—De quel côté est la vue la plus agréable?
—Vers le fond du vallon, au sud-est.
—Comment d’ici arrive-t-on à cette prairie?
—En traversant le bois; puis, on descend au fond du vallon par ce chemin; on traverse un pont qui est ici, puis on monte par le plateau obliquement par cette voie.
—Bien; donc il faut placer la maison presque au sommet de la pente faisant face au nord, en l’abritant des vents du nord-ouest sous le bois voisin. L’entrée devra faire face à la route qui monte; mais il faut que nous disposions les pièces principales de l’habitation du côté de l’exposition la plus favorable qui est celle du sud-est; de plus, nous devons profiter de la vue ouverte de ce même côté, et ne pas négliger la source d’eau vive qui descend sur la droite vers le fond du vallon; nous allons donc nous en approcher et planter la maison sur ce repos que la nature a disposé si favorablement pour nous, à quelques mètres en contre-bas du plateau. Nous serons ainsi passablement abrités des vents du sud-ouest et nous n’aurons pas devant la maison la plaine, assez triste, qui s’étend à perte de vue. Ceci arrêté, voyons le programme... Aucune dimension de pièce n’est indiquée; c’est donc à nous d’y songer. D’après ce que votre père m’a dit, il entend que cette maison doit être une demeure permanente, c’est-à-dire habitable l’été comme l’hiver, et contenir, par conséquent, tout ce qui convient à un grand propriétaire terrien. Il compte affecter à sa construction une somme de deux cent mille francs environ; c’est donc une affaire qui demande une étude sérieuse, d’autant que madame votre sœur et son mari tiennent au confort. J’ai été reçu chez eux, à Paris, et j’ai trouvé une maison admirablement tenue, mais où rien n’est donné à la vanité, au paraître. Nous pouvons donc partir de ces données.—Commençons par le plan du rez-de-chaussée... La pièce principale est le salon, le lieu de réunion de la famille. Nous ne pouvons lui donner moins de cinq mètres de largeur sur sept à huit mètres de longueur... Tracez d’abord le parallélogramme sur ces dimensions... Ah! mais non! pas comme cela, à vue de nez... Prenez une échelle[1].»
Sur ce mot, le petit cousin regarda son maître d’un air interrogateur.
«J’oubliais! vous ne savez peut-être pas bien ce que l’on entend par échelle? Je vois en effet que votre plan ne paraît pas en avoir tenu compte. Écoutez-moi donc: quand on veut bâtir une maison, un édifice quelconque, on donne à l’architecte un programme, c’est-à-dire une liste complète de toutes les pièces et des services qui sont nécessaires. On ne se contente pas de cela, on dit: telle pièce aura tant de largeur sur tant de longueur, ou occupera une surface de... afin de pouvoir contenir tant de personnes. S’il s’agit, par exemple, d’une salle à manger, on dira qu’elle doit contenir 10, 15, 20, 25 personnes à table. S’il s’agit d’une chambre à coucher, on dira qu’elle doit, outre le lit, bien entendu, contenir tels meubles ou occuper une surface de 30 mètres, 36 mètres, etc. Or vous savez qu’une surface de 36 mètres est donnée par un carré de 6 mètres de côté ou par un parallélogramme de 7 mètres sur 5m,15 environ, ou de 9 mètres sur 4. Mais dans ce dernier cas cette pièce n’aurait plus les dimensions convenables à une chambre, mais bien celles d’une galerie. Donc, indépendamment de la surface nécessaire à une pièce, il faut qu’il y ait, entre sa largeur et sa longueur, certains rapports indiqués par la destination. Un salon, une chambre à coucher, peuvent être carrés; mais une salle à manger, du moment qu’elle est destinée à contenir plus de dix personnes à table, doit être plus longue que large, par la raison qu’une table augmente en longueur suivant le nombre des convives, mais non en largeur. Il faut donc mettre des rallonges à la salle comme on en met à la table. Comprenez-vous? Bien... Dès lors, l’architecte, pour dresser son plan, ne fût-il qu’une esquisse, adopte une échelle, c’est-à-dire qu’il divise, sur son papier, une ligne en parties égales, figurant chacune un mètre. Et, pour économiser le temps ou pour simplifier le travail, on prend, pour chacune de ces divisions, le deux-centième ou le centième ou le cinquantième d’un mètre. Dans le premier cas on dit: échelle de cinq millimètres ou d’un demi-centimètre pour mètre, ou échelle au deux-centième; dans le second, on dit: échelle de un centimètre pour mètre, ou échelle au centième; dans le troisième, on dit: échelle de deux centimètres pour mètre ou échelle au cinquantième. Ainsi vous dressez un plan deux cents, cent ou cinquante fois plus petit que ne sera l’exécution. Il n’est pas besoin d’ajouter qu’on peut faire des échelles dans des rapports proportionnels, à l’infini; d’un, de deux, de trois millimètres pour mètre comme pour 10 mètres, pour 100 mètres et 1 000 mètres, ce qui se fait lorsqu’il s’agit de dresser des cartes. De même qu’on donne des détails à l’échelle de 50 centimètres pour mètre ou à moitié de l’exécution; de 20 centimètres pour mètre ou au cinquième de l’exécution, etc. L’échelle adoptée, l’architecte donne ainsi à chaque partie du plan les dimensions relatives exactes. S’il a adopté l’échelle de un centimètre pour mètre et qu’il veuille indiquer une porte de 1m,30 de largeur, il prend 0m,013. Comprenez-vous bien cela? Je n’en suis pas certain; mais la pratique vous mettra au fait en quelques heures. Pour vous bien indiquer l’utilité de l’échelle, je prends votre plan. Votre salon est un parallélogramme. Je suppose qu’il ait 6 mètres sur 8, c’est à peu près la proportion relative des deux côtés. Un huitième du grand côté pris avec le compas est un mètre. Je reporte cette dimension sur votre façade et je trouve que votre rez-de-chaussée a 9 mètres de hauteur. Or, vous figurez-vous ce que ce serait, je ne dirai pas votre salon, mais votre vestibule qui n’a guère que 4 mètres de côtés avec une élévation[2] de 9 mètres entre le pavé et le plafond? Ce serait un puits. Votre élévation n’est donc pas en rapport d’échelle avec votre plan. Prenez, pour le salon de votre sœur, vingt-huit millimètres sur cette règle graduée, ce qui donnera cinq mètres soixante centimètres à l’échelle de cinq millimètres pour mètre. Bien; voilà le petit côté du salon. Prenez maintenant quarante-un millimètres sur la même règle, ce qui donnera huit mètres vingt centimètres; ce sera le grand côté. Votre parallélogramme est tracé maintenant dans des dimensions relatives parfaitement exactes. Vous allez entourer cette pièce de murs[3], car on ne peut guère donner aux planchers ordinaires une plus grande portée; il faut donc des murs pour recevoir les solives [4]. Un mur en moellons dans lequel il faut faire passer des tuyaux de cheminée ne peut avoir moins d’un demi-mètre ou cinquante centimètres d’épaisseur. Votre salon se tiendra ainsi tout seul debout. Après le salon vient la salle à manger comme importance. Où allons-nous la placer? Il faut, surtout à la campagne, qu’on y entre directement du salon. Sera-ce à droite, sera-ce à gauche?... Vous n’en savez rien, ni moi non plus. Cependant le hasard ne peut trancher la question. Raisonnons donc un peu... Il est tout simple de mettre la cuisine à proximité de la salle à manger. Mais la cuisine est un service incommode. Quand on n’est pas à table, il ne faut ni sentir l’odeur des mets, ni entendre le bruit des personnes affectées à ce service. La cuisine doit donc être, d’une part, non loin de la salle à manger, d’autre part, assez éloignée de l’habitation pour qu’on n’ait point à en soupçonner l’existence. De plus, il faut, à proximité de la cuisine, la cour de service, les communs, le poulailler, un petit potager, des laveries, etc. Il importe aussi que la cuisine ne soit pas placée à l’exposition du midi. N’oublions pas que madame votre sœur, qui s’entend à diriger une maison, a eu la précaution de dire dans le programme laconique qu’elle envoie: «Cuisine, pas sous-sol!» Elle a raison, les cuisines en sous-sol sont malsaines pour ceux qui s’y tiennent, difficilement surveillées et répandent leur odeur dans les rez-de-chaussée. Nous la placerons donc de plain-pied avec la salle à manger, mais sans communication directe avec celle-ci pour éviter l’odeur et le bruit. Examinons notre terrain, son orientation, ses vues. L’orientation la plus fâcheuse pour l’habitation et celle qui, dans le cas présent, offre la vue la moins agréable, est celle du nord-ouest. Nous planterons donc le salon ayant son angle extérieur vers le sud-est, et à la droite, nous placerons la salle à manger; à la suite, la cuisine qui sera ainsi vers le nord. Ne vous pressez pas de tracer ces services, car il faut savoir dans quels rapports ils devront se trouver soit avec le salon soit avec le vestibule. On nous demande une salle de billard. Elle sera bien, en pendant, vers le sud-est, avec la salle à manger. Il nous faut aussi le vestibule, un cabinet pour votre beau-frère à proximité de l’entrée. Si nous plantons la salle à manger et la salle de billard qui doivent avoir à peu près la dimension donnée au salon, juxtaposées dans la longueur avec celui-ci, ce salon ne sera éclairé que par un de ses petits côtés, car il nous faut en avant placer le vestibule. Or, ce salon sera triste et n’aura qu’une seule vue directe sur la campagne. Traçons donc la salle à manger et la salle de billard perpendiculairement au salon, en laissant déborder celui-ci du côté de la bonne orientation. Donnons à chacune de ces deux pièces sept mètres de longueur sur cinq mètres cinquante centimètres de largeur. Ce sont des dimensions convenables. Puis tracez en avant du salon un vestibule dont nous fixerons tout à l’heure la surface.
«Cherchons maintenant à donner aux murs de ces pièces la position exigée par la construction. Du salon, nous devons entrer dans la salle à manger et dans la salle de billard,—qui est aussi un lieu de réunion.—Il faut donc que l’ouverture du salon dans la salle de billard soit assez large pour que les personnes placées dans chacune de ces pièces soient réunies sans se gêner. Mais il faut aussi que de la salle de billard on puisse sortir dans le vestibule sans passer par le salon, et de même pour la salle à manger. Nous avons dit qu’il fallait des vues latérales au salon, qui a 8m,20c de longueur. Si nous prenons 2m,40c pour les vues latérales, plus 0m,50c pour l’épaisseur du mur de la salle de billard ou de la salle à manger, il restera 5m,30c jusqu’à la cloison d’entrée du salon; notre salle de billard comme la salle à manger ayant 5m,50c de largeur, ces pièces déborderont la cloison d’entrée du salon de 0m,20c. Cela ne fait rien... Traçons le second mur, toujours de 0m,50c d’épaisseur. Voilà les trois pièces principales plantées. Dans l’axe de la salle de billard, nous ferons une ouverture sur le salon, de 2m,60c. Sur le côté du mur séparatif de la salle à manger, nous ouvrirons une porte de 1m,30c sur la salle à manger, à 0m,20c de la cloison séparant le salon du vestibule. Ainsi entrerons-nous dans cette salle à manger, non dans l’axe, mais latéralement, ce qui est plus commode; car vous savez que, lorsqu’on se dirige vers la table ou qu’on sort de dîner, les messieurs offrent le bras aux dames. Il est donc bon qu’en sortant ou en entrant on n’ait pas un obstacle qui puisse entraver la marche de ces couples. La porte donnant du salon sur la salle à manger ne sera plus dans l’axe de l’ouverture donnant du salon dans la salle de billard; mais cela m’est égal. Cette porte sera en pendant avec la fenêtre s’ouvrant de ce côté sur le dehors, et au milieu nous placerons la cheminée. Du vestibule, nous ouvrirons une porte centrale sur le salon.
«En avant, le long du mur de la salle de billard, plaçons le cabinet de votre beau-frère avec une petite antichambre où il pourra faire attendre les personnes qui ont affaire à lui sans les laisser vaguer dans le vestibule. Cependant, du côté de la salle à manger, nous placerons l’office. Il faut que le cabinet de travail ait au moins 3m,90c de largeur. Nous ferons déborder un peu le vestibule pour former avant-corps.
«Il est une grosse question dans toute habitation: c’est l’escalier. L’escalier doit être proportionné à cette habitation; ni trop vaste, ni trop exigu. Il faut qu’il ne prenne pas une place inutile, qu’il donne un accès facile aux étages supérieurs et qu’il soit apparent. Si, dans votre vestibule, qui est très grand: 4m,90c sur 5m,50c, nous prenions une partie de notre escalier, celui-ci serait très apparent et nous gagnerions de la place. Il faut que l’emmarchement d’un escalier, pour une habitation de cette importance, ait au moins 1m,30c de largeur... Mais il faut aussi que du vestibule nous puissions communiquer directement à la salle à manger, à l’office et à tous les services placés du côté droit du plan. Réservons un couloir de 1m,30c et posons la première marche. La hauteur du rez-de-chaussée entre les deux sols doit être, en raison de la dimension des pièces, 4m,50c; ce qui donnera de vide 4m,20c, en réservant 0m,30c pour l’épaisseur du plancher du premier. Les marches d’un escalier facile doivent avoir environ 0m,15c de hauteur. Pour monter 4m,50c, il nous faut donc compter trente marches. Chaque marche doit avoir 0m,25c à 0m,30c de pas. Il faut donc que l’escalier nous fournisse un développement de 7m,50c pour des marches de 0m,25c de pas ou de 9m,00 pour des marches de 0m,30c, puisque nous comptons trente marches. Prenons une moyenne: soit 8m,25c. Il s’agit de trouver ce développement de 8m,25c au moins. Nous établirons donc un pavillon à l’angle du vestibule, assez saillant pour qu’en gironnant autour d’un noyau [5],—qui sera dans la prolongation du mur de droite du salon,—nous arrivions au premier étage en débouchant dans l’antichambre de ce premier étage... Je vous trace cet escalier sur lequel nous reviendrons. Les quinze premières marches viennent dans l’alignement du noyau et du mur, et nous permettent de placer, au-dessous de la dernière partie du giron[6], les water-closets pour les maîtres à rez-de-chaussée.
«Sur le couloir à la suite, nous placerons l’office. Puis l’escalier de service en tour ronde; puis l’office de service, puis la cuisine en aile, un fournil et une laverie, une buanderie avec sortie pour la cuisine sur le potager. En retour, nous planterons une écurie pour trois chevaux, une remise pour deux voitures, une sellerie, et un petit escalier de service pour monter dans les logements du cocher, du palefrenier et dans le magasin à fourrages placés sous le comble. À côté de l’écurie, nous réserverons une descente directe à la cour et au garde-manger, puis des water-closets pour les gens.
«Nous allons séparer tous ces services de l’habitation par un mur d’appui avec treillage, au droit de l’escalier de service en tour ronde; ce qui nous donnera une cour pour la cuisine, l’écurie et les remises. En avant, nous allons réserver un espace pour la basse-cour, le poulailler, le trou à fumier...
«Maintenant que le plan de notre rez-de-chaussée est tracé, cherchons à l’améliorer dans ses détails.
«Il serait fort agréable d’avoir au bout du salon, sur le jardin, une loge fermée. Rien ne nous interdit d’en tracer une autre au bout de la salle de billard, avec un divan où les messieurs pourraient fumer, et une troisième au bout de la salle à manger, ce qui permettrait de recevoir les plats par un tour, de l’office de service, et de disposer les buffets et tables à découper.
«Nous utiliserons ces appendices au premier étage.
«Mais, du salon ou de la salle de billard, il faut pouvoir descendre directement dans le jardin. Je vous avoue que je ne suis pas très partisan de ces perrons, brûlants s’il fait soleil, et fort désagréables par le vent et la pluie; si donc, latéralement à la salle de billard, nous placions dans l’angle qu’elle forme avec le salon, une serre avec escalier intérieur, il me semble que ce serait là une assez bonne disposition? Ainsi, du salon ou de la salle de billard, on passerait dans cette serre où l’on pourrait prendre le café quand le temps est mauvais, et, à couvert, on descendrait dans le jardin. Quelques fleurs et arbustes placés le long de la partie vitrée donneraient de la gaîté à la salle de billard sans lui enlever du jour. Mais, en avant du vestibule, nous mettrons un vrai perron, que nous aurons le soin d’abriter; ce que la position de l’escalier nous permettra de faire en toute sécurité.
«Traçons tout cela, à peu près correctement; ce sera à revoir quand nous aurons étudié le premier étage dont les dispositions peuvent nous obliger à modifier quelques-unes de celles du rez-de-chaussée. (fig. 1)[7].
«Comme les murs doivent monter de fond, vous allez poser, sur ce plan du rez-de-chaussée, un papier à calquer pour éviter une perte de temps. Vous aurez ainsi, sous les yeux et sous votre crayon, la construction sur laquelle il convient de s’établir, et nous verrons de suite s’il y a lieu de modifier quelques parties de ce plan inférieur.
«Voilà qui est fait. Traçons d’abord l’arrivée de l’escalier; la dernière des trente marches dont nous avons besoin s’aligne avec le mur de droite du vestibule; c’est la marche palière qui donnera dans l’antichambre placée au-dessus du vestibule. Au-dessus du salon, nous disposerons la chambre de la maîtresse du logis; mais, comme cette chambre serait trop vaste, nous profiterons de l’espace qui nous est donné pour établir une deuxième cloison, ce qui donnera doubles portes et un bel espace pour placer des armoires, dont les dames n’ont jamais de trop. Pour donner du jour dans cet espace, nous vitrerons une partie haute de la cloison qui clôt l’antichambre. Ces doubles portes feront que Madame sera plus retirée dans son appartement et n’entendra pas le bruit des allants et des venants. De plus, cette seconde antichambre privée nous permettra d’établir une communication directe avec l’appartement de Monsieur, que nous placerons du côté de la belle orientation, c’est-à-dire au-dessus de la salle de billard.
«Comme aussi cette surface est trop grande, nous prendrons, aux dépens de l’espace libre, un cabinet de toilette pour Madame, avec baignoire; et nous entrerons chez Monsieur directement de l’antichambre par un couloir privé qui s’ouvrira en même temps dans le cabinet de toilette de Madame, dans celui de Monsieur, placé au-dessus du cabinet de travail, dans la chambre à coucher et dans les deux water-closets réservés à ces deux appartements. Ainsi, les deux portes donnant sur l’antichambre, fermées, les maîtres de la maison seront complètement chez eux. Répétant le corridor du rez-de-chaussée à droite, nous établirons une communication de l’antichambre avec l’escalier de service, avec la lingerie (grave affaire) que nous placerons au-dessus de la cuisine, avec une grande garde-robe pour Madame à droite de sa chambre, et une chambre d’enfants (car il faut tout prévoir), laquelle, ainsi que la garde-robe, seront placées au-dessus de la salle à manger. La loge ou bretêche[8] du rez-de-chaussée nous fera un beau cabinet de toilette pour cette chambre d’enfants ou d’amis au premier étage, et celle de la salle de billard fera une annexe fort agréable à la chambre de Monsieur. Quant à la loge du salon, nous la couvrirons par une terrasse, ce qui donnera à la chambre de Madame un beau balcon où l’on pourra placer en été une banne et des fleurs (fig. 2)[9].
«Vous voyez, petit cousin, que notre plan commence à s’ordonner. Voici bientôt l’heure du déjeuner, allez faire un tour de promenade, et, dans l’après-midi, nous reprendrons notre travail, c’est-à-dire que nous passerons aux élévations.»
En descendant au jardin, M. Paul examinait la maison paternelle avec une attention toute nouvelle. Il n’avait jamais songé auparavant à observer les distributions de ce logis. Il supputait la place perdue par ces couloirs sans fin; il voyait, de ci et de là, des coins sombres et sans destination. L’escalier débouchait mal. Au rez-de-chaussée, il fallait connaître les êtres de l’habitation pour le trouver. La cuisine était à une distance énorme de la salle à manger, et, pour communiquer de l’une à l’autre, il fallait traverser un passage de voitures, descendre deux marches et en monter six. Cela lui parut barbare pour la première fois de sa vie. M. Paul, tout en se promenant et attendant le tintement de la cloche du déjeuner, se demandait si son père ne ferait pas bien aussi de démolir son vieux manoir pour bâtir une maison sur un plan nouveau composé par lui-même avec les conseils du grand cousin. Il énumérait une à une toutes les fautes de distribution de la maison paternelle, ses trop nombreux casse-cou. Il voyait le salon sombre, flanqué des deux côtés par les deux vieilles tours qui masquaient les vues latérales, le petit cabinet de son père éclairé par une fenêtre étroite et précédé d’une assez grande pièce sans emploi et qui servait de fruitier à l’automne; bien d’autres défauts encore...
«Eh bien, lui dit son père, dès qu’on fut à table, il paraît que vous avez déjà travaillé ce matin?»
M. Paul, tout pénétré de son sujet, fit une description assez exacte du plan dressé, mais ne put terminer sans se livrer à des appréciations critiques à l’endroit de l’habitation paternelle.
L’ARBRE DE LA SCIENCE
Sa mère le regardait d’un air étonné; quant au père, il devint sérieux et parla ainsi: «Paul, cette maison plaît à ta mère, telle qu’elle est; elle me plaît aussi à moi; vous y êtes nés tous trois, tes sœurs et toi; mon père me l’a laissée, et je n’y ai ajouté que ce qui nous était nécessaire. Il n’est pas un coin de cette habitation qui ne me rappelle un souvenir de bonheur ou de tristesse; elle est consacrée par le travail de trois générations d’honnêtes gens. Tous les habitants du pays, qui veulent bien l’appeler le Château, savent qu’ils y trouvent du pain quand ils en manquent, des vêtements pour leurs petits enfants, des conseils dans leurs différends, et des secours s’ils sont malades. Ils n’ont pas besoin qu’on leur indique l’escalier qui monte à l’appartement de ta mère ou à mon cabinet, car ils le connaissent comme nous; ils savent comme nous où se trouvent ces casse-cou que tu signales et ne se perdent pas dans les longs couloirs. Si la cuisine est un peu trop éloignée de la salle à manger, elle est assez vaste pour contenir les moissonneurs quand ils arrivent pour souper et les pasteurs quand ils viennent régler leurs comptes. Je ne me crois pas le droit de changer tout cela; car cette maison est la maison de tous ici, et tu ne dois pas oublier plus que moi qu’en 1793, mon grand-père y resta seul avec sa femme et mon père, sans être inquiétés, tandis que tous les châteaux voisins étaient abandonnés et pillés.
«Quand nous ne serons plus de ce monde, ta mère et moi, vous ferez de cette vieille maison ce que vous jugerez convenable; mais, si j’ai un conseil à vous donner, gardez-la telle qu’elle est, car elle peut rester debout plus longtemps que vous et que vos enfants. Gardez-la, car il faudrait que vous fissiez bien des fautes pour qu’elle ne fût plus une protection pour notre famille.
«Je sais, aussi bien et mieux que toi probablement, tout ce qui lui manque pour être une habitation dans le goût du jour, et, si je venais à la vendre à quelque riche propriétaire, il est probable que celui-ci s’empresserait de la démolir pour bâtir une maison ou un château plus confortable et mieux approprié aux habitudes de notre temps. Ce que cet acquéreur pourrait faire, moi je ne le puis, je ne le dois pas faire.
«Ces bonnes gens qui viennent ici me causer avec leurs sabots aux pieds, leur limousine sur le dos et qui protégeraient au besoin (ils me l’ont prouvé) ma vieille maison, ne viendraient plus dans une habitation neuve qu’ils ne connaîtraient pas et où tout serait fait pour leur causer de l’effarement, sinon de l’envie. Je me déshabituerais de les voir, et, s’il me semble tout naturel de recevoir à toute heure leur visite dans ce logis qui ne rappelle que le passé et où tout est simple et un peu gauche comme eux, il me paraîtrait probablement étrange de les introduire dans des appartements disposés et décorés suivant la mode du jour.
«L’habitude des yeux est quelque chose qu’il ne faut point heurter, les gens du pays réunissent dans leur pensée l’habitant et sa maison; changez celle-ci, ils ne reconnaîtront plus celui-là.
«Ton cousin sait encore mieux que toi et moi quels sont les défauts de notre vieux manoir, et comment on pourrait le rendre beaucoup plus attrayant, et cependant jamais il ne m’a fait songer qu’on y pût apporter des modifications, parce qu’il comprend comme moi qu’en changeant quelque chose à ces bâtisses, on causerait autour de nous un trouble dans des habitudes prises, qui ne pourrait qu’être fâcheux.
«Te voilà en deux ou trois heures devenu architecte, et avant de savoir si tu pourras faire mieux que ce qui existe, tu penses à démolir. Plus de modestie; quand tu auras longtemps étudié et beaucoup vu, tu sauras que l’habitation doit être, pour l’homme ou pour sa famille, un vêtement fait à sa mesure, et que, quand un logis est en parfaite concordance avec les mœurs et les habitudes de ceux qu’il abrite sous son toit, il est excellent. Combien ai-je vu de ces propriétaires qui, en détruisant la maison laissée par leurs pères, pour la remplacer par une habitation conforme, pensaient-ils, aux exigences du moment, brisaient du même coup le lien qui rattachait leur famille aux humbles habitants du voisinage!»
À ces arguments, M. Paul, pour toute réplique, alla embrasser son père et sa mère; et c’était ce qu’il avait de mieux à faire.
«Je ne comprends pas bien,» dit Paul à son cousin, lorsqu’ils furent tous deux dans le parc après déjeuner, «pourquoi mon père désire alors faire bâtir une maison pour ma sœur, puisqu’il trouve si nécessaire de conserver pour lui et pour nous le vieux manoir où nous sommes nés.
—Ceci est délicat; mais vous êtes, petit cousin, en âge de le comprendre. D’abord votre sœur Marie porte aujourd’hui un autre nom que le vôtre; or, un nom connu, respecté, est, pour le voisinage, comme la vieille maison à laquelle il se trouve pour ainsi dire attaché. Si vous n’existiez pas et que votre père et votre mère ne fussent plus de ce monde, Mme N., votre sœur, en venant habiter cette terre avec son mari, pourrait impunément démolir la vieille maison et en bâtir une neuve, car il ne lui serait pas plus difficile de faire accepter cette maison neuve que le nom du nouveau propriétaire. Elle devrait renouer de nouveaux liens avec tout ce petit monde qui vous entoure, et par conséquent établir entre ce monde et sa nouvelle famille des rapports autres probablement que ceux qui existent aujourd’hui entre votre père et les gens de votre voisinage. Les relations de votre père avec les paysans berrichons au milieu desquels il a toujours vécu, résultent de traditions transmises par plusieurs générations sans interruption. Il peut obtenir d’eux, par suite, des services, leur inspirer une confiance qui ne seraient point accordés à de nouveaux venus, à un autre nom que le sien; de même aussi ces campagnards acceptent sans défiance des bienfaits qu’ils savent, par une longue expérience, être désintéressés. Le vieux manoir occupé par une personne étrangère, par un nom nouveau, perdrait le prestige si justement apprécié par votre père; donc il n’y aurait nul avantage à conserver au vieux domaine sa physionomie. Aussi M. de Gandelau, qui ne fait rien légèrement, a-t-il bien compris qu’un jour ou l’autre, et par la force des choses, sa maison ne pourrait convenir à ses enfants, et, avant de la laisser disparaître, il en élève une nouvelle pour votre sœur; maison à laquelle on s’habituera peu à peu dans le pays, qui formera un nouveau noyau; car Mme Marie sait se faire aimer et est connue ici de tous par ses belles qualités. On se fera aux habitudes plus modernes des hôtes du manoir neuf, et personne ne trouvera étrange, alors, qu’on modifie ou qu’on démolisse le vieux. Votre père ménage une transition entre des mœurs qui s’affaiblissent même dans les campagnes, mœurs vivantes encore cependant, et celles qui les doivent remplacer. Vous voyez donc que, s’il tient au passé, s’il essaye d’en conserver les bons côtés, il ne croit pas à sa perpétuité et prévoit le moment ou il disparaîtra forcément, en présence des mœurs et des nécessités de l’époque. Autant paraissent naturelles les façons d’être de votre père parce qu’elles résultent d’habitudes non interrompues pendant plusieurs générations, autant il serait difficile à un nouveau venu de se conformer à ces habitudes. D’ailleurs ce domaine, que M. de Gandelau a si bien su faire fructifier, qu’il a augmenté, sera forcément divisé entre ses trois enfants lorsqu’il n’y sera plus. Déjà en a-t-il détaché une partie qui compose la dot de votre sœur. Eh bien, il entend que cette partie, dès à présent, soit mise en harmonie, par l’habitation que nous allons construire, avec les usages des nouveaux propriétaires qui sont jeunes et ont nécessairement des façons d’être différentes de celles qui conviennent encore à votre père. Plus tard, vous apprécierez toutes ces choses. Allons travailler.»
Paul cherchait à mettre en ordre, dans sa tête, les graves propos que tenait son cousin. Il se rappelait la conversation des jours précédents, entre M. de Gandelau et sa mère, et des idées, toutes nouvelles pour lui, le préoccupaient visiblement. Quoi qu’il en soit, la vieille maison prenait à ses yeux une apparence vénérable, et il songeait à bien autre chose qu’à lui reprocher ses mauvaises distributions et ses dehors assez maussades.
DES IDÉES DE M. PAUL EN MATIÈRE D’ART, ET COMMENT ELLES FURENTMODIFIÉES
«Avant de reprendre le crayon, dit le grand cousin, dès que l’on fut réinstallé dans le cabinet de travail, il faut savoir ce que vous voulez. Nous avons tracé l’esquisse des plans. Nous savons qu’ils peuvent s’élever, que la construction ne présentera pas de difficultés; que les murs séparatifs des étages sont d’aplomb les uns sur les autres; que les portées des planchers sont raisonnables, que les ouvertures sont aux places convenables. C’est très bien... Maintenant, voyez-vous ces plans en élévation? C’est-à-dire voyez-vous la maison debout, avec ses étages, ses combles, ses baies, etc.?
—Mais... non.
—Eh bien, il faudrait d’abord vous représenter cette bâtisse comme si elle existait réellement... Je sais que cela ne vous est guère possible, puisque beaucoup d’architectes ne sont pas plus avancés que vous lorsqu’ils ont tracé sur le papier les plans horizontaux, et qu’en traçant ces plans, ils ne voient pas leur bâtisse s’élever en idée. Réfléchissez un peu, examinez bien ces figures, et tâchez, par la pensée, de leur donner, en élévation, une apparence quelconque avant de vous servir du crayon... Prenez votre temps. J’ai une lettre à écrire, quelques comptes à mettre en ordre; pendant ce temps-là, tâchez de me donner l’élévation d’une des faces de la maison, de celle de l’entrée par exemple, côté nord, et nous raisonnerons sur ce projet. Je ne vous recommande qu’une chose, c’est de ne rien mettre sur le papier sans avoir réfléchi, au préalable, sur la convenance, l’utilité de ce que vous projetterez.
«Allons, courage; et n’oubliez pas l’échelle de proportion!»
M. Paul était fort embarrassé, et trouvait la besogne bien difficile. Les idées, qui lui étaient venues abondamment lors de son premier projet, lui refusaient leur service. Cependant, au bout d’une bonne heure et demie, il présentait à son cousin un croquis.
«Cela pourrait être plus mauvais, dit le grand cousin. Vous avez donné 4m,50 de hauteur au rez-de-chaussée entre planchers, c’est bien ce que nous avions dit; mais pourquoi la même hauteur au premier étage? Les pièces sont plus petites, on est mieux aéré; donc il n’est pas besoin de donner à cet étage une hauteur pareille, et 4 mètres suffiraient largement. Puis, pourquoi des fenêtres rondes à rez-de-chaussée? Les fenêtres rondes sont difficiles à garnir de châssis, et cela s’arrange mal avec les fermetures, volets, jalousies ou persiennes. Bon! vos fenêtres de l’escalier principal ne ressautent pas et seraient coupées au milieu par l’emmarchement, ce qui empêcherait de les ouvrir et ferait que, d’un coup de pied, on pourrait casser un carreau. Puis votre cage d’escalier[10] ne s’élève pas au-dessus de la corniche et ne pourrait permettre d’entrer dans l’étage sous combles. Il en est de même pour l’escalier de service. Vos combles sont faits en bresis[11], c’est-à-dire avec deux pentes. Cela ne vaut pas grand’chose dans des pays comme ceux-ci. Il faut des combles à pente simple et sans arêtiers[12] qui exigent un entretien difficile. Mieux valent les pignons[13]. Vous avez marqué des chaînes de pierre aux angles. Je n’y vois pas de mal; mais comment construirez-vous vos tableaux[14] de croisées encadrées par des sortes de pilastres? Aucune souche de cheminée[15] ne dépasse votre comble; cependant vous sentez qu’il faudra bien qu’on les voie. Vos mansardes sont trop basses et on se cognerait la tête pour regarder dehors. Faut-il que les linteaux[16] de ces lucarnes soient au moins à 2 mètres au-dessus du plancher? Et pourquoi des lucarnes ovales? Cela est fort incommode et difficile à fermer. Vous avez indiqué le perron en perspective, comme font les Chinois; mais c’est un détail. En quoi bâtirez-vous vos murs? Est-ce en pierre de taille, en moellons, en pierre et moellons ou en pierre et briques?
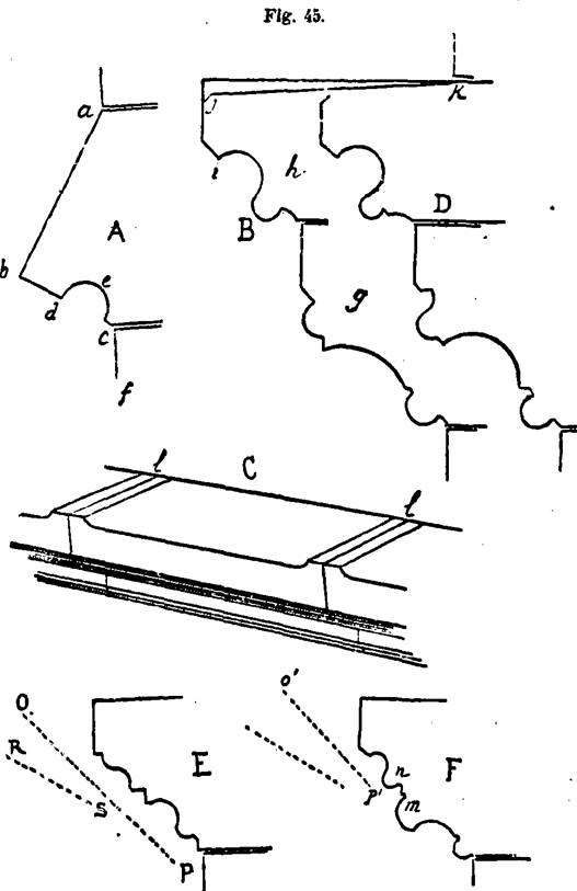
«Étudions cela ensemble. Lorsque l’on compose un plan par-terre ou horizontal, indépendamment des distributions, la chose dont il faut se préoccuper, c’est de savoir comment on couvrira les bâtiments. Car ce qui importe le plus dans une construction, c’est le moyen de la couvrir, puisque toute construction destinée à un usage intérieur est un abri. Cela est indiscutable, n’est-ce pas? Eh bien, dans votre bâtisse, dont les plans sont maintenant sous vos yeux, que voyez-vous dans la masse du corps principal? Deux parallélogrammes qui se coupent ainsi (fig. 3). Un premier parallélogramme a b c d, coupé par un second parallélogramme e f g h. Nous laissons de côté les bretêches et les escaliers. Donc si nous montons des pignons sur les murs a c, b d, dont les rampants seront égaux à la ligne a c, nous aurons deux triangles équilatéraux dont les bases seront a c et b d, et les pentes à 60°, ce qui est la pente la plus convenable pour de l’ardoise, en ce que la neige ne s’y arrête pas et que cette pente ne donne pas de prise au vent. Si, de même, sur les murs e f, g h, nous élevons deux pignons ayant une pente semblable, ces murs étant moins longs que ne sont ceux a c, b d, les triangles seront plus petits et leur sommet n’atteindra pas la hauteur des premiers. Alors le comble élevé sur le plus petit parallélogramme pénétrera celui élevé sur le grand et formera par ces pénétrations des angles rentrants que nous appelons noues; je trace ces noues en i k, k l, m n, m o. Car les pentes des deux combles étant égales, en projection horizontale, ces noues partageront l’angle droit en deux angles égaux; vous savez assez de géométrie pour comprendre cela.
«Voilà donc la manière la plus simple de couvrir notre bâtiment; or, en fait de couvertures, les plus simples sont les meilleures. Maintenant pour que nos deux escaliers permettent de pénétrer sous ces combles, il faut que leur cage, autrement dit leur enveloppe de maçonnerie, s’élève au-dessus de la corniche du bâtiment et fournisse un étage supplémentaire, pour eux seuls. Donc nous élèverons ces cages et nous établirons pour elles des combles spéciaux. L’un, celui du grand escalier, sera en pyramide à base quadrangulaire, et l’autre, celui du petit, sera conique.
«Rien ne nous empêche d’élever sur les deux murs q z, s t, des loges ou bretêches, de petits pignons, toujours avec une même pente de 60°, et de couvrir ces loges par deux petits combles qui s’appuieront sur les grands pignons a c, b d. Quant au bâtiment affecté à la cuisine au rez-de-chaussée et à la lingerie au premier étage, nous suivrons la même méthode, et, élevant un pignon sur le mur u v, nous aurons un comble sur ce logis, à deux pentes qui viendra de même s’appuyer sur le grand pignon b d. Nous aurons alors une rencontre à la base du comble sur la loge s t et de celui sur le bâtiment de la lingerie. Nous formerons un appentis, pour éviter les chéneaux intérieurs, lequel pénétrera ces deux combles et rejettera les eaux en t. Donc la projection horizontale de cet ensemble de combles sera le tracé que vous voyez sur notre figure 3. Les souches des cheminées traverseront ces combles, ainsi que je vous l’indique, et ces souches, pour que les cheminées ne fument pas, doivent s’élever au moins au niveau du faîtage[17], c’est-à-dire au-dessus de l’arête supérieure du comble le plus élevé. Quant aux couvertures des dépendances, étant plus basses puisqu’elles n’ont qu’un rez-de-chaussée, nous n’avons pas à nous en préoccuper pour le moment.
«Remarquons que ces pignons, s’élevant verticalement, nous permettront de disposer sous les combles des chambres d’amis très convenables, indépendamment des chambres de domestiques qu’il faudra ménager, en les éclairant par des lucarnes; tandis que nous pourrons avoir pour les chambres donnant sur les pignons, de belles fenêtres avec balcons, si cela nous convient.
«Cela décidé en principe, il serait bon de distribuer cet étage sous combles. Mettez un morceau de papier à calquer sur le plan du premier étage. Bien; maintenant, tracez tous les gros murs qui, nécessairement, doivent s’élever jusqu’à la couverture, puisqu’ils portent des cheminées. Tracez, à un mètre en dedans des murs goutterots, c’est-à-dire qui ne portent pas pignons, une ligne, laquelle indique la place perdue par suite de l’inclinaison du comble; vous allez ainsi avoir l’espace dont vous pouvez disposer. Le grand escalier va monter à cet étage, ainsi que l’escalier de service. À partir du gros mur de refend qui, du grand escalier, va joindre l’angle du corps principal vers le sud-est, qui est la belle orientation, nous allons disposer les chambres d’amis, lesquelles formeront ainsi un quartier séparé mis en communication avec les appartements par le grand escalier. Nous pouvons, dans cette partie, obtenir deux belles chambres A et B, avec leurs cabinets de toilette a et b; puis deux plus petites chambres C et D, possédant toutes une cheminée. N’oublions pas le water-closet pour ces appartements, en W. De l’autre part, et en communication directe avec l’escalier de service, nous pourrons trouver facilement quatre chambres de domestiques E, F, G, H, des débarras I, et un water-closet L, pour les gens (fig. 4).
«Au-dessus du bâtiment des remises et écuries et de la buanderie, nous pourrons aussi, dans les combles, disposer de trois ou quatre chambres de domestiques, cocher, palefrenier, etc.
«Maintenant, il convient d’esquisser les façades.
«Nous élèverons le sol du rez-de-chaussée d’un mètre cinquante centimètres au-dessus du sol extérieur, pour que nos caves soient convenablement aérées et pour soustraire ce rez-de-chaussée à l’humidité du terrain. Nous donnerons au rez-de-chaussée 4m,20c de hauteur sous plafond. Tracez à ce niveau un bandeau horizontal de 0m,30c de hauteur qui sera l’épaisseur du plancher. Aux pièces du premier étage, qui sont plus petites que celles du rez-de-chaussée, nous donnerons 3m,70c entre planchers. Puis tracez l’épaisseur de la corniche avec sa tablette, 0m,55c. Alors commenceront les combles, dont la hauteur sera fixée par celles des pignons. En prenant la face sur l’entrée, projetez verticalement les angles du bâtiment, les portes et fenêtres d’après le plan. Voilà l’ossature de cette façade disposée.»
Le grand cousin prend alors la planchette et esquisse la façade (fig. 5).
Tout cela fut bientôt mis au net à une petite échelle pour être envoyé à Mme Marie N..., afin d’avoir son avis, et de procéder à l’exécution dès qu’on aurait reçu la réponse.
M. Paul commençait à entrevoir quelques-unes des difficultés que fait naître le moindre projet de bâtisse et se demandait comment le père Branchu, qui savait tout juste écrire et compter, avait pu arriver à construire la maison de M. le Maire, laquelle, cependant, n’avait pas trop mauvaise apparence.
Le grand cousin, interrogé sur ce point, répondit ainsi à M. Paul: «Le père Branchu possède la pratique de son métier; c’est un bon maçon de campagne qui a commencé par porter l’oiseau sur ses épaules, qui est fils de maçon et fait ce qu’il a vu faire à son père. Il est d’ailleurs intelligent, laborieux et probe. Par la pratique seule, il est arrivé à bâtir comme on bâtit au pays, et peut-être un peu mieux, parce qu’il raisonne volontiers sur ce qu’il fait. Il observe; ce n’est ni un sot, ni un vaniteux; il évite les fautes des uns et imite les qualités des autres. Vous le verrez à l’œuvre, et vous serez parfois surpris de la justesse de ses observations, de l’insistance qu’il met à défendre son opinion et des moyens pratiques dont il sait faire usage. Si on lui donne des instructions et qu’il n’en comprenne pas parfaitement le sens, il ne dit mot, mais revient le lendemain vous expliquer ce qu’il a cru saisir, vous forçant ainsi à reprendre un à un tous les points douteux, à compléter tous les renseignements incomplets ou vagues. J’aime le père Branchu à cause de la ténacité qu’il met à vouloir comprendre ce qu’on lui ordonne, et ce qui le rend importun pour quelques-uns me semble une qualité précieuse, car, avec lui, il faut avoir tout prévu, avoir réponse à toute objection et savoir de tous points ce que l’on veut. Il a abandonné les travaux du châtelain de..., votre voisin, parce qu’on lui faisait défaire aujourd’hui ce qu’on avait ordonné hier. Interrogez-le à ce sujet: il est curieux à entendre; ce bonhomme qui n’a que la pratique la plus élémentaire de son métier, mais qui la possède à fond, qui connaît bien les matériaux du pays et la manière de les mettre en œuvre, vous dira que l’architecte de ce château interminable est un ignorant, et il vous le prouvera à sa manière. Et cependant il est clair que cet architecte en sait beaucoup plus long que le père Branchu.
«En règle générale, quand on donne un ordre, il faut avoir sept fois pensé aux objections dont il peut être l’objet; autrement, on trouve parfois un père Branchu qui, du premier mot, vous montre que vous n’avez été qu’un étourdi. Un architecte a bien la ressource de fermer la bouche aux faiseurs d’objections lorsqu’ils sont placés sous sa direction; mais imposer silence aux gens n’est pas leur démontrer qu’ils ont tort, surtout si, à quelques jours de distance, le directeur de l’œuvre donne des ordres contradictoires. Chacun possède sa dose d’amour-propre dont il faut tenir compte. Autant un inférieur est flatté et vous sait gré de l’attention que vous apportez à écouter ses observations lorsqu’elles sont fondées, autant il est disposé à vous croire incapable si vous les repoussez sans examen; surtout si, peu après, le fait démontre à cet inférieur qu’il pouvait avoir raison. Il n’est qu’un moyen d’établir la discipline dans un chantier: c’est de prouver à tous qu’on en sait plus qu’eux et qu’on tient compte des difficultés de l’exécution.»
M. PAUL SUIT UN COURS DE CONSTRUCTION PRATIQUE
Cependant, les lettres, les journaux apportaient chaque matin les plus tristes nouvelles. Depuis huit jours, le territoire était envahi par l’ennemi. Bâtir n’était guère de saison. M. de Gandelau voyait entrer à chaque instant, dans son cabinet, des paysans qui venaient lui faire part de leurs craintes et chercher des conseils. Les jeunes gars étaient appelés pour être incorporés dans la mobile. Les usines du voisinage se fermaient faute de bras. On rencontrait sur les chemins des groupes de paysans et de paysannes qui, contrairement aux habitudes paisibles de cette province, parlaient avec animation; quelques-unes de ces femmes pleuraient. Les travaux des champs étaient suspendus; on sentait partout comme un frémissement douloureux; on voyait dans les chaumières des lumières à une heure avancée de la nuit; on entendait des voix qui s’appelaient. Les bestiaux rentraient plus tôt que d’habitude et sortaient tard le matin. Sur les chemins, dès que deux hommes se rencontraient, ils s’arrêtaient longtemps pour causer. Quelquefois, au lieu de s’en aller chacun de leur côté, ils hâtaient le pas ensemble et se dirigeaient vers le bourg voisin.
C’était le 20 du mois d’août 1870; en entrant chez son père de bon matin, M. Paul le trouva plus soucieux encore que les jours précédents; et ce n’était pas seulement sa goutte aggravée qui causait son souci. Le cousin était là. «Les uns sont trop vieux, les autres sont trop jeunes. Si cet enfant avait quatre ou cinq ans de plus, dit M. de Gandelau en embrassant son fils, je l’enverrais avec tous ces jeunes gars qui sont appelés sous les drapeaux; mais il est trop jeune, heureusement pour sa mère... Ce sera long! dit-on; Dieu sait ce qu’il adviendra de notre pauvre pays engagé dans une guerre insensée: mais nous n’avons qu’un parti à prendre: rester ici au milieu de toutes ces familles anxieuses et privées de leurs enfants; attendre et tâcher d’occuper tout ce monde qui perd un peu la tête. Ne nous abandonnons pas, ne cédons pas à des inquiétudes stériles; travaillons, c’est le remède à tous les maux; et le malheur ne nous trouvera pas plus dépourvus de courage après des journées de labeur qu’après l’oisiveté fiévreuse. Je prévois que Paul ne pourra rentrer de sitôt à son lycée, à Paris. Vous, grand cousin, rien ne vous oblige à demeurer en ce moment plutôt dans un lieu que dans un autre. Vos affaires vont être suspendues partout; restez ici, où vous pourrez vous rendre utile aussi longtemps que le pays n’aura pas besoin de vous.
«Qui sait? Si les choses traînent en longueur, nous essayerons quand même de bâtir la maison de Marie; ce sera une occasion de faire travailler des bras inoccupés. Vous pourrez enseigner, par la pratique, à Paul, les éléments de la construction. Nous manquerons peut-être de ce nerf indispensable pour bâtir: l’argent. Eh bien! cela nous mettra dans la nécessité de chercher les moyens de nous en passer. Nous avons les matières premières, nous avons des bras et de quoi les nourrir quelque temps. Ne nous laissons donc pas aller au découragement et à d’inutiles récriminations; travaillons, nous n’en serons que mieux préparés si, dans un suprême effort, il faut recourir à tous, vieillards et enfants, pour défendre le sol.»
Mme de Gandelau joignant ses instances à celles de son mari, il ne fut pas difficile de décider le grand cousin à venir s’établir au château. En effet, trois jours après, le grand cousin, ayant été régler quelques affaires, revenait avec une ample provision de papier et d’instruments nécessaires à l’exécution des détails d’une bâtisse.
Il fallait attendre que le projet envoyé à la sœur de Paul revînt approuvé ou amendé pour se mettre à l’œuvre. Il fut décidé que pendant cet intervalle, le grand cousin donnerait à Paul les premières notions de la construction d’une habitation, que ce cours serait fait le matin, et que, dans l’après-midi, notre architecte en herbe rédigerait la leçon, laquelle serait corrigée en famille le soir. Ainsi les journées devaient-elles être bien remplies.
«Si vous le voulez bien, petit cousin, nous ferons nos leçons en nous promenant, et pour cause.»
Cette façon de procéder plut tout d’abord à M. Paul qui n’était pas habitué au lycée à cette manière d’enseigner. La perspective d’un cours fait entre quatre murs, rédigé entre quatre murs, corrigé entre quatre murs ne lui avait pas semblé tout d’abord se concilier avec l’idée que l’on se fait, à seize ans, des heures consacrées aux vacances, et bien que l’architecture lui parût une fort belle chose après ses premiers essais; qu’il fût assez fier de penser que son projet était peut-être à ce moment sous les yeux de sa sœur Marie et de son beau-frère, cependant, au moment où il se dirigeait vers l’appartement de son cousin, il avait regardé d’un œil de convoitise les grands arbres du parc et les prairies verdoyantes qui brillaient entre leurs troncs noirs. Un soupir de satisfaction s’échappa de sa poitrine en descendant l’escalier du château.
«Allons-nous-en tout doucement vers la partie du domaine où nous devons bâtir la maison, reprit le grand cousin, dès qu’ils furent dehors; la connaissance du terrain est la première de toutes celles que l’architecte doit posséder. Il y a, comme vous savez, plusieurs natures de terrains; les uns sont résistants, les autres mous et compressibles à différents degrés. Les roches forment les terrains les plus fermes et sur lesquels on peut bâtir en toute assurance, à la condition toutefois que ces roches n’aient pas été excavées ou dérangées. On donne le nom de sol vierge à tous les terrains que l’on rencontre dans l’état où les phénomènes géologiques les ont placés, le nom de sol de rapport ou de remblai[18] à tout terrain qui a été bouleversé ou apporté par la main de l’homme, par la végétation ou des alluvions torrentielles brusques. En règle générale, il ne faut fonder que sur le sol vierge, et cependant, parmi ceux-ci, il en est dont on doit se défier, comme je vous l’expliquerai tout à l’heure.
«Il faut donc s’appliquer à distinguer un sol vierge d’un sol rapporté ou bouleversé; pour ce faire, certaines connaissances de géologie élémentaire sont indispensables[19]. Ainsi, les roches cristallisées, les granits, les gneiss, les schistes cristallins demeurent dans l’état où le refroidissement du globe et les soulèvements de sa croûte les ont placés. Les grès, les calcaires, les marnes, les sables, même les argiles, déposés par les eaux sous une énorme pression, sont stratifiés, c’est-à-dire déposés par couches, comme des assises d’une construction, et présentent une assiette excellente. Le coteau que nous avons là sur notre droite, et vers lequel s’étend le bois de votre sœur, présente, vous le voyez d’ici, des escarpements érodés par les eaux du ru que nous allons traverser; remarquez que la pierre qui paraît dénudée, se présente par lits à peu près horizontaux. C’est un calcaire jurassique excellent pour bâtir, mais sur lequel aussi on peut s’appuyer en toute sécurité. Ainsi, dans ces bancs[20], peut-on creuser des caves et se servir de ce qu’on a extrait de l’excavation pour élever les murs. Ici nous marchons sur des argiles sablonneuses entremêlées de pierre meulière. Cela forme aussi un très bon sol qui n’est pas compressible. Il en est autrement des argiles pures, non qu’elles soient compressibles; mais, si elles ne sont pas encaissées, si, par exemple, elles se trouvent sur une déclivité du sol, par l’effet des eaux qui s’infiltrent entre leurs couches, elles glissent et la maison qu’on a élevée sur leur surface descend avec elles. On voit parfois ainsi, sur des rampes argileuses, des villages tout entiers qui descendent dans la vallée. Il faut donc apporter une grande attention à la manière de fonder sur les argiles si l’on veut éviter ces dangers. Parfois aussi, lorsqu’elles sont fortement comprimées par une construction lourde, les argiles s’affaissent sous leur poids pour se relever d’autant un peu plus loin, par un mouvement de bascule. Les sables marins, purs, fins ou graveleux, sont excellents pour recevoir des fondations, parce que le sable se tasse naturellement pour peu qu’il soit mouillé. Si bien qu’on peut former, au besoin, un sol factice en apportant de bonnes couches de sable marin sur un sol douteux, et en mouillant fortement ces couches. Plus le sable est fin et dépourvu d’argile et meilleur est-il, car tous ces petits grains lourds, égaux, ne laissent entre eux que des intervalles très faibles et se touchent par plusieurs points. Si le poids comprime la couche de sable et la force à se tasser, ce tassement est régulier et par conséquent sans danger. La construction descend ainsi de quelques millimètres suivant son poids, mais ne se disloque pas parce qu’elle s’enfonce régulièrement. Les alluvions formées par des cours d’eau peu rapides, c’est-à-dire par des rivières ou par des lacs, composent aussi de bons sols, parce que les couches de gravier ou de limon ont été déposées peu à peu et bien tassées par le poids du liquide qui les charriait. Il en est tout autrement des sols marécageux, car les eaux n’ayant pas de courant, ont permis à des végétaux de pousser dans leurs lits. Ces végétaux venant à mourir sont remplacés chaque année par d’autres. Il se forme alors des couches successives de détritus sous une pression minime, qui laissent entre elles des cavités innombrables, comme serait un amas de foin pourri. On désigne ces dépôts sous le nom de tourbières. Là-dessus on ne peut rien asseoir, car ces dépôts s’affaissent sous la moindre charge. Tenez! nous voici près du ru, sur un point qui présente ce phénomène... Frappez du pied sur ce sol gazonné dru... Vous sentez que la terre sonne creux et s’ébranle sous le choc. Quelquefois ces tourbières atteignent des profondeurs telles par l’accumulation des détritus végétaux, qu’on ne peut en atteindre le fond; si vous bâtissez là-dessus, votre construction s’enfoncera peu à peu, et souvent inégalement, en raison de la déclivité du sous-sol, de telle sorte que la bâtisse s’inclinera d’un côté. C’est ainsi qu’à Pise, à Bologne en Italie, des tours se sont inclinées pendant qu’on les élevait, jusqu’au moment où la tourbe a été complètement comprimée sous la charge. Quand on trouve ces sols, ou bien il faut enlever la tourbe jusqu’à ce qu’on trouve la roche ou le gravier, ou bien il faut enfoncer des pilotis très rapprochés les uns des autres, comme un jeu de quilles, jusqu’à ce que les pieux refusent d’entrer plus avant. Alors, sur les têtes de ces pilotis, on établit ce qu’on appelle un radier, sorte de châssis de charpente, entre lequel on coule du béton[21] et sur lequel on pose les premières assises de maçonnerie. Des villes entières sont ainsi bâties: Venise, Amsterdam, ne reposent que sur des forêts de pilotis enfoncés dans une vase spongieuse parce qu’elle s’est formée sous une mince nappe d’eau qui n’avait pas assez de puissance pour la comprimer.
«Mais il ne suffit pas de reconnaître la nature du sol sur lequel on doit établir une construction; il faut examiner les cours d’eau sous-jacents, ou comment se comportent les écoulements des eaux pluviales sur leur surface ou dans leurs interstices. La présence d’un banc d’argile, si faible qu’il soit, entre des couches calcaires, de grès ou de sable, doit préoccuper le constructeur, car ces bancs étant étanches, c’est-à-dire ne laissant pas pénétrer l’eau des pluies dans leur épaisseur, favorisent des courants ou nappes d’eau, qui peuvent occasionner les désordres les plus fâcheux dans les fondations. Examinez ici près, le long de l’escarpement, cette couche verdâtre... C’est de l’argile, elle est très mince et ne peut point retenir les eaux; mais supposez qu’elle ait 50 centimètres d’épaisseur. Les pluies, qui pénétreront facilement à travers le gravier placé au-dessus, s’arrêteront sur cette couche et feront leur chemin suivant le plan d’inclinaison de cette couche d’argile; peu à peu elles formeront des cavités comme de petites grottes, et un courant caché. Si vous faites un mur de cave ou de fondation qui descende au-dessous de cette nappe d’eau, celle-ci viendra se heurter contre votre mur, le pénétrera, quoi que vous fassiez, et remplira vos caves. C’est pourquoi, dans ce cas, il sera nécessaire, au préalable, de détourner cette nappe d’eau, en la recueillant dans un égout pour l’éloigner de vos constructions. Prêtez-moi votre carnet afin que je vous indique clairement, par un tracé, ce que je vous dis ici (fig. 6). Soit A B la couche d’argile, C D la couche de gravier ou de sable perméable. Il se formera une nappe d’eau courante, après chaque averse, de E en F. Cette nappe sera arrêtée par le mur de fondation ou de cave G H, et le traversera bientôt, puisqu’elle ne peut ni remonter, ni traverser l’argile. Il faut donc, en I, établir un égout transversal avec ouvertures en amont par lesquelles ces eaux s’introduiront dans le chenal, ainsi que vous le démontre le tracé K. Cet égout dirigera les eaux recueillies où bon vous semblera et laissera le mur G H parfaitement sec. Vous comprenez, n’est-ce pas?...
«Mais si vous fondez en plein dans l’argile, faut-il prendre des précautions autrement sérieuses; car, ainsi que je vous le disais tout à l’heure, il peut se faire que le banc d’argile tout entier vienne à glisser.
«Les bancs d’argile glissent, surtout lorsqu’en coupe[22] ils présentent la section que je trace ainsi (fig. 7): soit A un banc de roche, B un banc d’argile. Les eaux pluviales qui tombent en amont, de D en C, passeront en C sous ce banc d’argile; et, si les pluies sont persistantes, elles formeront de C en E une couche molle, grasse, savonneuse, de telle sorte que le banc d’argile C B E glissera sur cette couche par son propre poids, mais surtout si, en G, on l’a chargé d’une construction.
«Comment parer à ce danger? 1º en recueillant les eaux en C dans un égout ou une pierrée, de telle sorte qu’elles ne puissent passer sous le banc d’argile si celui-ci est très épais; 2º s’il n’a qu’une épaisseur de quelques mètres, en descendant le mur de fondation H jusqu’au roc ou gravier, et en faisant en I un égout collecteur, comme il vient d’être dit tout à l’heure. Alors le triangle d’argile C I K ne pourra glisser, retenu par le mur bien assis et chargé. La partie argileuse en aval, n’étant pas mouillée par dessous, ne glissera pas. Mais faut-il que ce mur H et son égout I soient assez épais pour résister à la charge du triangle C I K.
«Vous sentez donc combien il est important de se rendre compte des terrains sur lesquels on opère; et combien il est essentiel qu’un architecte possède quelques connaissances en géologie. Rappelez-vous bien ceci, car les architectes de la génération qui nous précède dédaignent ces études et s’en rapportent à leurs entrepreneurs en bien des cas.
«Nous parlerons aussi des terrains vaseux, plats, pénétrés d’eau et que l’on ne peut fouiller parce qu’ils n’ont guère que la consistance d’une boue compacte et dans lesquels plus on creuse, moins on rencontre de résistance. Quand ces terrains ne sont pas tourbiers, qu’ils ne contiennent guère de détritus de végétaux, qu’ils sont toujours pénétrés de la même quantité d’eau, on peut fonder dessus, car l’eau n’est pas compressible. Votre construction est alors comme un bateau: toute la question consiste à empêcher l’eau de s’échapper, de fuir sous le poids de la bâtisse comme elle fuit sous le poids d’un bateau. Quand vous vous plongez dans une baignoire à moitié pleine, l’eau remonte le long des bords d’une quantité égale au volume de votre corps. Mais supposez qu’une planche, découpant exactement le contour de votre corps, empêche l’eau de remonter autour de vous, vous ne pourrez entrer dans l’eau et cette eau vous portera sur sa surface. Eh bien, quand on doit bâtir sur un sol boueux, le problème consiste à empêcher cette boue de remonter autour de la maison à mesure qu’elle s’enfoncerait. Il faut encore un tracé pour vous expliquer les moyens propres à obtenir, en ce cas particulier, un bon résultat (fig. 8).
«Nous avons creusé dans un sol de remblais A, c’est-à-dire sur lequel on ne saurait bâtir avec sécurité. En B, nous atteignons le sol vierge; mais ce sol est très humide, c’est une ancienne vase pénétrée d’eau et dans laquelle on enfonce en marchant. Plus nous enlevons de cette vase et plus nous la trouvons molle. Une sonde enfoncée à deux ou trois mètres donne toujours le même fond, et les trous que l’on fait se remplissent d’eau immédiatement. Des pilotis battus s’enfoncent jusqu’à la tête. Or, vous pensez bien que, pour élever une construction ordinaire, on ne peut dépenser en fondations le double de ce que coûterait la bâtisse elle-même. Il faut donc aviser... Alors nous ferons, pour recevoir les murs qui forment le périmètre de la maison, une tranchée de 0m,50 à 0m,60c de profondeur environ, ainsi que je le trace en E; puis, dans ces tranchées et sur toute la surface de la construction, nous coulerons du béton ayant une épaisseur de 0m,60 à 0m,80c entre les tranchées, comme je le trace en F. Nous aurons fait ainsi comme un couvercle d’une matière homogène qui empêchera la vase G H, comprise sous ces bords, de remonter. Le poids du remblai A se chargera de comprimer le reste. Ainsi pourrez-vous, sur ce plateau, élever vos constructions en toute sécurité.
«Vous me demanderez peut-être ce que c’est que du béton et comment on le fait? Vous apprendrez cela plus tard.»
Tout en causant et faisant des croquis, Paul et le grand cousin étaient arrivés sur les rampes du coteau où devait s’élever la maison.
«La situation est bonne, dit le cousin. Nous avons un excellent sol calcaire d’où nous pourrons même tirer de la pierre ou du moellon propre à bâtir. Voilà, sur les basses rampes, des argiles sablonneuses assez nettes, avec lesquelles nous ferons de la brique. Voilà la source d’eau vive qui vient du bois et qui sort de dessous le dernier des bancs calcaires; nous pourrons facilement la capter, l’amener le long de la maison où elle sera doublement utile, car elle nous donnera de l’eau pour les besoins des habitants et entraînera, dans un égout, toutes les eaux ménagères et les immondices que nous enverrons se perdre dans cette ancienne excavation que je vois sur notre gauche.
«Toutefois nous devrons procéder après examen, car il me semble que ces bancs ont été déjà exploités sur quelques points. Nous pourrions bien rencontrer de ces excavations de carrières faites sans soin, comme cela n’arrive que trop souvent dans les campagnes.
—Comment, dit Paul, reconnaît-on la pierre bonne à bâtir?
—Cela n’est pas toujours aisé, et il en est de ces connaissances comme de beaucoup d’autres: l’expérience doit confirmer la théorie. Parmi les pierres calcaires, lesquelles comprennent généralement, avec certains grès, les matériaux que l’on peut facilement exploiter et tailler, les unes sont dures, d’autres tendres; mais les plus dures ne sont pas toujours celles qui résistent le mieux à l’action du temps. Beaucoup de calcaires contiennent de l’argile, et, celle-ci retenant l’eau, lorsque surviennent les gelées ces parties argileuses gonflent et font éclater les blocs dont la pâte est composée de carbonate de chaux et aussi de silice en plus ou moins grande quantité. Les calcaires purgés d’argile sont ceux qui résistent le mieux à l’humidité et qui ne craignent pas la gelée. Quand, comme ici, on peut voir les bancs dépouillés par une érosion, il est facile de reconnaître ceux qui sont bons de ceux qui sont défectueux. Ainsi remarquez ce gros bloc noirâtre dont la tranche unie et nue depuis des siècles s’est couverte de lichens; il est d’une excellente qualité, car les lichens ne viennent que très lentement; donc pour qu’ils aient pu s’attacher à cette pierre et lui donner cette apparence grise mouchetée, il a fallu que le calcaire ait résisté aux actions décomposantes de l’atmosphère. Au-dessus, voyez ce banc d’un blanc presque pur et qui paraît si sain. Eh bien, il n’a cette belle apparence que parce que, à chaque gelée, il a laissé tomber sa peau, que sa surface s’est décomposée. Allez toucher ce roc, vous verrez qu’il vous restera aux mains une poussière blanche... C’est ainsi, n’est-ce pas? Dès lors la qualité de ce bloc est mauvaise, et vous voyez en effet, qu’au-dessous, l’herbe est jonchée de petites exfoliations de calcaires, tandis que le gazon, sous le bloc gris, est pur de toute poussière. Il est donc très utile à un architecte, quand il veut bâtir, d’aller voir les carrières et comment les bancs qui les composent se comportent à l’air libre; or, entre nous, c’est ce que nos confrères ne font guère.»
La méthode adoptée par le grand cousin, pour donner à M. Paul les premières notions sur la construction, plaisait fort à celui-ci. La veille il avait assez bien transcrit, dans la journée, tout ce que le maître avait pris soin de lui expliquer sur le terrain. Il avait même ajouté assez adroitement des figures à son texte; les corrections avaient été faites rapidement après dîner. Mais ce jour-là, une pluie serrée ne permettait guère de sortir, et le grand cousin décida que la deuxième leçon serait faite dans la maison. «Aussi bien, dit-il, nous aurons devant les yeux des exemples suffisants; le château nous les fournira. Nous allons le visiter de la cave au grenier et nous en étudierons les matériaux aussi bien que les moyens de construction, soit pour les critiquer s’ils sont mauvais, soit pour en prendre note s’ils sont bons.» Quand le maître et l’élève furent descendus dans les sous-sols, le grand cousin commença ainsi: «Voyez comme ce mur de cave, qui donne sur la cour, est humide et comme les mortiers qui joignent les pierres sont tombés presque partout et surtout vers le haut. Cela tient à deux causes: 1º on n’a pas eu la précaution, en élevant ces murs, de les bien enduire à l’extérieur de manière à faire glisser les eaux du sol jusqu’à la base; 2º on n’a pas employé dans la construction des mortiers faits avec de la chaux hydraulique. Il y a en effet deux natures principales de chaux: la chaux dite grasse et la chaux hydraulique; la première est obtenue par la cuisson de calcaires compacts que l’on trouve habituellement au sommet des bancs; on l’appelle grasse parce qu’elle est glutineuse lorsqu’elle est éteinte et s’attache au rabot avec lequel on la corroie; cette chaux, étant noyée dans l’eau, bout et jette une épaisse vapeur, comme vous avez pu voir, et, mêlée au sable, prend lentement. Employés au-dessus du sol, les mortiers faits avec cette chaux deviennent fort durs à la longue, mais conservent plus ou moins pendant un temps une certaine plasticité. Toutefois ces mortiers, prenant lentement, sont facilement délayés par les eaux, et ne peuvent alors jamais devenir durs. Les chaux hydrauliques obtenues par la cuisson de calcaires argileux, mêlées au sable, prennent au contraire rapidement une grande dureté et se maintiennent d’autant mieux que les mortiers sont dans des lieux humides. Aussi appelle-t-on cette chaux hydraulique parce qu’on l’emploie pour toutes les maçonneries que l’on établit dans l’eau. On fait des chaux hydrauliques factices quand le sol ne fournit pas des calcaires argileux, eu broyant une certaine quantité d’argile avec les calcaires propres à faire de la chaux ordinaire. On reconnaît la chaux hydraulique en l’éteignant, c’est-à-dire en la mêlant avec de l’eau; alors elle fuse sans presque produire de vapeur.
C’est avec la chaux hydraulique qu’on fait les bétons dont je vous parlais hier. Ayant préparé le mortier, on y mêle une certaine quantité de cailloux durs, de la grosseur d’un œuf environ; on corroie le tout et on jette le mélange dans les fouilles où on le pilonne avec des dames de bois. Si la chaux est bonne et que le béton soit bien fait, on compose ainsi un véritable rocher qui ressemble aux conglomérats ou poudingues produits naturellement. L’eau traversant difficilement ces bétons lorsqu’ils ont pris de la consistance, on peut ainsi éviter les infiltrations sous-jacentes qui se produisent dans les caves faites dans des terrains très humides.
«Si le mur que vous voyez là eût été maçonné en mortier fait avec de la chaux hydraulique, il serait net et les joints[23] en seraient aussi durs que la pierre elle-même. Vous comprendrez facilement que quand les eaux, ont peu à peu détrempé et fait couler les mortiers des lits et joints à la base d’un mur, les pierres qui le composent tassent, et que tout le reste de la bâtisse en souffre. C’est pourquoi la façade de maison, sur la cour, présente un bon nombre de fissures que l’on rebouche de temps à autre, mais sans pouvoir, bien entendu, détruire la cause du mal.
«Montons au rez-de-chaussée: voyez à l’intérieur comme les murs laissent paraître des efflorescences qui ressemblent à du coton cardé. C’est le salpêtre qui se forme dans l’intérieur de la pierre et qui, par l’effet de l’humidité du sol, se cristallise sur le parement. Ce salpêtre altère la pierre, finit par la ronger, et fait tomber toute peinture que l’on prétendrait apposer sur la paroi intérieure. On fait des enduits hydrofuges pour arrêter l’effet du salpêtre, mais ces moyens ne font que retarder un peu son apparition sans détruire le mal, et cet enduit tombe bientôt comme une croûte. Il faut donc, quand on construit, à la campagne surtout, empêcher l’humidité du sol de remonter dans l’épaisseur des murs et l’arrêter au niveau du sol. On a essayé parfois d’interposer une couche de bitume entre les pierres du soubassement aux lieu et place du lit de mortier pour éviter l’aspiration de l’humidité par les pierres, ce qu’on appelle la capillarité; mais ce moyen est très insuffisant. Le bitume s’échappe sous la charge, parce qu’il ne durcit pas assez pour résister à cette charge, ou bien il s’altère et se combine avec la chaux. Le mieux est d’interposer, entre les premières assises inférieures d’un soubassement, un lit d’ardoises pris dans la couche de mortier. L’ardoise arrête complètement cet effet de capillarité et l’humidité ne peut remonter dans les murs.
«Regardez maintenant ce mur de face, sur la cour... Il forme comme une bosse à la hauteur du plancher du premier étage. Nous disons alors que c’est un mur qui boucle. Au lieu de se maintenir dans un plan vertical, comme cela devrait être, il a rondi; pourquoi? parce qu’il a été poussé par une force agissant de l’intérieur à l’extérieur. Quelle est cette force? Ce pourrait être une voûte, mais il n’y a pas ici de voûte au rez-de-chaussée. Ce ne peut donc être que le plancher. On ne comprend guère, au premier abord, comment un plancher, qui est un plan horizontal, peut pousser. Car pour pousser, il faudrait supposer que ce plancher s’étend dans un sens, ce qui ne peut être. Mais voici ce qui arrive. Suivez-moi bien... Autrefois, pour établir un plancher, on posait de grosses poutres d’un mur à l’autre, et, sur ces poutres, des pièces de bois plus légères, qu’on appelle solives; puis on chargeait ces solives d’une couche de terre, de gravier ou de sable, et là-dessus on formait une aire en mortier pour recevoir le carrelage. Tout cela est très lourd. Or, comme une pièce de bois, même d’un fort équarrissage, fléchit à la longue sous son propre poids, c’est-à-dire, de droite qu’elle était, devient courbe, à plus forte raison se courbe-t-elle lorsqu’on la charge. Plus elle se courbe et plus elle exerce une pression sur le parement intérieur des murs dans lesquels on a dû l’encastrer. C’est cette pression sur le parement intérieur qui tend à pousser le mur en dehors. Mais, si comme ici, pour soulager la portée des poutres, on a placé dessous des liens[29] de bois (fig. 12), cet effet de poussée est d’autant plus sensible que le bras de levier est plus long. Je vois bien que vous ne comprenez pas parfaitement. Un croquis va vous mettre au fait. Soit A la coupe du mur, ou si vous aimez mieux, son épaisseur. Si la poutre vient à se courber suivant la ligne C D, il se produit une pression en D qui est traduite par une poussée en F et le rondissement du mur comme je vous l’indique par les courbes ponctuées. Supposez même qu’à la place du lien E, nous ayons un corbeau de pierre; l’effet produit sera le même, mais moins puissant, à moins que la queue de ce corbeau ne prenne toute l’épaisseur du mur, comme je vous le marque en I, et que cette queue K soit chargée de telle sorte que cette charge neutralise la pression que la poutre exerce à l’extrémité L. C’est ce qui n’a pas été fait ici, où, à la place du lien de bois, on a mis un corbeau. Ce corbeau n’a qu’une médiocre prise dans le mur, et celui-ci, bâti en petits matériaux assez mal maçonnés, n’a pas une consistance suffisante pour résister à la poussée qu’exerce le rondissement des poutres. Mais pourquoi, me direz-vous, cet effet s’est-il produit à la hauteur du plancher du premier étage et ne s’est-il pas produit au-dessus? Parce que, par l’effet du bouclement que nous signalons ici, le mur s’est incliné au-dessus vers l’intérieur, et qu’il a ainsi serré le second plancher, ses parements s’étant placés, par leur inclinaison même, perpendiculairement à la direction courbe des poutres supérieures, comme je vous le marque en M, en exagérant l’effet pour bien vous le faire saisir.
«Vous voyez que chaque détail mérite attention et qu’il faut se rendre compte de tout dans les constructions.
«En toutes choses, on n’apprend à éviter le mal qu’en l’analysant et cherchant ses causes, en constatant ses effets; c’est pourquoi, pour devenir un bon constructeur, il ne suffit pas de se familiariser avec les règles de la construction qui ne peuvent prévoir tous les cas; il faut voir beaucoup, beaucoup observer, constater les points défectueux dans les bâtisses anciennes; de même, les médecins n’arrivent-ils à définir une bonne constitution physique qu’en étudiant les maladies et leurs causes. Nous n’apprécions ce qui est bon le plus souvent que par la connaissance du mal, si bien qu’en l’absence du mal, nous pouvons admettre que le bon existe. Un vieux maître architecte qui, quand j’avais à peu près votre âge, voulait bien m’aider de ses conseils, me disait souvent: «Mon ami, je puis vous dire ce qu’il faut éviter dans l’art de bâtir; quant à vous expliquer en quoi consiste le bon et le beau, c’est affaire à vous de le trouver. Si vous êtes né architecte, vous saurez bien le découvrir; sinon, tout ce que je pourrais vous montrer, les exemples que je placerais sous vos yeux ne vous donneraient pas du talent.» Et le maître parlait sagement. La vue des plus belles œuvres d’architecture peut fausser l’esprit des étudiants si, en les leur montrant, on ne leur explique pas comment leurs auteurs sont arrivés à les faire belles, parce qu’ils ont évité de tomber dans telles et telles fautes.
«Mais en voilà assez pour votre rédaction de ce jour. Mettez ces croquis au net, en regard de votre texte, et nous verrons cela ce soir.»
COMME QUOI M. PAUL EST INDUIT À ÉTABLIR CERTAINES DIFFÉRENCES ENTRE LA MORALE ET LA CONSTRUCTION
Lorsque le soir, le compte rendu rédigé par Paul fut lu en famille, M. de Gandelau interrompit la lecture à cette phrase infidèlement reproduite: «Le bien n’est que l’absence du mal.»
«Oh! oh! dit le père: la charité est autre chose que l’absence du mal. Si tu ne donnes rien au pauvre qui te demande du pain; si, sachant nager, tu ne cherches pas à sauver un homme qui se noie, tu ne fais pas de mal, mais tu ne fais pas le bien.
—Ce n’est pas, reprit le grand cousin en souriant, tout à fait ce que j’ai dit à Paul. À propos des défauts constatés dans les constructions, j’ai dit, je crois, que le bon est l’absence du mal; c’est-à-dire qu’en fait de constructions, et peut-être en beaucoup d’autres choses qui tiennent à l’ordre purement matériel, éviter ce qui est mauvais, c’est faire bien, mais non le bien. J’avoue d’ailleurs que je n’ai pas suffisamment développé ma pensée.
«Deux choses sont nécessaires pour devenir un bon constructeur: un esprit juste—ce qui tient à la nature morale de chacun de nous,—et l’expérience que l’on acquiert.
«L’observation et l’expérience qui en sont la conséquence nous servent à reconnaître le mal et à l’éviter; mais si, malgré cela, on n’est pas doué d’un esprit juste, ordonné naturellement, l’expérience, en permettant de se garder du mal, ne suffit pas à elle seule pour trouver ce qui est bon.
«D’ailleurs si, en morale, le bien est absolu et indépendant des circonstances, il n’en est pas de même en construction. Ce qui est bon ici est mauvais ailleurs, en raison du climat, des habitudes, de la qualité des matériaux et de la façon dont ils se comportent suivant telle ou telle circonstance locale. S’il est bon, par exemple, de couvrir un comble en ardoises dans un climat tempéré et humide, ce procédé ne vaut rien dans un climat chaud, sec et venteux. Des constructions de bois seront excellentes dans telles situations, mauvaises dans d’autres. S’il est bon, dans les habitations, d’ouvrir des jours larges, de vitrer de grandes surfaces sous les climats du nord, parce que la lumière est voilée, cela est mauvais dans des contrées méridionales où la lumière est intense et où il faut se garantir contre la chaleur. Si donc on peut faire un code de morale, on ne peut établir des règles absolues en construction, et c’est pourquoi l’expérience, le raisonnement et la réflexion doivent toujours intervenir lorsqu’on prétend bâtir. Bien souvent de jeunes architectes m’ont demandé quel était le meilleur traité de construction à consulter. Il n’y en a point, leur disais-je, par la raison qu’un traité ne saurait prévoir tous les cas, toutes les circonstances particulières qui se présentent dans la carrière de l’architecte. Le traité établit des règles; mais, quatre-vingt-dix-neuf fois sur cent, vous vous trouvez en face de l’exception et n’avez plus que faire de la règle. Un traité de construction est bon pour habituer l’esprit à concevoir et à faire exécuter suivant certaines méthodes; il vous donne les moyens de résoudre les problèmes posés; mais ne les résout pas, ou du moins n’en résout qu’un seul sur mille. C’est donc à l’intelligence, à l’observation à suppléer, en ces mille cas présentés, à ce que la règle ne peut prévoir.»
«Hier, dit le grand cousin à Paul, lorsque celui-ci entra dans sa chambre, nous avons visité les caves et le rez-de-chaussée, aujourd’hui nous irons nous promener dans les greniers du château. Mais d’abord je vais vous montrer ce qu’on entend par une ferme[30] de charpente... La ferme la plus simple (fig. 13) se compose de quatre pièces de bois: deux arbalétriers[31], un entrait[32] et un poinçon[33]. Les deux pièces inclinées A sont les arbalétriers, la pièce horizontale B l’entrait, et la pièce verticale C le poinçon. Les bouts supérieurs des arbalétriers s’assemblent dans le poinçon, ainsi que je vous le fais voir par le détail D, c’est-à-dire à l’aide de deux tenons[34] E qui entrent dans deux mortaises[35] F et d’un épaulement G qui fait que toute la force du bois bute dans l’encoche I que nous appelons embrèvement[36]. Les bouts inférieurs des arbalétriers s’assemblent de même aux deux extrémités de l’entrait, ainsi que nous le fait voir cet autre détail H. Le poinçon s’assemble aussi par un tenon, dans le milieu de l’entrait, mais librement et sans appuyer sur cet entrait. Les tenons entrés dans les mortaises, on enfonce des chevilles de bois dans les trous que je vous marque, pour bien relier le tout. Plus vous appuyez sur le sommet M, plus vous tendez à faire écarter du pied les deux arbalétriers; mais ceux-ci étant fixés aux deux bouts de l’entrait, raidissent celui-ci comme la corde d’un arc. Donc cet entrait est d’autant moins disposé à se courber qu’il est mieux tendu, et le poinçon n’est là que pour le suspendre à son milieu et pour assembler la tête des arbalétriers. Mais de M en N ces arbalétriers peuvent fléchir sous le bois de la couverture: alors on ajoute deux liens O P qui arrêtent cette flexion en reportant les charges sur le poinçon, de telle sorte que celui-ci est à son tour tendu de M en P. Le bois ne pouvant s’allonger, le point P est fixe, donc les deux points O le sont aussi.
«Maintenant que vous savez ce qu’est la ferme la plus simple, montons dans les combles.»
Ces combles étaient vieux, réparés, consolidés bien des fois, et formaient un enchevêtrement de charpentes assez difficile à comprendre. «Autrefois, dit le grand cousin, il y a plus d’un siècle, on faisait les charpentes ainsi que vous le voyez ici: chaque chevron[37] portant ferme, c’est-à-dire que chacun des chevrons composait une ferme, sauf l’entrait que l’on ne plaçait que de distance en distance. Alors le bois était à foison et on ne songeait guère à l’économiser. Aujourd’hui il est moins commun et il est difficile de se procurer un nombre considérable de pièces d’une grande dimension. Les belles futaies qui couvraient le sol de la France ont été gaspillées sottement et les bois longs d’essence de chêne sont rares. Il a donc fallu les économiser. Aussi a-t-on pris le parti d’établir des fermes solides à une distance de 4 mètres environ l’une de l’autre. Sur ces fermes on a placé des pannes qui sont ces pièces horizontales que vous voyez de ce côté, et, sur ces pannes, des chevrons plus ou moins longs ont été posés pour recevoir le lattis des tuiles ou la volige de l’ardoise. Mais toute charpente de comble doit être établie sur des semelles, qui sont ces pièces horizontales reposant sur la tête des murs, qui relient et isolent les entraits de la maçonnerie, car il faut observer que les bois se conservent indéfiniment à l’air libre, sec, mais qu’ils se pourrissent rapidement au contact d’un corps humide comme est la pierre. Voyez ici cette pièce de bois presque engagée dans la maçonnerie, elle est à moitié réduite à l’état d’amadou, tandis que l’arbalétrier au-dessus qui est à l’air libre, à l’air sec, est aussi pur de pourriture que s’il était neuf.
«On faisait autrefois les planchers en plaçant des solives reposant sur des poutres et les murs. Ces solives et ces poutres restaient apparentes, ainsi que vous pouvez le voir encore dans la cuisine et la grande salle du rez-de-chaussée qui sert de dépôt. L’air circulait donc autour de ces bois et ceux-ci pouvaient durer des siècles. Mais on a trouvé que ces bois apparents n’étaient point agréables à la vue, qu’ils n’étaient point propres et permettaient aux araignées de tendre leurs toiles dans leurs intervalles. On a donc cloué des lattes sous ces solives et on a couvert ce lattis d’un enduit que nous appelons le plafond. Les bois ainsi enfermés, privés d’air, se sont échauffés (comme on dit en terme de charpenterie), c’est-à-dire qu’ils ont fermenté, et la pourriture les a bientôt attaqués. Si bien que des planchers à solives apparentes, qui avaient résisté à l’action du temps pendant des siècles, sont tombés de pourriture au bout de peu de temps du moment qu’ils ont été enfermés. J’ajouterai qu’autrefois, avant d’employer des bois dans les constructions, on avait la précaution de les laisser plusieurs années dehors à l’action de la pluie et du soleil. On les faisait baigner même un certain temps dans l’eau, afin de les purger de la sève (car la sève est le ferment qui cause la pourriture du bois). Quand ces bois écorcés et grossièrement équarris étaient restés à l’air pendant cinq ou six ans, on les employait. Mais nous sommes pressés à cette heure, et on met en œuvre des bois qui souvent n’ont pas une année de coupe. Ils ne sont pas secs, ont gardé leur sève, et, si on les enferme alors, ils fermentent rapidement, si bien qu’en quelques années les plus grosses poutres sont complètement pourries. Aussi les architectes prudents hésitent à employer du bois pour les planchers. Cependant leur emploi—même à l’état de dessication imparfaite—n’aurait pas de graves inconvénients si on ne les enfermait pas entre des enduits. Le pis qui pourrait arriver, ce serait des gerçures et des chantournements. Ils sécheraient employés, comme ils auraient séché à l’air libre.
«Il n’y a donc pas grand inconvénient à employer des bois fraîchement coupés pour des charpentes de combles, lesquelles sont généralement laissées libres. Elles sèchent sur place. Elles se déforment, mais ne pourrissent pas.
«Comme nous ne pourrons trouver, pour la maison de votre sœur, des bois absolument secs, nous ferons donc des planchers à solives apparentes et nous tâcherons, par des moyens simples et peu dispendieux, de leur donner une apparence qui ne soit pas désagréable.
«Mais il faut que vous compreniez bien quelles sont les qualités des bois. Je ne vous dirai pas que la nature a fait pousser ces grands végétaux que nous employons, pour notre agrément ou nos besoins. La nature s’est, je crois, fort peu préoccupée de savoir si le chêne, le sapin nous seraient bons à quelque chose; et si l’intelligence humaine a su tirer parti de ces matériaux qui croissent devant nos yeux, c’est après avoir reconnu et constaté par l’expérience leurs propriétés. Malheureusement il semblerait que les résultats de cette expérience ne tendent pas à s’accroître, et, à voir la façon dont on emploie le plus habituellement ces bois aujourd’hui, on pourrait admettre que nous sommes moins instruits que nos devanciers ou que nous avons perdu cette habitude de l’observation avec laquelle ils étaient familiers.
«Le bois étant un composé de fibres plus ou moins lâches ou serrées, possède une puissance de résistance considérable à une pression qui s’exerce suivant la longueur de ses fibres, mais il fléchit ou s’écrase facilement au contraire sous une pression exercée sur le travers de ces mêmes fibres. Ainsi, une bûche de 0m,10c de diamètre, d’une longueur d’un mètre, posée debout, supportera sans s’écraser ou se tordre une pression de plusieurs milliers de kilogrammes, tandis que le même poids brisera ou écrasera cette bûche posée horizontalement, comme vous écraseriez une tige de roseau sous votre pied. Prenez un fétu de paille bien sain, de 0m,10c de longueur, et posez votre doigt sur un bout en tenant ce fétu verticalement sur une table; il vous faudra appuyer assez fortement pour le faire fléchir, tandis que la moindre pression exercée sur ce même fétu, s’il est posé horizontalement, l’aplatira. Le fétu est un tube. L’arbre est composé d’une série de tubes les uns dans les autres. Plus ces tubes sont nombreux, serrés, fins, plus le tronc résiste à une pression, soit dans le sens de la longueur, soit dans le sens de l’épaisseur. Mais ceci nous indique que, pour conserver au bois ses qualités de résistance, il faut l’employer tel que la nature le donne, et c’est bien ainsi, en effet, qu’on procédait jadis. Chaque pièce de charpente était prise dans un brin d’arbre plus ou moins gros, suivant le besoin, mais on ne refendait pas les arbres dans leur longueur pour composer plusieurs pièces de charpente; car le cœur étant plus dur et compacte que n’est l’aubier (qui est l’enveloppe spongieuse placée sous l’écorce), et les couches concentriques du bois étant d’autant plus serrées et résistantes qu’elles avoisinent le cœur, si vous fendez un arbre en deux dans sa longueur, une des parois est beaucoup plus résistante que l’autre, l’équilibre est rompu et la flexion se produit facilement sous la charge. Les couches externes étant les plus récentes, celles-ci sont plus spongieuses et plus lâches de tissus que ne le sont les couches anciennes qui avoisinent le cœur; par conséquent la dessiccation opère sur ces couches externes un retrait plus considérable que sur les couches internes; de là, courbure. Soit A (fig. 14) une pièce de bois refendue, les couches B sont plus dures, plus compactes que celles C qui contiennent plus d’humidité et dont les fibres sont plus molles. En séchant, cette pièce de bois produira donc une concavité du côté externe, ainsi que je vous marque en D. Si le bois est laissé entier comme je le trace en E, les effets se neutraliseront et la pièce se conservera droite.
PLANTATION DE LA MAISON ET OPÉRATIONS SUR LE TERRAIN
Le lendemain, on recevait de Mme Marie N... une lettre datée de Naples, qui exprimait les plus vives et les plus patriotiques appréhensions à propos des derniers événements. La sœur de M. Paul engageait la famille à venir la rejoindre à Naples; son mari ne pouvait rentrer en France en ce moment; la mission qui l’appelait à Constantinople ne souffrait aucun délai et le forçait à s’embarquer très prochainement. Cette lettre se terminait ainsi: «Nous avons reçu les projets de Paul; il nous semble s’être un peu fait aider par notre cousin. Cela me plairait fort, à mon mari et à moi, si jamais on pouvait mettre la main à l’œuvre; mais qui peut aujourd’hui, dans notre pauvre pays, songer à bâtir? Venez bien plutôt nous trouver.»
«Eh bien, dit M. de Gandelau après la lecture de cette lettre, voilà vos projets approuvés, passons sans retard à l’exécution. Si MM. les Prussiens viennent jusqu’ici et qu’ils mettent le feu, suivant leur coutume, à notre vieille maison, ils ne brûleront pas les murs d’une bâtisse à peine commencée, et ce que nous aurons dépensé pour l’élever n’entrera pas dans leurs poches.»
Le grand cousin aidé de Paul qui faisait les calculs—jamais il n’en avait tant fait—rédigea le devis, qui donna un chiffre de 175 000 fr. La terrasse et la maçonnerie entraient dans la dépense prévue pour 85 000 fr.
Le père Branchu fut appelé: «C’est un homme bien comme il faut, monsieur votre père,» dit-il à Paul, lorsqu’il fut convenu qu’on commencerait dès le lendemain, «il fait travailler le monde quand on est obligé de renvoyer les ouvriers valides de partout et que les vieux comme moi, qui ne peuvent plus se battre, vont jeûner tout l’hiver. J’vas boire un bon pichet à sa santé avec Jean Godard le charpentier, qui sera rudement content tout de même!»
Le reste de la journée fut employé à mettre les cotes principales sur le plan, afin de pouvoir tracer les fouilles.
Le père Branchu, le lendemain, se trouvait sur le terrain, muni de cordeaux, de piquets, de clous, de broches, d’une grande équerre et d’un niveau d’eau quand arrivèrent Paul et son cousin, de bon matin.
«Vous voyez, dit à Paul le grand cousin, que les cotes indiquent sur ce plan les distances entre les axes des murs. Consultant ces mesures, nous allons, sur le terrain, planter ces axes à l’aide de cordeaux attachés à ce que nous appelons des broches (fig. 19), lesquelles se composent de deux piquets fichés solidement en terre et d’une traverse. La direction d’un des axes étant arrêtée suivant l’orientation qu’il nous convient de choisir, la disposition des autres axes s’ensuivra d’après les distances tracées sur le plan et les retours d’équerre.»
Le grand cousin eut bientôt fait d’arrêter la ligne d’axe A de la salle à manger et de la salle de billard, suivant l’orientation convenable. Puis, sur cette première ligne d’axe, il en fit établir une autre à angle droit, au moyen d’un petit graphomètre, laquelle fut la ligne d’axe du salon et du vestibule. Une fois ces deux lignes arrêtées, les autres furent disposées au moyen des cotes inscrites d’avance sur le plan. Les axes des murs principaux se trouvaient ainsi tracés sur le terrain par des cordeaux, attachés aux broches.
Comme on devait établir des caves sous tout le bâtiment principal, le grand cousin se contenta d’ordonner au père Branchu de fouiller tout le terrain à une distance de 1m,00 en dehors des lignes du périmètre. Deux terrassiers, avec leurs pioches, se mirent donc à tracer immédiatement la fouille. «Si vous trouvez (comme ce n’est pas douteux), dit-il aux terrassiers, de la roche à une faible profondeur et qu’elle soit de bonne qualité, vous aurez le soin de ne point la gâcher; exploitez-la comme du moellon, nous nous en servirons et nous vous payerons la fouille en conséquence. Si vous trouvez de la caillasse, faites-la sauter à la mine, et mettez de côté pour en faire usage les meilleurs morceaux. Demain ou après-demain, nous vous donnerons le plan et le profil des caves. En attendant, approvisionnez-vous de briques, de chaux et de sable; vous savez que dans ce pays-ci il est prudent de s’y prendre d’avance pour avoir ces matériaux à temps. Nous voilà en septembre et il faut que nos caves soient faites au moins avant les premières gelées.
«Ainsi donc, ajouta le grand cousin en s’adressant à Paul, au moment où ils revenaient vers la maison, je vous nomme inspecteur des travaux, et voici en quoi consistent vos fonctions: vous viendrez sur le terrain tous les matins et vous veillerez d’abord à ce que les ordres donnés devant vous soient strictement exécutés. Ainsi, vous aurez à reconnaître la quantité de moellon qu’on extraira de la fouille, à faire empiler proprement ce moellon sur 1m,00 d’épaisseur, une largeur de 2m,00 et une longueur indéfinie suivant le rendement de la carrière. Ayant ainsi chaque jour constaté l’augmentation du cube, nous serons assurés qu’il n’en sera rien détourné. Vous aurez dans votre poche un carnet sur lequel vous marquerez cette augmentation journalière, et vous ferez parafer chaque feuillet par le père Branchu. Ce n’est donc, pour le moment, qu’une surveillance; mais vos fonctions se compliqueront au fur et à mesure de l’avancement des travaux. S’il arrive des matériaux, vous reconnaîtrez la quantité soit comme nombre, si c’est de la brique, soit au cube, si c’est du sable ou de la chaux. À cet effet, je vais vous faire porter sur le chantier une de ces caisses de cantonnier qui ont 1m,00 sur 1m,00 et 0m,50c de hauteur. Chaque caisse remplie donnera donc un demi-mètre.
«Vous direz au père Branchu qu’il ait à élever une baraque en planches qui servira de magasin pour ses outils et permettra de mettre la chaux à couvert en attendant qu’on l’éteigne. Si nous avions un entrepreneur-adjudicataire ou avec lequel un marché aurait été passé, nous n’aurions pas à nous inquiéter de la quantité ou du cube des matériaux amenés sur le chantier; mais ici, nous sommes obligés d’employer les moyens élémentaires, car le père Branchu ne peut faire des avances de fonds. Nous lui donnerons les matériaux que nous achèterons ou qui proviennent de nos ressources, en compte. Vous sentez qu’il ne faut pas que ces matériaux soient détournés ou gaspillés. Nous lui payons seulement la mise en œuvre. Cela exige de notre part plus d’attention et de surveillance, mais nous sommes assurés au moins de ne pas être trompés sur la qualité des matériaux par un entrepreneur qui croirait peut-être avoir intérêt à nous fournir, s’il les achetait, de la marchandise d’une valeur inférieure à celle que nous aurions portée au devis.
«Nous nous engagerons de même avec le charpentier. Votre père m’a dit qu’il avait quelques brins de chêne coupés depuis plus de deux ans et mis en chantier près de la ferme de Noiret. Allons les voir, nous marquerons ceux qui pourront être employés. Notre plan coté nous donne les longueurs des solives des planchers.»
En passant le long du ru qui coule dans la petite vallée, le grand cousin regardait attentivement ses berges et en frappait les parois avec le bout ferré de son bâton. «Qu’est-ce que vous voyez donc là? dit Paul.—Je crois que nous trouverons ici de bons matériaux pour faire les voûtes des caves... Voyez cette pierre jaunâtre, poreuse comme une éponge. C’est un cadeau que nous fait ce cours d’eau si modeste. Il entraîne dans ses eaux du carbonate de chaux, qui vient chaque jour s’incruster sur les herbes et détritus de végétaux qui se trouvent sur ses bords et son lit. Ce ruisseau forme ainsi un tuf léger, très poreux, qui est mou et friable tant qu’il reste à l’humidité, mais qui acquiert une certaine dureté en séchant. Autrefois ce ruisseau était plus gros qu’il n’est aujourd’hui, et il me paraît avoir déposé une assez belle épaisseur de ce tuf qui apparaît sur ses rives actuelles. Prenez ce morceau et regardez-le attentivement... Vous voyez qu’il est rempli de cavités, de petites galeries cylindriques, ce sont les brindilles de végétaux autour desquelles s’est déposé le carbonate de chaux. Ces brindilles sont pourries et détruites depuis longtemps, l’enveloppe est restée et durcit à l’air. Observez comme ce moellon est léger, composé de cellules qui ne sont guère plus épaisses que des coquilles d’œuf. Cependant, essayez de l’écraser sous votre talon... Il résiste et à peine si la pression émousse ses aspérités. Eh bien, faites-le sécher, et dans huit jours il résistera bien mieux. Il faudra un bon coup de marteau pour le briser.
«Cette matière est la meilleure peut-être pour faire des voûtes, à cause de sa légèreté, de sa résistance, de ses cavités et de cette âpreté qui font que le mortier adhère si bien aux joints qu’on ne saurait l’en détacher et que le tout, suffisamment sec, semble ne former qu’une seule pièce.
«Nous enverrons deux terrassiers pour en exploiter quelques mètres. Ce n’est pas difficile; et quand ce tuf est humide sur son lit naturel, on le débite avec la plus grande rapidité en briquettes.»
On arriva bientôt à la ferme de Noiret; là, en effet, le long du mur de la grange, sous un appentis, étaient empilées des pièces de bois, grossièrement équarries et noircies par l’humidité. Le grand cousin en marqua un certain nombre avec son couteau, laissant de côté celles qui étaient torses, noueuses ou roulées.
»Qu’est-ce donc qu’une pièce de bois roulée?» dit Paul.
—Les bois roulés sont ceux dont les fibres tournent en spirale autour du cœur. Vous comprenez que les fibres du bois n’étant pas verticales et formant des spirales plus ou moins prononcées, perdent leur propriété de résistance: ces fibres, à cause du parcours qu’elles font, lequel n’est point régulier, se disjoignent et laissent entre elles de profondes gerçures. Ces bois sont donc rejetés comme défectueux, ainsi que ceux qui sont attaqués au cœur ou qui ont ce qu’on appelle des malandres, c’est-à-dire des parties malades entre leurs couches, sorte d’ulcères intérieurs qui d’abord enlèvent au bois son homogénéité de résistance et qui développent autour d’eux la pourriture. Il arrive souvent que l’on ne voie pas les malandres et qu’en peu de temps des bois de charpente qui paraissent très-sains tombent en poussière. Ces maladies cependant étant fréquentes ou rares en raison des terrains sur lesquels les bois ont poussé, il est essentiel de savoir la provenance des charpentes que l’on emploie dans les constructions. Telle forêt produit des bois de chêne admirables en apparence, mais qui pourrissent rapidement; telle autre en fournit qui sont toujours sains. En général les bois poussés dans des sols légers et secs sont bons; ceux qui viennent dans les terrains humides, argileux, sont mauvais.
«Vous ferez mettre de côté ces bois roulés et tors; ils seront bons pour faire les cintres des caves; ils ne sont propres qu’à cela ou à être brûlés. Quant à ces brins de sapin, ils serviront à faire nos échafauds.»
Il était tard, les deux compagnons demandèrent à déjeuner à la ferme. Pendant qu’on mettait la table: «Expliquez-moi donc, cousin, comment vous vous servez du graphomètre.
—Lorsqu’il s’agit d’une opération comme celle que nous venons de faire, c’est la chose du monde la plus simple. J’ai prié le père Branchu de faire porter mon instrument au château, pour ne pas en être chargé toute la matinée, mais il n’est pas besoin de l’avoir là pour vous faire comprendre comment on opère. Vous savez que le graphomètre se compose d’un cercle gradué, divisé en 360 degrés. Ce cercle, mobile sur son centre, est muni d’un niveau à bulle d’air et, au-dessus, d’une lunette, qui tous deux pivotent horizontalement sur le centre du cercle. Le niveau et l’axe de la lunette sont parfaitement parallèles au plan du cercle. On pose celui-ci sur un pied à trois branches et on établit tout d’abord le cercle horizontalement au moyen de trois vis de rappel et en faisant pivoter le niveau. Il faut que la bulle d’air soit toujours au centre sous quelque degré du cercle qu’on tourne le tube. Ceci fait, et le pied étant placé au point marqué sur le terrain,—ce qu’on vérifie au moyen d’un fil à plomb passant par le centre du plateau,—on dirige la lunette sur un point fixé et où est placée une mire. Le verre de la lunette est croisé par deux cheveux à angle droit qui en marquent le centre. Il faut que l’intersection des deux cheveux tombe sur le point que l’on vise. Mais au préalable, l’indicateur ou vernier, qui tient à la base de la lunette, est placé sur le zéro du cercle. C’est donc l’ensemble de l’instrument qu’on a fait tourner. Alors, si l’on veut, par exemple, former un angle droit sur la ligne réunissant le point où l’on est placé avec la première mire, on fait pivoter la lunette jusqu’à ce que son indicateur soit à 90 degrés (le quart du cercle). On envoie un homme avec une autre mire dans la direction de la lunette, et on fait porter cette mire à droite ou à gauche jusqu’à ce que son milieu soit exactement sur la ligne du cheveu vertical de la lunette. On fait fixer cette mire. Il est donc certain alors que la ligne tirée du point où vous êtes placé avec la seconde mire forme un angle droit avec la première ligne de base, puisque deux diamètres coupant à angle droit un cercle divisé en 360 degrés donnent 90 degrés pour chaque quart du cercle. À l’aide de cet instrument, ayant, au préalable, indiqué, sur le plan d’un bâtiment qu’il s’agit de planter, les angles que forment certaines lignes entre elles, partant d’un point, on peut donc reporter ces angles sur le terrain. Supposez qu’il s’agisse de planter un portique demi-circulaire. Ayant posé le centre et tracé le demi-cercle sur le terrain, en plaçant le graphomètre sur ce centre, vous pourrez envoyer des lignes qui couperont régulièrement cette circonférence et indiqueraient, par exemple, l’axe des colonnes ou piliers. Puisque du point A au point B vous avez 180 degrés (fig. 20), vous diviserez ces 180 degrés en autant de parties que vous voudrez sur le cercle du graphomètre, et le centre de la lunette vous donnera, à grande distance, les mêmes divisions sur le portique demi-circulaire. Par cette raison que le graphomètre sert à planter un bâtiment, il sert à relever un terrain. En effet, supposez que la base E F soit une longueur connue, que vous avez mesurée: plaçant votre instrument en E, vous visez avec la lunette un point C, soit un arbre, un clocher, un piquet; vous avez donc le nombre de degrés sur le cercle que comprend l’angle C E F. Vous reportez cet angle sur la planchette; puis transportant l’instrument sur le point F, de là vous visez ce même point C; vous obtenez de même l’angle C F E, qui, reporté sur la planchette, vous donne exactement la position du point C et la distance inconnue qu’il y a entre E et C, entre F et C; dès lors l’une ou l’autre de ces longueurs vous servent de base à leur tour, et opérant du point C et du point F, en visant un quatrième point D, vous connaissez les longueurs C D et F D. Ainsi pouvez-vous opérer sur toute une contrée; c’est ce qu’on appelle triangulation: la première opération à faire pour établir la carte d’un pays. Mais nous entrons là dans un autre domaine. Allons déjeuner!»
M. PAUL RÉFLÉCHIT
L’omelette au jambon dévorée, M. Paul demeurait silencieux.
«Eh mais, petit confrère, vous m’avez l’air de regarder quelque chose en dehors du monde réel; est-ce encore la faim qui vous donne ce regard pensif, et vous faut-il une seconde omelette?
—Non; je n’ai plus soif ni faim, mais je trouve déjà difficile de comprendre ce que vous m’expliquez avec tant de complaisance depuis quelques jours; il y a des points qui m’échappent, et je me demande si je pourrai vous être bon à quelque chose dans la construction que vous élevez. Il me semble que j’aurais beaucoup à apprendre; le peu que vous m’avez enseigné s’embrouille dans ma tête et nous n’avons pas encore mis la main à l’œuvre.
—Déjà découragé... allons donc! chaque jour suffit à sa peine, et une construction ne s’élève pas tellement vite que vous ne puissiez chaque soir augmenter peu à peu votre provision de connaissances pratiques, sans confusion.
«Tout cela se classera dans votre cerveau, car la tête est une merveilleuse boîte; plus on l’emplit, plus elle s’élargit; et chaque chose classée dans la case qui est destinée à la recevoir se retrouve toujours. La question est de bien ranger ses casiers et de n’y placer que des objets scrupuleusement étudiés et triés.
«Mais il faut tous les jours mettre au net le travail fait et ne rien laisser pour le lendemain. La besogne dont je vous charge, c’est-à-dire la constatation journalière de tout ce qui entre au chantier et de l’emploi des matériaux, ce que nous appelons les attachements, n’est qu’une question d’exactitude et de soin. L’important est de ne se point laisser déborder. Deux heures au plus vous suffiront par jour pour prendre les notes sur place. Deux autres heures pour mettre ces notes au net. Vous voyez qu’il vous restera encore trois ou quatre heures pour vous occuper des détails d’exécution et pour courir les champs.
—Est-ce que vous avez commencé à apprendre l’architecture de cette façon?
—Oh que non pas!
«En sortant du collège je suis entré chez un architecte, un patron, qui m’a fait pendant deux ans copier des dessins de monuments dont on ne m’indiquait ni l’âge, ni le pays, ni l’usage; puis passer des teintes. Pendant ce temps-là j’ai suivi des cours de mathématiques, de géométrie, de dessin d’après l’ornement. J’ai pu alors entrer à l’École des Beaux-Arts où l’on n’enseigne pas grand’chose, mais où l’on fait faire des concours pour obtenir des médailles et le grand prix, si l’on peut. Je suis resté là trois ans, total cinq. Cependant j’avais besoin de gagner ma vie, car je n’avais que juste de quoi payer mon loyer et acheter de quoi me vêtir. Il me fallait donc faire la place, c’est-à-dire travailler à tant l’heure, chez un architecte très occupé. Là, je faisais des calques, et encore des calques, puis parfois quelques détails d’exécution; Dieu sait comme! car je n’avais jamais vu exécuter la moindre partie d’une bâtisse. Mais le patron n’était pas difficile et les entrepreneurs suppléaient par leur expérience à ce qui manquait à ces détails. Voyant que tout cela ne me conduirait pas, par un court chemin, à apprendre mon métier, et ayant eu la chance d’hériter de quelques milliers de francs, je me mis à voyager, à étudier l’architecture sur les monuments bâtis, non plus sur ceux que l’on me montrait sur le papier. J’observais, je comparais, je regardais faire les praticiens, je courais voir les édifices qui croulaient, afin de reconnaître in animâ vili les causes de leur ruine.
«Au bout de cinq autres années, je savais assez mon métier pour essayer de le pratiquer. Total: dix ans; et je n’avais pas bâti une niche à chien. Un protecteur me fit entrer dans une agence des travaux de l’État, où je voyais employer des méthodes qui n’étaient guère d’accord avec les observations que j’avais pu recueillir pendant mes études sur l’architecture des temps passés. Si par hasard je me permettais à cet égard des observations, on me regardait de travers. Si bien que je ne restai pas là longtemps, d’autant plus qu’il se présentait pour moi une belle occasion d’utiliser ce que j’avais appris.
«Une grande compagnie faisait faire des constructions d’usines très importantes. Elle avait un architecte qui prétendait lui bâtir des monuments romains; cela la gênait un peu. Cette compagnie ne tenait pas essentiellement à ériger dans les plaines de la Loire des édifices rappelant la splendeur de Rome. Je fus présenté aux directeurs; ils m’expliquèrent leur programme. J’écoutai, je travaillai, comme un nègre qui travaille, à acquérir tout ce qui me manquait pour satisfaire mes clients. Je courus les usines, j’allai chez les grands entrepreneurs, j’étudiai les matériaux; enfin je fournis un premier projet qui plut, mais qui cependant ne me plairait guère aujourd’hui. On se mit à l’œuvre; l’étude assidue, la présence continuelle sur les chantiers, me donnèrent ce qui me manquait, si bien qu’on fut content de mes premiers travaux. La plupart de ces messieurs possédaient des hôtels et des châteaux. Je devins leur architecte et j’eus bientôt ainsi une belle clientèle et plus de travaux que je n’en pouvais faire, d’autant que je crois qu’il faut toujours étudier, raisonner, améliorer, et, à ce compte, plus on avance, plus on trouve devant soi des difficultés.
—Alors, comment est-ce qu’on étudie l’architecture?
—Mais comme cela... en en faisant... Du moins jusqu’à présent en France n’emploie-t-on pas d’autre méthode, et peut-être est-ce la meilleure.
—Mais comment apprennent à construire ceux qui ne vont pas, comme vous l’avez fait, courir le monde, et qui suivent l’enseignement habituel?
—Ils n’apprennent pas à construire. On ne leur apprend qu’à concevoir et projeter des monuments inexécutables, sous le prétexte de conserver les traditions du grand art; et quand ils sont las de mettre ces conceptions sur le papier, on leur donne une place dans une agence, où ils font ce que vous allez faire, seulement ils le font avec dégoût, parce qu’ils visaient bien autre chose.
—Mais, en commençant comme je vais commencer, est-ce que je pourrais ensuite étudier la... comment dirais-je?
—La théorie, l’art, en un mot? Certes, vous le pourrez beaucoup plus facilement, car le peu de pratique que vous aurez acquis en bâtissant une maison, ou en la voyant bâtir des fondations au faîte, vous permettra de comprendre bien des choses qui, sans la pratique, sont inexplicables dans l’étude de l’art. Cela vous donnera l’habitude de raisonner et de vous rendre compte de certaines formes, de certaines dispositions commandées par les nécessités de la pratique. Formes et dispositions qui paraissent être de pures fantaisies aux yeux de ceux qui n’ont aucune idée de ces nécessités.
«Comment apprend-on à parler aux enfants? Est-ce en leur expliquant les règles de la grammaire à l’âge de trois ans? Non, c’est en leur parlant et en les obligeant à parler pour exprimer leurs désirs ou leurs besoins. Quand ils parlent comme vous et moi, à peu près, on leur explique le mécanisme et les règles du langage, et alors ils peuvent écrire correctement. Mais avant d’apprendre par suite de quelles lois les mots doivent être placés, et comment on doit les écrire pour composer une phrase, ils connaissaient la signification de chacun d’eux.
«Si en France nous n’avions pas, sur l’enseignement, les idées les plus singulières, nous commencerions, lorsqu’il s’agit de l’étude de l’architecture, par le commencement et non par la queue. Nous donnerions aux jeunes gens ces méthodes pratiques élémentaires de l’art de bâtir, avant de leur faire copier le Parthénon ou les thermes d’Antonin Caracalla qui, à défaut de ces premières notions pratiques, ne sont pour eux que des images; nous formerions ainsi ces jeunes esprits à raisonner et à reconnaître tout ce qui leur manque, au lieu d’exciter leur vanité naissante par des exercices purement théoriques ou d’art, alors qu’ils ne peuvent se rendre compte des formes qu’on leur donne comme des modèles.
—Une maison comme celle que nous allons construire est, il me semble, bien peu de chose; et une pareille construction ne peut guère fournir les renseignements qui doivent être nécessaires, si on élève un grand monument?
—Ne croyez pas cela, petit cousin: la construction, en dehors de certaines connaissances scientifiques et pratiques que vous pourrez étudier à loisir, n’est autre chose qu’une méthode, qu’une habitude de raisonner, qu’une obéissance aux règles du bon sens. Encore faut-il avoir du bon sens et le consulter. Malheureusement il est une école d’architectes qui dédaigne cette faculté naturelle, en prétendant qu’elle entrave l’inspiration... car nous avons parmi nous des fantaisistes, comme il s’en trouve dans les lettres et chez les peintres ou les sculpteurs; mais si la fantaisie est permise aux gens de lettres et aux artistes, car elle ne fait de tort à personne, en architecture c’est autre chose; elle coûte cher, et c’est vous et moi qui payons. Nous avons dès lors le droit de la trouver au moins inopportune. Il faut tout autant exercer les facultés du raisonnement et recourir au bon sens pour élever une maison que pour construire le Louvre, de même que l’on peut montrer du tact et de l’esprit dans une lettre aussi bien que dans un gros volume.
«La valeur de l’architecte ne s’estime pas par la quantité de mètres cubes de pierre qu’il met en œuvre. La grosseur du monument ne fait rien à l’affaire.
—Ainsi vous admettez qu’il faut autant de mérite pour bâtir une petite maison que pour élever un vaste palais?
—Je ne dis pas cela; je dis que les facultés, la raison, la juste mesure, l’exacte appréciation des éléments disponibles et leur bon emploi, se manifestent aussi bien dans la construction de la maison la plus modeste que dans l’édification du plus magnifique monument.
—Je pourrai donc apprendre beaucoup en suivant la construction de la maison de ma sœur?
—Certainement: 1º parce qu’on apprend beaucoup quand on a la volonté d’apprendre; 2º parce que, dans une maison comme dans le plus vaste des palais, il vous faudra voir passer devant vos yeux tous les corps d’état, depuis le terrassier jusqu’au peintre décorateur. Que le menuisier fasse vingt portes ou deux cents, si vous voulez bien vous rendre compte de la manière de faire une porte, de la ferrer et de la poser, une seule suffit, il n’est pas besoin que vous en voyiez mille.
—Mais cependant nous ne ferons pas ici, par exemple, des portes comme celles qui ferment les appartements d’un souverain?
—Non; mais le principe de structure est ou doit être le même pour les unes comme pour les autres, et c’est quand on s’écarte de ces principes que l’on tombe dans la fantaisie et les non-sens. Quand vous saurez comment se fait une porte de menuiserie, vous verrez que sa structure tient à la nature de la matière employée: le bois, et à la destination. Après cela vous pourrez étudier comment les maîtres se sont servis de ces éléments et comment (sans sortir du principe) ils ont produit des œuvres simples ou très riches; vous pourrez faire comme eux, si vous avez du talent, et chercher des applications nouvelles. Mais avant tout, faut-il savoir comment se fabrique une porte et ne pas copier au hasard, avant ces premières connaissances pratiques, les formes diverses qui ont été adoptées, bonnes ou mauvaises.»
Paul resta pensif tout le reste du jour; il était évident qu’il entrevoyait de grosses difficultés et que la construction de la maison de sa sœur prenait, dans son esprit, des proportions inquiétantes. Rentré au château, il regardait les portes, les fenêtres, les boiseries, comme s’il n’eût jamais rien vu de pareil, et plus il regardait, plus cela lui paraissait embrouillé, compliqué, difficile à comprendre. Il ne s’était jamais demandé par quels artifices ces morceaux de bois s’assemblaient, se tenaient ensemble, et ne trouvait guère de solutions satisfaisantes aux questions qu’il s’adressait à lui-même.
M. PAUL, INSPECTEUR DES TRAVAUX
«Allez voir, mon cher Paul, où en sont les fouilles, ce matin, dit le grand cousin, le surlendemain de la visite sur le terrain, et vous m’en rendrez compte. Emportez avec vous un mètre et un carnet; vous prendrez des notes et mesures sur ce qui est fait. Vous examinerez le terrain et me direz si l’on trouve des bancs de pierre près de la surface du sol, ou si les terres meubles sont profondes. Pendant ce temps-là je vais esquisser le plan des caves. Mais prenez le calque du plan du rez-de-chaussée de la maison, et, sur ce plan, vous me marquerez ce que l’on a commencé à fouiller et ce que l’on trouve. Ça ne doit pas être bien avancé; mais cependant des déblais seront déjà faits puisque j’ai dit au père Branchu de mettre autant de terrassiers qu’il en pourrait trouver, afin de nous conformer aux intentions de votre père.»
Un peu embarrassé de ses nouvelles fonctions, M. Paul arriva bientôt sur le terrain. Aidé du père Branchu, il prit les mesures des fouilles, indiqua comme il put les profondeurs et nota les points où on trouvait le roc et les terres meubles. Cela lui prit deux bonnes heures.
«Eh bien, dit le grand cousin, quand on fut installé dans le cabinet de travail, après déjeuner, voilà le plan des caves (fig. 21). Voyons un peu comment cela va s’arranger avec ce que vous avez trouvé sur place, et si nous devons faire des modifications à ce plan. Bon, le roc est presque à fleur du sol vers le sud, et les terres meubles atteignent assez régulièrement une profondeur de 3 mètres vers le nord de nos bâtiments. Nous allons donc asseoir les caves sous le salon, la salle à manger et la salle de billard, à même le roc calcaire, en taillant celui-ci, et nous fonderons les parties antérieures, et notamment celles du bâtiment des écuries et remises, sur une bonne maçonnerie.
«Voici (fig. 21) le plan des caves; vous voyez ces lignes d’axes, elles indiquent les axes des murs à rez-de-chaussée et ne devront plus varier. Les cotes d’épaisseur des murs sont écrites, partant toujours de ces axes. Aussi, voyez-vous que ces cotes sont plus fortes là où le mur de cave doit porter la retombée des berceaux de caves, conformément à ce que je vous ai expliqué l’autre jour.
«Nous avons un petit cours d’eau qui va alimenter les services de la maison, au moyen d’un réservoir que nous placerons le plus haut possible. Nous n’avons pas encore fait le nivellement; mais, à vue de nez, j’estime, en raison des chutes de ce ruisseau et de la rapidité de son cours, qu’à 100 mètres de la maison le réservoir approvisionnera l’eau de façon que celle-ci puisse arriver par des conduits au niveau du premier étage. C’est à vérifier. Autrement nous aurons recours à une pompe mue par un manège ou un moulin à vent. Nous conduirons ensuite ce cours d’eau dans un égout, le long des murs nord de la maison, ainsi que vous le voyez en A, de telle sorte que cet égout recueille les eaux ménagères de la maison par un conduit B et reçoive les chutes des water-closets en C, en D et en E. L’eau courante entraînera ainsi ces immondices dans un bassin que nous établirons en contre-bas dans le potager. Car ces eaux reposées sont excellentes pour arroser, ne vous en déplaise, les légumes.
«Sur le plan, j’ai indiqué en G les profils[42] des berceaux de caves. Celles-ci auront 1m,50c jusqu’à la naissance des voûtes, et les berceaux auront 1m,50c de flèche.
Ces caves auront donc sous clef 3 mètres, ce qui est très beau, d’autant que le terrain est sec. On pourra donc utiliser ces caves, non seulement pour y placer les vins, mais des légumes, un garde-manger, etc. Le sol de notre rez-de-chaussée étant à 1m,50c au-dessus du sol extérieur, il nous sera facile d’aérer ces caves par des soupiraux, ainsi que je l’ai marqué en H.
On y descendra par l’escalier droit situé près de la buanderie et par l’escalier de service compris dans la tourelle. L’escalier droit servira pour descendre les provisions, et l’escalier à vis pour monter dans l’office les vins et autres choses.
«Avez-vous vu si le père Branchu a eu le soin de faire ranger régulièrement les matériaux extraits des fouilles?
—Oui; il n’a trouvé jusqu’à présent que des plaquettes de ce qu’il appelle de la caillasse, mais il les fait empiler et m’a dit que ce serait bien bon pour faire les murs de fondation.
—Il a raison; cette caillasse est sujette à geler à l’air libre, mais elle est dure et se comporte bien dans des caves; puis, elle permet une bonne maçonnerie parce qu’elle est litée, c’est-à-dire qu’elle est naturellement extraite en petits bancs parallèles de 10 à 15 centimètres d’épaisseur.
—C’est bien ce qu’il m’a dit; mais il a ajouté que cela mange beaucoup de mortier, et je n’ai pas bien compris ce qu’il entendait par là.
—En effet, plus les moellons sont minces, plus ils exigent de lits de mortier entre eux; mais si vous avez observé ces plaquettes, vous avez vu qu’elles sont extrêmement rugueuses et criblées de cavités sur leurs surfaces de délits. Il faut que le mortier soit donc abondant entre chaque lit, pour bien remplir ces rugosités et cavités; et c’est en cela même que cette maçonnerie, quand on n’économise pas le mortier, est excellente; ces surfaces rugueuses adhèrent à ce mortier bien mieux que ne peuvent le faire des surfaces lisses; elles font corps avec lui, et bientôt l’ensemble ne forme qu’une masse. Mais il faut ne pas épargner la chaux et le sable, et c’est ce qui fait dire au père Branchu que ce moellon mange beaucoup de mortier.
—Le père Branchu a dit aussi qu’il trouvait de la pierre bonne pour faire de la chaux, sur les bancs calcaires propres à bâtir, et demande s’il faut la mettre de côté.
—Certainement; si le chaufournier du Moulin ne peut nous fournir de la chaux, nous en ferons; ce n’est pas difficile, puisque nous avons des fagots en quantité provenant des dernières coupes.
—Le père Branchu m’a aussi demandé où il fallait transporter les déblais.
—Vous lui direz, demain matin, qu’il les dépose en cavaliers[43] à la droite et à la gauche des fouilles; nous en aurons besoin pour niveler les abords de la maison.
—Qu’est-ce qu’un cavalier?
—C’est une éminence factice que l’on dispose suivant une épaisseur et une hauteur régulières, de manière à pouvoir en prendre facilement le cube. Ainsi, quand on fait les déblais à la brouette—et c’est, vous l’avez vu, le moyen que nous employons—on trace la surface que doit occuper ce cavalier sur le sol: soit en A B (fig. 22) comme longueur et C D comme largeur. Cela fait, le point B étant le plus éloigné de celui où le déblai s’opère, les brouetteurs disposent les premières terres en B, laissant une inclinaison au remblai assez douce pour que les brouettes puissent être poussées pleines sans trop de peine.
Ainsi obtiennent-ils peu à peu un remblai A E B. Alors, du milieu F, moitié de la pente A E, ils laissent un chemin a b de 1m,50c de largeur pour le va-et-vient des brouettes, puis ils remblayent le triangle A G F par couches inclinées. Ils terminent en remplissant le triangle G F E. Reste le chemin g D h i à remplir, ce que font les pelleteurs, au fur et à mesure de l’apport des terres sur ce chemin même.
Le cavalier étant ainsi parfaitement régulier, ses pentes sont données par la terre coulante, c’est-à-dire qu’elles forment avec l’horizon des angles de 40° environ, suivant la nature du remblai. Le cavalier étant achevé et ayant, je suppose, 10 mètres à mi-hauteur, de l en m, et 4 mètres à mi-hauteur de sa largeur de n en b, en multipliant 10 mètres par 4 mètres on obtient 40 mètres de surface à ce niveau moyen. Multipliant ce chiffre par 2 mètres, hauteur du cavalier, nous trouvons 80 mètres cubes. Vous savez donc ainsi que vous avez remué cette quantité de terre, et par conséquent ce que vous avez à payer, si c’est au mètre cube que vous faites vos déblais et remblais, ou à quel prix vous revient le mètre cube de terre remuée, si c’est à la journée que vous faites le travail.
—Alors ce cube donne celui de la fouille?
—Pas tout à fait. La terre comprimée, tassée sur le sol naturel, cube moins que celle qui a été remuée et qui laisse entre les matières du remblai beaucoup de vides. On dit alors que la terre enlevée foisonne plus ou moins. Le sable de mer ne foisonne pas, tandis qu’une terre caillouteuse mêlée de détritus végétaux foisonne beaucoup. Il faut donc, dans vos attachements, tenir compte du vide de la fouille pour avoir le cube de la terre enlevée et cuber les cavaliers pour connaître, quand nous les utiliserons, la masse de terre que nous aurons à transporter ailleurs.
«Vous allez maintenant mettre ce plan des caves à une échelle de 2 centimètres par mètre, afin de pouvoir écrire et attacher bien lisiblement les cotes; puis, je vous indiquerai sur ce plan les points où il faudra poser des libages.
—Qu’est-ce que c’est que des libages?
—On désigne ainsi la pierre de taille que l’on place en fondation et qui n’est taillée que sur ses lits, c’est-à-dire qui ne présente pas de parements vus. Une pierre de taille possède toujours deux lits, qui sont ses surfaces horizontales; un ou plusieurs parements, qui sont les surfaces vues, et ses joints, qui sont les surfaces séparatives. Ainsi, supposons une pierre d’angle, portant pilastre et ayant la forme que je vous indique ici (fig. 23); les surfaces a b c d e f, g h i j k l sont les lits supérieur et inférieur. Les surfaces a l b g, b g c h, c d h i, d e i j, sont les parements vus, et les surfaces e f j k, a f k l sont les joints: les pierres voisines venant toucher ces surfaces.
Or vous sentez que, quand on place des pierres sous le sol, en fondation, il n’est pas nécessaire de tailler des parements qui ne seraient visibles que pour les taupes.
On fait donc l’économie de cette taille; c’est-à-dire qu’on laisse la pierre brute sur ses faces verticales et qu’on ne taille que les lits de pose.
On choisit pour ces libages des pierres solides, résistantes aux charges, mais qui peuvent être d’ailleurs très grossières de pâte et même sensibles à la gelée ou gélives, comme nous disons, et qui ne pourraient être employées à l’air sans inconvénients; sous terre, ces pierres sont préservées de l’action de la gelée.
Mais il faut avoir le soin, plus encore pour ces pierres que pour celles en élévation, de les bien placer suivant leur lit[44] de carrière et suivant leur position stratifiée naturelle; autrement elles pourraient se briser ou s’écraser sous la charge des maçonneries supérieures.
Quand notre plan sera fait, nous indiquerons par une couleur particulière les parties où nous demanderons que l’on pose des libages.
Ce seront les angles, les jonctions de murs qui reçoivent les charges relativement les plus considérables.
Entre ces libages, la maçonnerie sera élevée simplement en moellons.
«Le sol étant bon, nous nous contenterons de fonder à 50 centimètres seulement au-dessous de l’aire des caves. Mais, dès que nous aurons atteint ce niveau, les pierres de taille auront nécessairement des parements vus dans ces caves; ces matériaux ne seront plus des libages, mais des pierres de taille. Nous ne prendrons pas les plus belles et les plus fines, mais les plus résistantes à la charge, et qui dans cette contrée-ci sont les plus grossières d’aspect. Nous mettrons de la pierre de taille dans nos caves, aux angles, aux jambages[45] des portes et des soupiraux, aux noyaux des escaliers.
«Mais vous avez assez de besogne pour aujourd’hui et demain matin... Ah! j’oubliais! Si le père Branchu rencontre des sources ou pleurs qui le gênent, prévenez-m’en, parce que nous établirons tout de suite les égouts pour les recueillir. Cela nous fixera sur le niveau à donner au radier de notre collecteur.
—Qu’est-ce qu’un radier?
—C’est la partie d’un canal, d’une écluse ou d’un égout sur laquelle l’eau coule; c’est le fond, qui doit être établi assez ferme et solide pour que la force du courant ne l’affouille pas. Il faut donc faire les radiers des égouts en bonnes pierres plates, ou, ce qui vaut mieux encore, en ciment hydraulique quand on peut s’en procurer, parce que l’eau trouve le moyen de passer entre les joints des pierres, tandis que si le ciment est bien employé, il ne forme, sur toute la longueur du canal, qu’une masse homogène parfaitement étanche. On a le soin, d’ailleurs, de donner au radier d’un égout une coupe légèrement concave se raccordant, sans angles, aux parois; car l’eau profite des angles pour opérer son œuvre de destruction. Puis ceux-ci, lorsqu’on veut curer les canaux souterrains, ne se nettoient pas facilement. La meilleure forme à donner à un égout est celle-ci en coupe (fig. 24).»
M. PAUL COMMENCE À COMPRENDRE
Malgré les nouvelles de la guerre qui, chaque jour, prenait un caractère plus menaçant, M. de Gandelau tenait à ce que les travaux ne fussent pas interrompus, et les habitants du château trouvaient dans l’exécution des projets dressés par le grand cousin et M. Paul, une distraction utile aux tristes préoccupations qui les assiégeaient.
Le soir, après la lecture du journal qui enregistrait, hélas! désastres sur désastres, chacun demeurait silencieux, les yeux attachés sur le foyer; mais bientôt, faisant un effort de volonté, M. de Gandelau demandait où en était la maison. C’était Paul, en sa qualité d’inspecteur des travaux, qui rendait compte des opérations du jour, et il commençait à s’occuper de cette tâche avec assez d’exactitude et de clarté. Il montrait ses carnets d’attachements qui, grâce aux corrections du grand cousin, n’étaient pas trop mal rédigés, et qui, à l’aide d’un résumé journalier, indiquaient les dépenses faites.
Le sol fouillé avait fourni jusqu’alors assez de matériaux pour qu’il n’eût pas été nécessaire d’en faire venir des carrières voisines. Vers le 15 septembre, on voyait déjà les murs des caves se dessiner dans la fouille, et il était temps de songer aux soubassements extérieurs en élévation et aux voûtes des caves, pour la construction desquelles il fallait des cintres en bois. Le charpentier fut donc invité à faire venir des scieurs de long pour débiter des troncs de peupliers qui, coupés depuis quelque temps, étaient tenus en réserve. La meilleure partie du bois fut sciée en planches minces pour faire de la volige qui serait employée en son temps, et les dosses, c’est-à-dire les parties voisines de l’écorce, furent disposées pour faire les cintres des caves. Comme les plans ne donnaient que deux berceaux dont les arcs fussent différents, les épures furent bientôt faites, et le charpentier prépara ces cintres qu’on mit au levage au moment où les murs des caves atteignaient le niveau des naissances des voûtes. Ces cintres furent taillés conformément à la figure 25, c’est-à-dire composés, chacun, d’un entrait A, d’un poinçon B, de deux arbalétriers C, et de moises D, qui vinrent pincer les courbes formées de dosses de peuplier clouées, comme il est tracé en E, et fixées en G et en H sur le poinçon, au moyen d’une entaille F, et sur l’entrait par une broche de fer. Sur ces cintres portés sur des chevalets K, et espacés l’un de l’autre de 1m,50c, on posa des couchis[46], c’est-à-dire des madriers L de 8 centimètres d’épaisseur, pour recevoir les voûtes que l’on fit en tuffeau exploité le long du ru, et auxquelles on donna 20 centimètres d’épaisseur, avec bonne chappe de mortier par-dessus. Il fallut ménager dans les reins de la voûte les pénétrations des soupiraux, travail qui donna beaucoup de mal à Paul, ou plutôt qu’il eut quelque peine à comprendre et à rapporter sur ses attachements; car, pour le père Branchu, il ne parut pas s’inquiéter beaucoup de cette besogne.
«Je sais qu’il est bon nombre de personnes très disposées à souffrir une gêne de chaque jour pour avoir le vain plaisir de montrer au dehors des façades régulières et monumentales; mais je crois que madame votre sœur n’est point de ces personnes-là, et c’est pourquoi je n’ai pas hésité à procéder suivant ce que je crois être la loi du sens commun, lorsque nous avons fait les projets de son habitation. Avec son sourire tranquille et un peu ironique, je la vois me demander:
«Pourquoi donc, cher cousin, m’avez-vous percé dans cette petite pièce une si grande fenêtre? Il faudra en boucher la moitié...» Ou: «Pourquoi ne m’avez-vous pas ouvert une baie de ce côté, où la vue est si jolie?...»
«Si je lui répondais que ç’a été pour satisfaire aux règles de la symétrie, son sourire pourrait bien passer au rire le plus franc et, in petto, peut-être penserait-elle que monsieur son cousin est un sot avec ses lois de symétrie.
—Hélas! dit M. de Gandelau, ils sont trop nombreux dans notre pays ceux qui font avant tout passer les questions de vanité, et c’est bien une des causes de nos malheurs. Paraître est la grosse affaire, et tel petit bourgeois retiré qui se fait bâtir une maison de campagne veut avoir ses tourelles régulièrement disposées aux angles d’un bâtiment symétrique, mais dans lequel il est fort mal logé, et entend-il qu’on appellera cette bâtisse incommode... le château, et sacrifiera-t-il le bien-être intérieur à la satisfaction de montrer au dehors de mauvaises sculptures de plâtre, des ornements de zinc sur les toits et quantité de colifichets que tous les printemps il faudra remettre à neuf. Faites-nous donc, cher cousin, une bonne maison, bien abritée contre le soleil et la pluie, bien sèche en dedans, et où rien ne soit donné à ce luxe de mauvais aloi, mille fois plus offensant encore dans nos campagnes qu’il ne l’est à la ville.»
LA CONSTRUCTION EN ÉLÉVATION
«Il est entendu que nous élevons nos murs extérieurs en pierre de taille et moellon piqué,» dit le grand cousin pendant qu’on arrasait le rez-de-chaussée. «Nous avons sur le sol une bonne partie des matériaux. Pour les pierres de grand échantillon, nous les ferons venir des carrières du Blanc, qui ne sont qu’à quelques kilomètres d’ici. Nos angles, nos tableaux de portes et de fenêtres, nos bandeaux, corniches, lucarnes et rampants de pignons, seront faits en pierre de taille. Commençons par les angles; voici comment vous allez donner l’appareil au père Branchu, c’est bien simple. En ce pays, on débite les pierres d’échantillon, c’est-à-dire que les carrières les envoient d’après une mesure donnée d’avance, et le prix est d’autant moins élevé par cube que ce débit est plus uniforme et facile. Or, nos murs, dans la hauteur du rez-de-chaussée, ont 0m,60c d’épaisseur: donc (fig. 30), soit A un angle; vous demanderez toutes les pierres pour les élever, du même échantillon, ayant 0m,85c de long sur 0m,60c de large, et une hauteur moyenne de 0m,46c, qui est la hauteur la plus ordinaire des carrières du pays. Et ces pierres d’angles seront posées ainsi que je vous le marque ici, l’une a b c d, l’autre au dessus a e f g, d’où il résultera que chaque pierre formera alternativement d’un côté et de l’autre une harpe[48] de 0m,25c. Le moellon smillé ayant une hauteur de banc de 0m,15c environ, nous aurons trois rangs de ce moellon dans la hauteur de chaque assise de pierre, et la construction se montera comme nous l’indique le tracé perspectif B. Entre le socle et le bandeau du premier étage, nous avons 4m,20c; donc neuf assises de pierre, plus les lits, feront la hauteur. Voyons comment nous allons disposer nos tableaux de fenêtres. Il faut songer à placer les persiennes, dont, à la campagne, on ne saurait se passer et qui, développées sur les façades, produisent un fâcheux effet, se détériorent très promptement et sont embarrassantes lorsqu’il s’agit de les fermer ou de les ouvrir, en imposant aux habitants une gymnastique dont on se passerait volontiers. Il faut des ébrasements intérieurs suffisants pour que les croisées n’affleurent pas les murs et laissent un espace entre elles et les rideaux. Nos fenêtres les plus larges ont 1m,26c entre tableaux; nos murs à rez-de-chaussée ont 0m,60c d’épaisseur; nous ne pouvons donc ranger les persiennes dans les tableaux qu’à la condition de diviser chacun de leurs vantaux on deux ou trois feuilles. Seules, les persiennes faites de lames de tôle nous permettront d’obtenir ce résultat, parce que trois lames de tôle repliées sur elles-mêmes n’ont qu’une épaisseur, y compris les vides laissés par le jeu des charnières de 0m,05c.
«Il est nécessaire aussi que nous sachions comment nous ferons les planchers. À Paris, aujourd’hui, on fait tous les planchers en fer à double T, et, pour des portées de 5 à 6 mètres, on prend du fer de 0m,12c à 0m,14c de section verticale. On hourde ces fers espacés de 0m,70c environ et réunis de mètre en mètre par des entretoises en fer carré de 0m,018, par des remplissages en plâtras[50] noyés dans du plâtre; cela est bon assurément, mais nous n’avons ici ni de ces fers que l’on se procure aisément dans les grands centres, ni ce plâtre de Paris dont on abuse peut-être dans la capitale, mais qui n’en est pas moins une excellente matière lorsqu’elle est bien employée, à l’intérieur surtout. Il nous faut faire des planchers en bois. Mais je vous ai dit déjà que les bois qui n’ont pas longtemps été lavés et qui n’ont guère que deux ans de coupe, se pourrissent très rapidement lorsqu’ils sont enfermés, principalement dans leurs portées, c’est-à-dire à leurs extrémités engagées dans les murs. Il faut, pour que nos planchers ne nous donnent pas d’inquiétudes sur leur durée, que nous laissions ces bois apparents et que nous ne les engagions pas dans les murs. Nous adopterons donc le système des lambourdes[51] appliquées aux murs, pour recevoir les portées des solives, et, comme nous possédons des bois de brin, nous nous contenterons de les laver à la scie sur deux faces et nous les poserons sur la diagonale ainsi que je vous l’indique ici (fig. 32). Pour des portées de cinq à six mètres qui sont les plus grandes que nous ayons, des bois carrés de 0m,18c seront suffisants. Si nous jugeons qu’ils ne le soient pas, nous poserons une poutre intermédiaire; ce sera à voir. Ces solives posées sur leur diagonale ont d’ailleurs leur maximum de résistance à la flexion. Nous les espacerons d’axe en axe de 0m,50c. Leurs portées reposeront dans les entailles pratiquées dans les lambourdes, ainsi que je le marque en A, et les entrevous[52], qui sont les intervalles entre les solives, seront faits en briques posées de plat, hourdées en mortier et enduites. On peut décorer ces plafonds de filets peints qui les rendent légers et agréables à la vue (voir en H et fig. 32 bis). Ces solives, ainsi posées, ne donnent pas des angles rentrants difficiles à tenir propres et entre lesquels les araignées tendent leurs toiles. Un coup de tête de loup nettoie parfaitement ces entrevous.
«Quant aux lambourdes B, appliquées contre le mur, comme vous l’indique la section C, elles seront maintenues en place par des corbelets D espacés de 1m,00 au plus et par des pattes à scellement I pour empêcher le dévers de ces bois. Cela nous tiendra lieu de ces corniches traînées en plâtre, qui ne sont bonnes à rien et que nous ne pourrions faire exécuter convenablement ici, où les bons ouvriers plâtriers font défaut. Quand il faudra supporter des cloisons supérieures, nous poserons une solive exceptionnelle dont je vous trace la section en E composée de deux pièces a et b, avec un fer feuillard entre deux, le tout serré par des boulons d de distance en distance. Ces sortes de solives sont d’une parfaite rigidité.
«Les solives posant sur des lambourdes, nous n’avons pas besoin de nous préoccuper des baies, mais il nous faudra des chevêtres[53] au droit des tuyaux de cheminée et sous les âtres, et, pour recevoir ces chevêtres, des solives d’enchevêtrure[54]. Vous comprenez bien qu’on ne saurait sans danger poser des pièces de bois sous des foyers de cheminée. Alors, on place des deux côtés des montants[55] de ces cheminées, à une distance de 0m,30c des âtres, des solives plus fortes qui reçoivent à 0m,80c ou 0m,90c du mur, pour franchir la largeur du foyer, une pièce qu’on appelle chevêtre, dans laquelle viennent s’assembler les solives.
Tout cela, il ne faut pas le dissimuler, paraissait quelque peu étrange à Paul, habitué à l’immuable plafond uni et blanc, et qui ne s’était jamais douté que ces surfaces planes puissent masquer une pareille ossature.
DE QUELQUES OBSERVATIONS ADRESSÉES AU GRAND COUSIN PAR M. PAUL ET DES RÉPONSES QUI Y FURENT FAITES
Paul, la tête penchée sur le papier couvert de croquis, les mains entre ses genoux, ne laissait pas de penser, à part lui, que son cousin noircissait beaucoup de papier pour faire des plafonds, lesquels lui avaient toujours semblé la chose du monde la plus simple et la moins susceptible de complications. Entre une feuille de papier blanc tendue sur une planche et un plafond, M. Paul ne faisait guère la distinction, dans son esprit. Aussi, quand le grand cousin lui eut répété la formule: «Comprenez-vous bien?» Paul hésita quelque peu, dit: «Je crois que oui!» et ajouta après une pause:
«Mais, cousin, pourquoi ne pas faire des planchers et plafonds comme partout?
—Cela vous semble compliqué, mon ami, répondit le grand cousin, et vous voudriez simplifier la besogne.
—Ce n’est pas tout à fait cela, reprit Paul, mais comment fait-on ordinairement; est-ce qu’on emploie tous ces moyens? Je n’ai pas vu ce que vous appelez les lambourdes, et les solives d’enchevêtrure, et les chevêtres, et les corbeaux dans aucun des plafonds de ma connaissance; alors, on peut donc s’en passer?
—On ne se passe de rien de tout cela dans les plafonds faits de charpente, mais on le cache sous un enduit de plâtre; et, comme je vous le disais, cette enveloppe de plâtre est une des causes de la ruine des planchers de bois. Dans tous ces planchers, il y a des solives d’enchevêtrure et des chevêtres au droit des tuyaux de cheminée et des âtres; il y a aussi parfois des lambourdes; tout cela est relié à force de ferrements, pour se tenir entre deux surfaces planes ayant entre elles le moins d’épaisseur possible. À Paris, où les maisons sont bien sèches, ce mode passe encore; mais à la campagne, on peut difficilement se soustraire à l’humidité; ces sortes de planchers enfermés risquent de tomber bientôt en pourriture. Il faut aérer les bois, je vous le répète, pour les conserver longtemps. Cette anatomie du plancher de bois existe dans tous ceux que l’on construit avec ces matériaux, seulement vous ne la voyez pas. Or il est bon, en architecture, de se servir des nécessités de la construction comme d’un moyen décoratif, d’accuser franchement ces nécessités. Il n’y a pas de honte à les faire voir, et c’est une marque de bon goût, de bon sens et de savoir, de les montrer en les faisant entrer dans la décoration de l’œuvre. À vrai dire même, il n’y a, pour les gens de goût et de sens, que cette décoration qui soit satisfaisante, parce qu’elle est motivée.
«On s’est habitué en France à juger tout, et les choses d’art par-dessus tout, avec ce qu’on appelle: le sentiment. Cela est commode pour une certaine quantité de personnes qui se mêlent de parler sur les choses d’art sans avoir jamais tenu ni un compas, ni un crayon, ni un ébauchoir ou un pinceau, et les gens du métier se sont peu à peu déshabitués de raisonner, trouvant plus simple de s’en rapporter aux jugements de ces amateurs qui noircissent des pages pour ne rien dire, mais flattent par-ci par-là le goût du public en le faussant. Peu à peu, les architectes eux-mêmes, qui sont de tous les artistes ceux qui ont plus particulièrement à faire intervenir le raisonnement dans leurs conceptions, ont pris l’habitude de ne se préoccuper que des apparences et de ne plus tenter de faire concorder celles-ci avec les nécessités de la structure. Bientôt, ces nécessités les ont gênés; ils les ont dissimulées si bien, que le squelette d’un édifice, dirai-je, n’a plus été en concordance avec l’enveloppe qu’il revêt. Il y a la structure qu’on abandonne souvent à des entrepreneurs qui s’en tirent comme ils peuvent, mais naturellement en obéissant à leurs intérêts, et la forme qui s’applique tant bien que mal à cette structure. Eh bien, nous ne suivrons point cet exemple, si vous le permettez, et nous ferons une bâtisse, si modeste qu’elle soit, dans laquelle on ne pourra trouver un détail qui ne soit la conséquence soit d’une nécessité de la structure, soit des besoins des habitants. Il ne nous en coûtera pas plus, et, la chose finie, nous dormirons tranquilles, parce que nous n’aurons rien de caché, rien de factice, rien d’inutile, et que l’individu-édifice que nous aurons bâti nous laissera toujours voir ses organes et comment ces organes fonctionnent.
—Comment se fait-il, alors, reprit Paul, que tant d’architectes ne montrent pas, ainsi que vous voulez le faire ici, ces... nécessités de la construction, les dissimulent, et... pourquoi agissent-ils de la sorte? qui les y oblige?
—Ce serait bien long de vous expliquer cela...»
M. de Gandelau entra sur ces derniers mots de la conversation...
«Nous avons des nouvelles de plus en plus mauvaises, dit-il, les armées allemandes se répandent partout; il faut nous attendre à voir ici les ennemis. Pauvre France! Mais que disiez-vous?
—Rien, répondit le grand cousin, qui ait de l’intérêt, en présence de nos désastres... Je cherchais à faire comprendre à Paul qu’en architecture, il ne faut dissimuler aucun des moyens de structure, et qu’il est même dans l’intérêt de cet art de s’en servir comme de motifs de décoration; en un mot, qu’il faut être sincère, raisonner et ne se fier qu’à soi...
—Certes! reprit M. de Gandelau, vous mettez le doigt sur notre plaie vive... Raisonner, ne se fier qu’à soi, se rendre compte de chaque chose et de chaque fait par l’étude et le travail, ne rien livrer au hasard, tout examiner, ne rien dissimuler à soi-même et aux autres, ne pas prendre des phrases pour des faits... ne pas se croire abrités par la tradition ou la routine... Oui, voilà ce qu’il eût fallu faire... Il est trop tard. Et qui sait si, après les malheurs que je prévois, notre pays retrouvera assez d’élasticité, de patience et de sagesse pour laisser là le sentiment et s’en tenir à la raison et au travail sérieux! Tâchez d’apprendre à Paul à raisonner, de l’habituer à la méthode, de lui donner l’amour du travail de l’esprit; qu’il soit architecte, ingénieur, militaire, industriel ou agriculteur comme moi, vous lui aurez rendu le plus grand service. Surtout, qu’il ne devienne pas un demi-savant, un demi-artiste ou un demi-praticien, écrivant ou parlant sur tout, et incapable de rien faire par lui-même. Travaillez! Plus les nouvelles que nous recevons prennent un caractère sinistre, plus elles pèsent sur notre cœur, et plus il faut nous attacher à un travail utile et pratique. Les lamentations ne servent à rien! Travaillez!
—Allons visiter le chantier,» dit le grand cousin, qui voyait que Paul demeurait pensif et n’était guère disposé à se remettre au travail.
LA VISITE AU CHANTIER
La bâtisse commençait à prendre tournure; le plan se dessinait au-dessus du sol. Une vingtaine de maçons et tailleurs de pierre, quatre charpentiers, des garçons, animaient ce coin de la campagne. Puis, arrivaient des charrettes remplies de briques, de sable, de chaux. Deux scieurs de long débitaient des troncs d’arbres en madriers; une petite forge mobile abritée derrière un bouquet d’arbres était allumée et réparait les outils, en attendant qu’elle eût à forger des étriers, crampons, pattes, brides et plates-bandes. Un beau soleil d’automne répandait sur cet atelier une lumière chaude et un peu voilée. Ce spectacle parvint à effacer de l’esprit de Paul les tristes impressions laissées par les paroles de son père. Sous cet aspect, le travail ne lui paraissait pas revêtir les formes sévères et âpres qui avaient d’abord effarouché un peu notre écolier en vacances. En inspecteur attentif, Paul se mit donc à suivre son cousin sur le tas[57] (fig. 35), en écoutant avec grand soin ses observations.
«Voilà, père Branchu, dit le grand cousin, une pierre qu’il ne faut pas poser, elle a un fil, et, comme elle va servir de linteau je n’en veux point.
—Eh, m’sieu l’architecte, il ne va pas ben loin le fil!
—Qu’il aille près ou loin, je n’en veux pas, vous entendez? Paul, vous veillerez à ce qu’on ne la pose pas... Voyez-vous bien cette petite fêlure à peine apparente, frappez avec ce marteau des deux côtés... Bon! le son que rend la pierre est mat de ce côté; eh bien, cela vous prouve qu’il y a solution de continuité, et, la gelée aidant, ce morceau de droite se détachera de son voisin... Voici des briques que vous ne laisserez pas employer: voyez comme elles sont gercées; puis, ces points blancs... ce sont des parcelles de calcaire, que le feu a converties en chaux. À l’action de l’humidité, ces parcelles de chaux gonflent et font éclater la brique. Vous aurez soin, avant de laisser employer les briques, de les faire bien mouiller. Celles qui contiennent des parties de chaux tomberont en morceaux, et, par conséquent ne seront pas mises en œuvre.
—Mais, mon bon m’sieu, dit le père Branchu, c’est pas ma faute à moi, j’suis pas dans la brique!
—Non; mais c’est à vous de renvoyer celles qui sont défectueuses au chaufournier et de ne pas les lui payer, puisque vous vous êtes chargé de cette fourniture: cela lui apprendra à bien purger sa terre des débris de calcaire.—Voilà du sable qui contient de l’argile; voyez comme il tient aux doigts! Père Branchu, je ne veux que de bon sable, bien âpre; vous savez bien où il y en a. Vous avez fait prendre celui-ci à côté, il n’est bon que pour mettre dans les reins des voûtes des caves, comme remplissage; ne le laissez pas employer dans le mortier, vous entendez, Paul! Il faut pour le mortier de l’arène bien grenue, propre, dont les grains n’adhèrent pas les uns aux autres; et encore, avant de l’employer, faites jeter dessus les tas quelques seaux d’eau. Veillez aussi à ce qu’on ne corroie pas le mortier sur la terre, mais sur une aire de madriers. Vous l’avez fait ainsi, c’est bien, mais il ne faut pas procéder autrement; si vous êtes pressés, dans ce cas, une aire étant insuffisante, établissez-en deux. Faites bien attention aussi, Paul, à ce que les pierres soient toutes posées à bain de mortier.
—Oh! soyez ben tranquille, m’sieu l’architecte, je n’faisons pas autrement.
—Oui, je le sais, pour les constructions en soubassement et en pierre dure, cela va tout seul, mais en élévation vos ouvriers posent volontiers les pierres sur cales et ils les coulent en mortier clair, c’est plus vite fait. Faites-y bien attention, Paul! Toutes les pierres doivent être posées à leur place, sur cales épaisses en forme de coin, laissant un vide de six à huit centimètres; le mortier doit être étendu là-dessous sur toute la surface et avoir une épaisseur de 0m,02c environ, puis on retire les quatre cales, et la pierre s’asseyant sur le mortier, il faut le damer avec une grosse masse de bois jusqu’à ce que le joint n’ait qu’un centimètre d’épaisseur partout et que l’excès de mortier ait débordé tout autour...
—Voilà des lits maigres, père Branchu; il faut les faire retailler.
—Qu’est-ce qu’un lit maigre? dit Paul, tout bas, à son cousin.
—C’est un lit de pose, concave;» et prenant son calepin:
«Tenez (fig. 36), vous comprenez que, si le lit d’une pierre donne la section A B, le milieu C étant plus creux que les bords, cette pierre pose sur ceux-ci seulement; dès lors, si la charge est quelque peu forte, les cornes D E éclatent; nous disons alors que la pierre s’épauffre. Il vaut mieux que les lits soient faits comme je vous le trace en G, et ne portent pas sur leurs arêtes.
«Jusqu’à présent, père Branchu, vous avez élevé vos constructions avec des plans inclinés; mais nous montons, il va nous falloir des échafaudages.
«Puisque nous construisons en moellon piqué, ne mettant de la pierre de taille, au-dessus du soubassement, qu’aux angles et aux tableaux des croisées ou des portes, vous laisserez des trous de boulins[58] entre ces moellons piqués. Alors vous n’aurez besoin que d’échasses[59] et de boulins. Pour le montage, le charpentier va vous faire une équipe, et vous emploierez le monte-charge que je vous ferai venir de Châteauroux, où je n’en ai que faire en ce moment.
—Si ça vous fait rien, m’sieu l’architecte, j’préférons not’mécanique.
—Quoi!... votre diable de roue, dans laquelle vous mettez deux hommes comme des écureuils?
—Tout de même.
—Comme vous voudrez, mais je n’en ferai pas moins venir le monte-charge; vous essayerez.
«De fait, dit tout bas le grand cousin à Paul, sa mécanique qui date, je crois, de la tour de Babel, monte les charges, quand elles ne sont pas trop pesantes, beaucoup plus facilement que ne le font nos engins, et comme nous n’avons pas de fortes pierres à monter, nous ne le contrarierons pas sur ce point.» Et se tournant vers le maître maçon:
«Il est bien entendu, père Branchu, que nous ne faisons pas de ravalements, sauf pour quelques moulures très délicates de chanfreins, s’il y a lieu; vous poserez vos pierres toutes taillées, et qu’il n’y ait plus que des balèvres à enlever par-ci par-là.
—Entendu, m’sieu l’architecte, entendu, c’est à ma convenance.
—Tant mieux, j’en suis aise.» Et s’adressant à Paul:
«Je ne connais rien de plus funeste que cette habitude prise dans quelques grandes villes de ravaler les constructions. Des blocs grossiers sont posés; puis, quand tout cela est monté, on vient couper, rogner, tondre, racler, moulurer et sculpter ces masses informes en dépit de l’appareil, le plus souvent; sans compter qu’on enlève ainsi, à la pierre douce notamment, la croûte dure et résistante aux intempéries qu’elle forme à sa surface lorsqu’elle est fraîchement taillée au sortir de la carrière; croûte qui ne se reforme plus lorsque les matériaux l’ont une fois produite et ont jeté ce qu’on appelle leur eau de carrière. Heureusement, dans beaucoup de nos provinces, on a conservé cette habitude excellente de tailler, une fois pour toutes, chaque pierre sur le chantier suivant la forme définitive qu’elle doit conserver, et, posée, l’outil du tailleur de pierre n’y touche plus. Indépendamment de l’avantage que je viens de vous signaler, cette méthode exige plus de soin et d’attention de la part des appareilleurs, et il n’est pas possible alors de faire passer des lits ou des joints à tort et à travers. Chaque pierre doit ainsi posséder sa fonction et par suite la forme convenable à la place. Puis enfin, quand une construction est montée, elle est terminée; il n’y a plus à y revenir. Il faut dire aussi que cette méthode exige de la part de l’architecte une étude complète et terminée de chaque partie de l’œuvre à mesure qu’il fournit l’ordonnance des parties de la structure.
M. PAUL ÉPROUVE LE BESOIN DE SE PERFECTIONNER DANS L’ART DU DESSIN
Une chose surprenait Paul, c’était la facilité avec laquelle son cousin exprimait par quelques coups de crayon ce qu’il voulait faire comprendre. Ses croquis perspectifs, surtout, lui semblaient merveilleux, et à part lui, notre architecte en herbe cherchait à indiquer sur le papier les figures dont il voulait se rendre compte; mais, à son grand désappointement, il n’arrivait qu’à produire de véritables fouillis de lignes auxquels lui-même ne comprenait rien un quart d’heure après les avoir tracées. Et cependant, pour rédiger ses attachements auxquels le cousin attachait de l’importance, il sentait que les moyens employés par son chef lui seraient d’une grande utilité s’il pouvait les posséder[60].
Un jour donc, après avoir passé plusieurs heures sur le chantier à essayer de se rendre compte, par des croquis, de la figure des pierres taillées, sans parvenir à obtenir un résultat qui le satisfît à peu près, Paul entra chez son cousin.
«Je sens bien, lui dit-il, que ce qu’on m’a enseigné de dessin linéaire ne me suffit pas pour rendre sur le papier les figures que vous savez si rapidement expliquer par un croquis; apprenez-moi donc, mon cousin, comment il faut s’y prendre pour reproduire clairement ce qu’on a devant les yeux ou ce qu’on veut expliquer.
—J’aime à vous voir ce désir d’apprendre, petit cousin, c’est la moitié du chemin de fait; mais ce n’est que la moitié et... la moins difficile. Je ne vous enseignerai pas en huit jours, ni même en six mois, l’art de dessiner sans difficultés, soit les objets que vous voyez, soit ceux que vous imaginez dans votre cerveau; mais je vous donnerai la méthode à suivre, et avec du travail, beaucoup de travail et du temps, vous arriverez, sinon à la perfection, au moins à la clarté et à la précision. Dessiner, c’est, non pas voir, mais regarder. Tous ceux qui ne sont pas aveugles voient; combien y a-t-il de gens qui savent voir, ou qui réfléchissent en voyant? Bien peu, assurément, parce qu’on ne nous habitue pas, dès l’enfance, à cet exercice. Tous les animaux d’un ordre supérieur voient comme nous, puisqu’à bien peu de chose près ils ont des yeux faits comme les nôtres; ils ont même la mémoire des yeux, puisqu’ils reconnaissent les objets ou les êtres qu’ils aiment, qu’ils redoutent ou dont ils font leur proie. Mais je ne pense pas que les animaux se rendent compte des corps ou des surfaces autrement que par une faculté instinctive, sans que ce que nous appelons le raisonnement intervienne. Beaucoup de nos semblables ne voient pas autrement, et c’est leur faute, puisqu’ils pourraient raisonner. Mais il ne s’agit pas de cela... Voici la méthode que je vous propose:
«Vous savez ce que c’est qu’un triangle, qu’un carré; vous avez étudié la géométrie élémentaire et vous me paraissez la connaître passablement, puisque j’ai vu que vous compreniez les plans, les coupes et même les projections des corps sur plan vertical ou horizontal, puisque mes croquis vous sont intelligibles; vous allez donc prendre des cartes à jouer, et traçant à une échelle quelconque, sur chacune d’elles, les diverses faces d’une pierre que vous verrez tailler, vous découperez ces surfaces avec des ciseaux, et à l’aide de languettes de papier et de la colle, vous les assemblerez de manière à représenter tel ou tel de ces morceaux de pierres taillées. Ce petit modèle vous sera donc bien connu, vous saurez comment ses surfaces se joignent, quels sont les angles qu’elles forment. Le soir, à la lampe, vous placerez ces petits modèles devant vous, de toutes les manières, et vous les copierez tels qu’ils se présentent à vos yeux, ayant le soin d’indiquer, par un trait ponctué, les lignes de réunion des surfaces que vous ne voyez pas. Tenez, voici sur ma table un rhomboèdre en bois, lequel, comme vous le savez et le voyez, se compose de six faces semblables et égales dont les côtés sont égaux, chacune de ces faces donnant deux triangles équilatéraux réunis à la base. Voyez (fig. 37), je saisis ce corps entre mes doigts par ses deux sommets; si je vous le montre de manière qu’une de ses faces soit parallèle au plan de vision, les deux autres faces se présenteront obliquement (voir en A); vous voyez donc trois faces, mais il en est trois autres par derrière qui vous sont cachées. Comment se présenteraient-elles, si ce corps était transparent, ainsi que l’indiquent les lignes ponctuées? Si je fais pivoter le rhomboèdre entre mes doigts, de manière que deux faces soient perpendiculaires au plan de vision, ainsi: (voir en B), je ne verrai plus que deux faces, deux autres me seront dérobées et deux suivant les deux lignes ab, cd. Maintenant je présente le rhomboèdre sans qu’aucune de ses faces se trouve parallèle ou perpendiculaire au plan de vision, ainsi: (voir en C). Eh bien, je verrai encore trois faces, mais en raccourci, déformées par la perspective, et les trois autres seront indiquées par les lignes ponctuées. Faites donc le soir autant de petits modèles que vous pourrez, reproduisant les pierres que vous avez vues sur le chantier, et copiez ces petits modèles dans tous les sens. Jetez-les au hasard sur la table, plusieurs ensemble, et copiez ce que vous voyez; indiquez ce qui vous est caché par un trait ponctué ou plus fin. Quand vous aurez fait cela pendant huit jours, bien des difficultés vous seront déjà familières. Après nous verrons.»
L’ÉTUDE DES ESCALIERS
Il était temps de donner les détails nécessaires à l’exécution des escaliers. Le grand cousin avait dit à Paul de préparer ces détails; mais Paul, comme on peut le supposer, ne s’en était pas tiré à son honneur et n’avait fourni que des traits parfaitement inintelligibles aux autres aussi bien qu’à lui-même, malgré les indications sommaires fournies par l’architecte en chef.
«Allons, dit le grand cousin, il faut nous mettre à cette besogne ensemble.
«Le père Branchu et le charpentier demandent les détails.
«Prenons d’abord le grand escalier et traçons sa cage (fig. 39). Nous avons pour la hauteur du rez-de-chaussée, compris l’épaisseur du plancher, 4m,50c, les marches ne doivent pas avoir plus de 0m,15c de hauteur chacune; il nous faut donc compter trente marches pour arriver du sol du rez-de-chaussée au sol du premier étage. De largeur ou de pas, suivant le terme admis dans les constructions, une marche doit avoir de 25 à 30 centimètres, pour donner une montée facile. Donc trente marches donnent 7m,50c ou 9 mètres de développement. Je crois vous avoir déjà dit cela quand nous avons tracé le plan du rez-de-chaussée. Si nous prenons le milieu de l’espace réservé aux marches, sur notre plan, nous trouvons juste 9 mètres. Traçant donc les marches sur cette ligne milieu et leur donnant 275 millimètres de pas, nous pouvons trouver deux paliers dans les angles en A, A’; nous ferons gironner ces marches de manière à éviter les angles aigus près du noyau. La première marche sera en B, la dernière en C. En D, nous ferons sous l’emmarchement la cloison qui permettra d’établir le water-closet en A’. Puisque, à ce palier A’, nous avons monté 18 marches (chacune ayant 15 centimètres de hauteur), nous aurons pour ce water-closet 2m,50c sous plafond, ce qui est plus que suffisant. Nous l’éclairerons par une fenêtre E. Les deux baies F éclaireront l’escalier et suivront le niveau des marches, comme l’indique l’élévation. Car rien n’est plus ridicule et plus incommode que de couper les fenêtres par les marches d’un escalier, et, bien que cela soit pratiqué tous les jours dans nos habitations, c’est là un de ces contre-sens que tout constructeur doit éviter. Du couloir de service G, on entrera dans le water-closet par la porte H.
«Traçons maintenant l’élévation ou plutôt la projection verticale de cet escalier. Voici comment on procède: on trace la cage en élévation, puis on divise la hauteur à monter en autant de parties qu’il doit y avoir de marches, ainsi que je le fais en I. Projetant horizontalement ces divisions sur l’élévation, et verticalement les bouts des marches avec la cage et le noyau, indiqués au plan, on obtient par la rencontre de ces deux projections le tracé des marches le long de la cage et contre le noyau.
«Voilà qui est fait. La dernière marche est donc en K au niveau du plancher du premier étage. Pour monter au deuxième étage, nous avons 4m,00 à monter d’un plancher à l’autre; donnant 0m,156 à chaque marche, nous trouvons 26 marches, plus une fraction de millimètre dont il n’y a pas à tenir compte. Donc, nous conserverons en plan le tracé de la première révolution à partir de la marche L, ce qui donne 13 marches jusqu’au point M. De ce point nous tracerons les 13 autres marches pour faire le nombre de 26, comme je le marque sur le bout de plan supplémentaire en N. Puis, pour l’élévation, nous procéderons comme ci-dessus. Nous obtiendrons alors le tracé général de V en X pour les deux étages. Le tracé établi, il s’agit de savoir en quelle matière nous ferons ces marches? Étant comprises entre des murs et un noyau qui est un mur lui-même, nous pouvons, si bon nous semble, les faire en pierre de taille d’un seul morceau chacune. Toutefois, cela n’est guère praticable en ce pays parce que nous nous procurerions difficilement de la pierre dure, compacte, fine, bonne pour cet objet. Nous nous contenterons donc de faire seule la première marche en pierre, et, quant aux autres, nous les ferons en charpente, en les recouvrant de bonnes tablettes de chêne; et pour ne pas les sceller dans les murs, nous ménagerons un bandeau saillant en maçonnerie formant crémaillère[61] le long des murs et du noyau pour recevoir la partie de leurs abouts, ainsi que je vous l’indique ici (fig. 40). On lattera ces marches laissées brutes par-dessous, rabotées seulement sur la face ou contre-marche[62] A. Afin qu’elles ne puissent branler sur leur repos de maçonnerie, nous les fixerons avec des pattes B, lesquelles seront masquées par la tablette formant pas et entreront dans les trous de scellements C.
«Maintenant essayez de mettre tout cela au net pour pouvoir donner promptement les détails au maçon et au charpentier.»
Avec bien de la peine, Paul parvint à faire un tracé assez complet sur les indications fournies par le grand cousin; mais celui-ci fut obligé d’y mettre souvent la main, car son inspecteur n’était pas de première force en géométrie descriptive élémentaire, et ces projections lui offraient à chaque instant des difficultés. Paul s’embrouillait dans ses lignes, prenait un point pour un autre, et eût maintes fois laissé de côté compas, équerre et tire-ligne, si le grand cousin n’avait été là pour le remettre sur la voie.
LE CRITIQUE
On était à la fin de novembre et le temps avait jusqu’alors permis à nos constructeurs de ne pas perdre un jour. Le soleil d’automne favorisait l’entreprise et la maison s’élevait déjà sur quelques points, à la hauteur des linteaux des fenêtres du rez-de-chaussée. Cependant, il fallait toute la volonté de M. de Gandelau pour que les travaux ne fussent pas suspendus. Le petit chantier se dégarnissait peu à peu des ouvriers valides appelés sous les drapeaux. Ceux qui demeuraient perdaient du temps et avaient l’esprit ailleurs. On ne pouvait plus guère faire de charrois, tous les chevaux et charrettes étant réquisitionnés. Le pays était sillonné des corps qui se dirigeaient sur la Loire. Bien des heures se passaient en causeries et chacun attendait anxieusement des nouvelles de la guerre. Elles étaient de plus en plus sombres. Cependant, Orléans avait été réoccupé par les troupes françaises et tout espoir ne paraissait pas encore perdu. Paris résistait. Sur ces entrefaites, arrivait au château de M. de Gandelau un nouveau personnage, ami de la famille, qui, ayant eu sa propriété occupée et dévastée par les Allemands, avait dû l’abandonner crainte de pis, et, se dirigeant vers l’ouest de la France où il avait des parents, s’arrêta en passant chez M. de Gandelau. C’était un homme de cinquante à soixante ans, grand, d’un aspect froid, bien qu’un sourire perpétuel semblât stéréotypé sur sa figure. On eût pu le prendre pour un diplomate de la vieille roche.
Le nouveau venu avait beaucoup lu, beaucoup voyagé, savait un peu de tout, faisait partie de plusieurs sociétés savantes, son opinion était d’un certain poids dans son département; il avait prétendu à la députation, s’était lancé dans l’industrie et y avait perdu de grosses sommes, puis dans l’agriculture, et, les restes de sa fortune risquant de s’y engloutir, il se contentait de prendre le côté théorique des choses et de faire paraître des brochures sur toutes les questions, imprimées à ses frais et répandues à profusion. Chacun de ses opuscules prétendait invariablement donner une solution simple à toutes les difficultés, soit dans le domaine de la politique, des sciences, de l’industrie, du commerce et même des arts. Il avait fait bâtir, et les architectes lui paraissant impropres à pratiquer l’art de la construction, dépensiers, imbus de préjugés, lui seul avait dirigé ses bâtisses; faisant ses marchés, traitant directement avec les fournisseurs, donnant les plans, surveillant les travaux. Cette fantaisie lui avait coûté assez gros et un beau jour sa bâtisse s’écroulait. Les ingénieurs ne possédant pas plus sa confiance que les architectes, il avait voulu tracer des voies sur ses domaines et les faire exécuter d’après un système à lui. Ses essais en ce genre n’avaient pas eu plus de succès que ses tentatives en construction. Les chemins persistaient à être impraticables. Mais M. Durosay (c’était son nom) était de ces personnages auxquels l’expérience n’enseigne pas grand’chose, fût-elle faite à leurs dépens. Au demeurant, c’était un honnête homme, extrêmement poli, obligeant, généreux même, surtout envers ceux qui avaient l’art de flatter ses travers, et qui par intérêt ou conviction le considéraient comme un juge infaillible en toutes matières.
Quelqu’un fût-il venu le consulter sur un sujet au moment de monter en wagon, qu’il eût laissé partir le train plutôt que de ne pas rendre un arrêt avec considérants. Seulement il jugeait toute chose d’après un système admis à priori, et n’écoutait que d’une oreille distraite les raisons particulières qui eussent pu modifier ce système. Il admettait d’ailleurs la discussion et ne manifestait pas la moindre impatience si on ne partageait pas son opinion. Souvent il répétait cet aphorisme: «Que du choc des idées contraires jaillit la lumière,» mais il entendait bien la fournir toujours et ne la recevoir jamais.
Lorsqu’il fut installé dans le château pour quelques heures et qu’on eut épuisé les tristes sujets de conversation qui étaient à l’ordre du jour, on en vint à parler de la maison de Paul (c’est ainsi qu’on la désignait en famille). M. Durosay demanda à voir les projets. «Ça me connaît un peu, la bâtisse; je sais ce que c’est,» dit-il.
Le grand cousin ébaucha un sourire, mais le nouveau venu n’y prit pas garde, ses mésaventures comme constructeur n’ayant laissé dans son esprit aucune trace fâcheuse.
«Voilà qui est très bien,» dit M. Durosay quand on lui eut expliqué les plans et qu’il les eut examinés. «J’ai vu en Belgique des maisons qui ressemblent un peu à ceci. Il y a là de très bonnes idées; ce sera une fort agréable habitation si messieurs les Prussiens veulent bien vous la laisser achever... Me permettez-vous quelques observations?...
—Sans aucun doute.
—Ce n’est pas que j’aie la moindre prétention à vous faire rien changer à ces plans, qui me semblent excellents... Mais j’ai beaucoup vu, beaucoup comparé... Eh bien, pour vous exprimer franchement ma première impression... il me semble que ceci a plutôt le caractère d’une maison de ville, d’un hôtel, que d’une maison des champs... Vous m’excuserez, n’est-ce pas?... Je ne comprends pas une maison de campagne ainsi fermée, j’y voudrais voir un portique autour, au moins une large véranda; des fenêtres plus ouvertes, l’expression mieux sentie de la vie extérieure.
—Eh, mon cher ami, dit M. de Gandelau, je compte bien que mes enfants viendront passer ici une bonne partie de l’année; il ne s’agit pas pour eux de posséder une de ces habitations dans lesquelles on demeure seulement pendant deux ou trois mois d’été et où l’on reçoit les oisifs de la ville; il leur faut une bonne maison bien close et couverte, où ils puissent résider en toute saison.
—Certainement, c’est sagement pensé; mais que vous semble de ces villas du nord de l’Italie où le climat est assez rude cependant en hiver et au printemps, qui n’en sont pas moins délicieuses avec leurs portiques, leurs terrasses, leurs larges vestibules bien ouverts, leurs loges donnant sur la campagne? Toutes ces habitations ont grand air, ennoblissent la vie, pourrait-on dire, élargissent les idées étroites, auxquelles notre époque n’est que trop portée... Puis, ne vous paraît-il pas que ce défaut de symétrie est trop accusé, au moins sur l’une des façades? Que cela ressemble un peu à des constructions faites les unes après les autres, en vue de satisfaire à des besoins successifs; qu’enfin cela manque peut-être de cette unité que l’on doit trouver en toute œuvre d’art?
—Mais ce n’est pas une œuvre d’art que je prétends laisser à ma fille; c’est une bonne maison, commode et solide.
—Soit. Vous conviendrez cependant que si l’on peut réunir les deux qualités, on ne saurait s’en plaindre. Pour une personne distinguée et charmante de tous points comme est madame votre fille, il ne messied pas d’habiter une maison qui reflète à l’extérieur ce charme et cette distinction. Il ne vous déplairait pas, quand vous irez visiter Mme Marie, de voir de loin la petite famille qui lui viendra, groupée autour d’elle sous un portique d’une délicate architecture ou sous une loggia... Ceci me semble être plutôt la maison de quelque grave échevin flamand. Il y a dans ces pignons une certaine austérité qui...
—Allons donc, mon cher ami, des pignons ne sont pas austères; ce sont des pignons, voilà tout.
—Si fait, ces pignons et leurs grands toits ont une sévérité qui ne s’accorde pas à l’idée qu’on se fait d’une maison de plaisance.
—Mais ce n’est pas une maison de plaisance; c’est une maison faite pour les gens qui la doivent habiter, non pour les badauds, d’autant que par ici nous n’en voyons point.
—N’importe, j’eusse aimé réchauffer ces dehors, un peu froids d’aspect, par des saillies ajourées, des loges, une galerie couverte avec terrasse au-dessus.
—Réchauffer, réchauffer, c’est bientôt dit, mais on y attrape des rhumatismes sous vos galeries. Cela est bon à Nice ou à Menton, mais n’a rien de pratique dans nos campagnes. Il est bon que le soleil frappe les murs de nos habitations, et vos portiques sont des serres à champignons.
—Je vois, reprit M. Durosay, après une pause, que vous avez toujours, mon cher ami, le goût de ce que vous appelez le côté pratique des choses. Et cependant, voyez quelle bonne occasion de donner à madame votre fille une de ces habitations qui, sans négliger les satisfactions matérielles de la vie, posséderait ce parfum d’art qui se trouve trop rarement dans nos provinces. Un peu d’élégance extérieure est un charme puissant qui laisse dans les esprits une trace indélébile. C’est ainsi que les populations de l’Italie conservent la poésie des époques brillantes de leur civilisation. Elles savent, au besoin, sacrifier une partie de ce que nous appelons le confort, des nécessités de la vie matérielle, pour conserver parmi elles ces belles traditions du grand art.
—Je ne sais ce que sont les traditions du grand art, et si ces traditions nous préservent de la pluie, du vent ou du soleil, et je vous avoue que vos villas italiennes des environs de Vérone et de Venise m’ont paru fort tristes et maussades avec leurs colonnades et leurs contrevents fermés. Je n’ai jamais eu l’envie de les visiter, car je suppose qu’on s’y trouve fort mal à l’aise. Si cela est fait pour présenter aux touristes des modèles d’architecture, je le veux bien, mais je n’ai pas la prétention d’amuser ou d’intéresser les touristes, et ma fille partage mes idées à ce sujet.
—Peut-être... cependant madame votre fille visite en ce moment l’Italie; elle doit séjourner sur les bords du Bosphore; qui sait si, en revenant ici, elle ne serait point ravie de retrouver comme un souvenir des impressions qu’elle n’aura pas manqué d’éprouver là-bas, et si la surprise que vous lui ménagez n’aurait pas plus de prix si vous lui rappeliez quelque peu ces impressions? Qu’en pensez-vous, monsieur l’architecte?
—Moi, dit le grand cousin, j’écoute et ne puis qu’être ravi de vous entendre si bien discourir sur notre art.
—Ainsi donc, vous partageriez mon opinion, et vous seriez disposé à donner à cette habitation si bien distribuée par vos soins quelques agréments extérieurs qui peut-être lui font défaut?
—Je ne dis pas cela. M. de Gandelau nous a, suivant son habitude, laissé toute liberté, et n’a fait que me donner le chiffre de la somme qu’il ne voulait pas dépasser. D’ailleurs, le programme accepté, on ne nous a imposé ni une sévérité excessive, ni interdit l’emploi de ce que vous considérez comme les agréments extérieurs d’une habitation.
—Eh bien, si mon ami, avec son esprit positif, ne paraît pas sensible à ses agréments, ne pensez-vous pas, vous, artiste, qu’il y aurait ici l’occasion d’ajouter quelque chose à ces façades, peut-être un peu sévères d’aspect, et que certainement, à l’aide de votre talent, vous sauriez rendre moins froides? Vous connaissez l’Italie, vous avez visité Pompéi; ne trouvez-vous pas dans l’architecture de ces contrées mille motifs dont on peut s’inspirer, des exemples ravissants, des...?
—Oui, j’ai visité l’Italie et la France, et je vous avoue que je n’ai jamais pu être sensible aux œuvres d’architecture de ces contrées, qu’autant qu’elles conservaient l’empreinte des mœurs, des usages de ceux qui les ont su produire. Vous parlez de Pompéi. Ce qui m’a vivement touché dans les restes de cette bourgade des provinces Italiques, c’est précisément cette qualité. Ces petites habitations sont bien celles qui convenaient aux habitudes de l’antiquité, au moment où elles ont été élevées, au climat sous lequel on les construisait. Mais de cette étude, je déduis que puisque nous ne sommes point sur les rivages du golfe de Naples et que nous avons des habitudes fort différentes de celles qui convenaient aux Pompéiens, nos demeures ne sauraient en aucune façon rappeler les leurs; que, par exemple, s’il était fort agréable de souper dans un triclinium ouvert et abrité du vent par un velum, nous ne saurions disposer, dans le département de l’Indre, des salles à manger sur ce modèle; que s’il était fort doux de coucher dans une chambre occupant quatre ou cinq mètres de surface dont on laissait la porte ouverte sur une cour entourée d’un portique, cela serait incommode chez nous, et qu’on risquerait fort de s’enrhumer si on laissait la porte ouverte, ou d’étouffer si on la fermait.
«Mais puisque vous avez dit un mot des habitations antiques, permettez-moi de vous faire observer que celles de Pompéi, même les plus riches, ne manifestent à l’extérieur aucune de ces dispositions monumentales que vous paraissez aimer. Les anciens gardaient pour l’intérieur le luxe dont ils prétendaient jouir, et il ne paraît pas qu’ils se soient préoccupés d’en montrer quelque chose aux passants. Je ne sais pas trop ce que pouvaient être leurs villæ, leurs maisons de campagne; mais tout me porte à croire, d’après des débris conservés, qu’elles ne sacrifiaient point à cette vanité toute moderne de montrer au dehors des formes d’architecture de nature à impressionner les badauds.
«Je crois que ces palais des champs qui semblent vous avoir séduit, dans l’Italie du nord, sont des œuvres de vanité bien plus que des demeures propres aux usages de ceux qui les ont élevées; de fait, elles n’ont guère été habitées, et l’état de délabrement où vous les voyez ne date pas d’hier. Élevées par la vanité, l’envie de paraître, elles n’ont duré, comme habitations, que ce que durent les œuvres dues à la vanité, c’est-à-dire quelques années de la vie d’un homme, après quoi elles ont été abandonnées.
—Vous donnez le nom de vanité, répliqua M. Durosay, à ce que je crois être l’amour de l’art: le désir de montrer l’œuvre d’art.
—Nous ne nous entendrons jamais probablement sur ce point; je crois que l’art, répondit le grand cousin, consiste, en architecture du moins, à être vrai et simple. Vous ne voyez qu’une forme qui vous séduit ou vous déplaît; je cherche autre chose, ou plutôt j’observe d’abord si cette forme est bien l’expression d’un besoin, si elle a sa raison d’être, et elle ne me séduit qu’autant que cette condition est remplie, selon mon jugement.
—Alors une grange est, pour vous, une œuvre d’art?
—Certes, si elle est bien faite pour ce qu’elle doit abriter, à mes yeux elle vaut plus qu’un palais incommode, qui d’ailleurs est décoré de colonnades et de frontons.
—Vous devriez aller en Amérique.
—Peut-être ferais-je sagement, si je savais que là on cherchât simplement à bâtir en raison des goûts et des besoins des habitants. Mais en Amérique, comme partout aujourd’hui, on manifeste des prétentions au style et on copie ce qu’on croit être le beau par excellence, c’est-à-dire qu’on applique, à tort et à travers, des traditions dont on ne cherche pas l’origine ou le principe.
—Allons, dit M. de Gandelau qui trouvait la discussion un peu longue, nous voilà bien loin de la maison de Paul; pour vous satisfaire, quand vous viendrez voir ma fille dans sa nouvelle habitation, nous ferons élever devant une des façades un portique de carton, et nous placerons sous son ombre des Berrichonnes déguisées en Vénitiennes, mêlées à quelques seigneurs en robe écarlate, jouant de la viole d’amour et du basson. Il est temps d’aller nous reposer, il se fait tard.»
M. PAUL DEMANDE CE QUE C’EST QUE L’ARCHITECTURE
Le grand cousin s’attendait bien à ce que Paul reviendrait sur la discussion de la veille au soir, et, en effet, en allant tous deux, de bon matin, visiter les travaux, Paul ne manqua pas de tâter le terrain. Mais il ne savait pas trop ce qu’il voulait demander. Le grand cousin ne l’aidait pas, il prétendait lui laisser tout le loisir de résumer ses idées.
«Est-ce que M. Durosay se connaît en architecture? dit enfin Paul.
—Mais il en parle comme une personne à laquelle cet art n’est pas étranger.
—Cependant vous n’avez pas paru lui accorder ce qu’il demandait.
—Et que demandait-il?
—Mais... vous le savez bien... Il aurait désiré que la maison de Marie fût... plus...
—Plus quoi?
—Plus... moins sévère; qu’elle eût un portique, une loggia... Qu’est-ce qu’une loggia?
—C’est un large balcon couvert et le plus souvent fermé des deux côtés, mais s’ouvrant sur sa face, soit au rez-de-chaussée, soit aux étages supérieurs, sur la voie publique ou la campagne.
—Pourquoi ne ferait-on pas une loggia à la maison de Marie?
—On pourrait en faire une ou plusieurs.
—Alors?
—Alors il faudra nécessairement la placer devant une des pièces, soit le salon, par exemple au rez-de-chaussée, au milieu de la façade sur le jardin, et au premier devant la grande chambre à coucher.
—Est-ce que cela ne ferait pas bon effet?
—Peut-être; mais la pièce à la suite, qui s’ouvrirait sur cette loge, serait triste et sombre, puisque ses fenêtres donneraient sous son plafond.
—Ah oui, c’est vrai; mais au fait, nous en avons des loges au bout du salon, de la salle de billard et de la salle à manger.
—Oui, seulement elles sont fermées au lieu d’être ouvertes sur le dehors, et ces pièces bénéficient de leur surface. Ces loges sont alors des cages, ce qu’on appelait autrefois des bretêches. On a ainsi tous les avantages d’une loge, sans en avoir, dans notre climat, les inconvénients.
—Pourquoi n’avez-vous pas dit cela à M. Durosay?
—Mais il le voyait de reste; il n’était pas besoin de le lui dire.
—Il aurait voulu aussi un portique.
—Pour quoi faire?
—Je ne sais pas... Il disait que cela serait joli, que ma sœur et ses enfants seraient groupés là-dessous, et que de loin cela ferait très bien.
—Et serait-il très agréable à madame votre sœur de faire très bien de loin?
—Oh, je crois que cela lui serait indifférent.
—Et pour qui faisons-nous la maison?
—Mais pour ma sœur.
—Et non pour les flâneurs, n’est-ce pas? Or ce portique aurait les inconvénients des loges, il rendrait sombres et tristes les pièces qui s’ouvriraient sous les arcades ou colonnades. Donc, comme on vit plus souvent chez nous dans les pièces que sous un portique, ce serait payer un peu cher le plaisir de former des groupes agréables aux yeux des gens qui passent.
—Sans doute. D’ailleurs, devant la salle de billard, nous avons une serre avec descente au jardin qui peut servir de portique, sans assombrir la pièce, puisque ce sera vitré.
—Assurément.
—M. Durosay n’y a pas fait attention peut-être.
—Si fait, mais ce n’est pas monumental. Il eût voulu un vrai portique couvert, à la façon des portiques italiens.
—Il semble aimer beaucoup l’architecture italienne?
—Laquelle?
—Mais celle dont il parlait.
—C’est qu’il y a bien des sortes d’architecture en Italie, suivant les époques, les latitudes et les usages des populations de la péninsule.
—Vous ne le lui avez pas fait observer.
—Il doit le savoir.
—Je vois bien que vous ne prenez pas au sérieux les opinions de M. Durosay.
—M. Durosay est un homme recommandable, ses opinions sont sincères et par conséquent je les prends au sérieux; seulement il apprécie les choses à un point de vue qui n’est point le mien. Il juge les questions d’art comme un homme du monde, avec son sentiment, et je crois que pour nous, architectes, il les faut juger avec le raisonnement. Le sentiment ne raisonne pas; c’est comme la foi; donc nous ne saurions nous entendre, puisque nous parlons chacun une langue différente.»
La lumière ne se faisait pas dans l’esprit de Paul. Jusqu’alors il avait pensé que l’architecture s’apprenait comme on apprend la grammaire et l’orthographe, et voilà que son cousin lui déclarait qu’il y avait plusieurs langages, et qu’en supposant que l’on sût l’un des deux, l’autre demeurait inintelligible. Il ne comprenait pas comment le raisonnement avait à intervenir dans une affaire toute de forme, d’apparence, et il ne savait même comment poser à son cousin des questions à ce sujet, qui pussent l’éclairer. Il s’en allait donc la tête baissée, abattant, avec son bâton, les chardons jaunis qui encombraient les bords du chemin. Le cousin, de son côté, ne paraissant pas désireux de rompre le silence, on arriva ainsi au chantier; il était presque désert.
«Il a gelé la nuitée passée, dit le père Branchu, et ça va prendre dur.
—Eh bien, il faut couvrir les maçonneries avec du fumier ou du chaume et nous nous arrêterons. Mettez des plats-bords sur les murs, le chaume par-dessus et des dosses avec des moellons de distance en distance. Ayez le soin que les plats-bords débordent les parements des murs. Si vous n’avez pas assez de chaume, mettez de la terre sur les plats-bords ou des mottes de gazon. Pour les voûtes des caves, répandez dessus une bonne couche de terre avec pentes, et ménagez quelques ouvertures dans les reins pour que la pluie ou l’eau des fontes de neiges puisse s’écouler. Allons! vivement, faites-moi disposer tout cela, que ce soit terminé demain soir; puis nous nous reposerons jusqu’à la fin des froids.—Aussi bien, dit le père Branchu, tous les gars sont partis et n’y a plus au chantier que des impotents.
«Cette suspension des travaux, dit le grand cousin, en reprenant le chemin du château, va nous permettre d’étudier les détails de la construction sans nous presser.
—Oui, répondit Paul; mais je voudrais bien savoir comment vous vous y prenez, lorsqu’il s’agit de tracer un détail?
—Vous l’avez bien vu, depuis deux mois que nous en faisons?
—Pas tout à fait: j’entends bien que vous dites ce que vous voulez, et ce que vous voulez se trouve tracé sur le papier; j’ai essayé de faire de même, et, tout en sachant bien ce que je voulais, il ne venait rien sur le papier, et même ce que je traçais me faisait oublier ce que j’avais dans l’esprit. Cependant, pour chaque chose que l’on veut faire en architecture, il doit y avoir un moyen, un procédé, un... comment dirais-je? une recette...
—Allons donc! vous y voilà. Vous voyez bien, petit cousin, que l’on croit comprendre et vouloir, bien que l’on ne sache réellement pas toujours ce que l’on veut, que l’on ne comprenne pas nettement une proposition; depuis ce matin votre pensée tourne autour de cette question que vous venez seulement de m’adresser; j’ai voulu vous laisser le loisir de la préciser; il a fallu que votre cerveau travaillât. Maintenant, grâce à l’effort que vous avez fait, vous saisirez mieux ce que je puis vous répondre. Vous vous rappelez ces deux vers de Boileau:
Ce que l’on conçoit bien s’énonce clairement,
Et les mots pour le dire arrivent aisément,
et qui peuvent s’appliquer à tous les arts? L’important est de s’habituer à concevoir avec netteté; le malheur est qu’on apprend à faire une phrase avant d’apprendre à raisonner, et qu’on veut exprimer sa pensée avant qu’elle ait été entièrement élaborée dans le cerveau. Alors on croit suppléer à ce qu’il y a d’incomplet dans cette pensée, par un heureux assemblage de mots; en architecture on songe à des formes qui ont paru attrayantes, avant de savoir si elles rendront exactement ce que demande la raison, l’observation rigoureuse d’une nécessité de construction ou d’un besoin. S’il s’agit d’un discours, le vulgaire est facilement entraîné par une phrase brillante et ne s’aperçoit que trop tard du vide que recouvre cette forme séduisante. S’il s’agit d’architecture, de même aussi le vulgaire est séduit par un aspect pittoresque et une forme attrayante, et s’aperçoit à ses dépens des défauts de l’édifice. M. Durosay, tout pénétré de certaines formes qui l’avaient séduit comme touriste, n’a jamais songé à se demander si ces apparences étaient en harmonie avec les besoins auxquels il faut satisfaire, avec les nécessités de la structure; il n’a vu que le tour de la phrase et n’a point cherché si derrière elle il y avait une idée mûrie. Nous aurions donc pu discuter ainsi des journées sans espérer nous convaincre, lui ne s’occupant que de la forme ou de la façon dont la phrase est tournée, mais ne cherchant pas si cette forme a une signification, si cette phrase exprime une pensée nette. Tout est là, cher cousin; et, suivant ma manière de voir, notre pays, si voisin d’une ruine totale, ne se relèvera que du jour où il réfléchira avant de parler. Nous bâtissons des édifices immenses qui emploient des sommes fabuleuses et nous ne savons pas clairement ce qu’ils devront contenir. Ou plutôt, nous songerons à faire la boîte, quitte à l’utiliser pour tel ou tel usage. Et remarquez bien que cette fâcheuse habitude ne s’applique pas qu’aux monuments. Combien est-il d’honorables bourgeois, comme M. Durosay, qui, s’ils ont à se faire bâtir une maison, se préoccupent d’abord d’élever un chalet, ou une villa italienne, ou un cottage anglais, suivant leur fantaisie du moment, sans trop savoir si dans cette boîte ils vivront commodément? Ainsi verrez-vous des villas italiennes dans le nord de la France et des chalets suisses à Nice. Apprenez à raisonner, à observer d’abord, et vous serez un bon avocat, un bon médecin, un bon militaire, un bon architecte. Si la nature vous a doué du génie, tant mieux, ce sera un magnifique complément à vos facultés; mais si vous n’avez pas pris l’habitude de raisonner, le génie ne vous servira de rien, ou plutôt il ne saurait se développer. Or pour apprendre à raisonner, il faut travailler beaucoup et longtemps, et ne se pas laisser séduire par les apparences, si attrayantes qu’elles soient. Malheureusement notre éducation, notre instruction en France nous portent à nous contenter des apparences, à nous appuyer sur des traditions considérées comme articles de foi et que l’on ne saurait, par conséquent, discuter. Vous trouverez partout en face de vous le portique de M. Durosay. L’armée, l’administration, les lettres, la politique, les arts ont leur portique qu’il vous faudra accepter pour faire n’importe quoi ou entrer n’importe où; à moins que vous n’ayez assez d’énergie, de puissance de travail, d’indépendance de caractère, d’intelligence des affaires, de ténacité et par suite d’autorité, pour dire: Je n’accepte votre portique qu’autant que je jugerai utile de m’en servir. Et pour en revenir à votre question: «Y a-t-il, en architecture, des recettes, des procédés?» Je vous répondrai qu’il y a des procédés pratiques propres à la construction; mais comme les matériaux, les moyens d’exécution se modifient tous les jours, ces procédés doivent suivre ces variations. Quant à l’architecture, il y a une méthode à suivre dans tous les cas qui se présentent, il n’y a pas de recettes, de procédés. Cette méthode n’est autre chose que l’application de votre faculté de raisonner à tous ces cas particuliers; car ce qui est bon en telle circonstance ne l’est pas en telle autre. C’est donc sur l’observation de ces circonstances, des faits, des habitudes, du climat, des conditions d’hygiène que s’appuiera votre raisonnement avant de concevoir l’œuvre. Et quand cette opération sera complète et coordonnée dans votre cerveau, alors vous mettrez sans hésitation sur le papier le résultat de ce labeur intellectuel.
—Je crois bien saisir ce que vous dites, mais par où commencer?
—En prenant l’habitude d’observer tout et de réfléchir sur tout ce que vous voyez, entendez ou lisez. Quand vous avez devant vous un fossé que vous voudriez franchir, ne vous demandez-vous pas intérieurement si vos jarrets vous permettront de sauter sur l’autre bord; ne savez-vous pas, par suite d’observations précédentes, si vous pourrez ou non franchir ce fossé et ne vous décidez-vous pas pour l’un ou l’autre parti? Le résultat de ces observations établit donc une conviction chez vous qui vous permet d’agir sans hésitation. Vous ne vous demandez pas, avant de sauter, si Achille ou Roland, au dire des poètes, ont franchi des intervalles beaucoup plus larges. C’est vous, ce sont vos forces que vous consultez, non celles des héros, sous peine de tomber dans l’eau. Eh bien, si vous avez une maison à bâtir pour une personne que vous connaissez, vous vous dites d’abord qu’une maison est faite pour abriter les gens, puis vous vous représentez les habitudes du propriétaire, vous supputez le nombre de pièces qu’il lui faut, quels sont les rapports nécessaires entre elles. Vous savez s’il vit seul ou s’il reçoit beaucoup de monde, s’il habitera la maison en telle saison, s’il aime ses aises ou s’il vit très modestement, s’il a un nombreux domestique ou s’il se fait servir par une seule personne, etc.; et quand vous aurez bien médité sur toutes ces conditions essentielles, vous chercherez à mettre sur le papier le résultat de vos observations. Mais si vous vous occupez d’abord de placer cet homme et sa famille dans une maison de Pompéi ou dans un manoir du moyen âge, il y a beaucoup à parier que vous lui élèverez une habitation incommode, que vous serez contraint de torturer les services pour les arranger dans une construction appartenant à une époque et à une civilisation différentes de notre civilisation et de notre temps.
—Je comprends bien; et cependant on apprend comment il faut faire une porte, une fenêtre, un escalier.
—C’est-à-dire qu’on explique comment, avant nous, d’autres hommes s’y sont pris pour faire une porte, un escalier, un plancher; mais on ne prétend pas, et on ne doit pas prétendre, en vous enseignant les moyens employés par nos prédécesseurs, vous imposer de faire exactement ce qu’ils ont fait, puisque vous possédez peut-être des matériaux qu’ils n’avaient pas et que vos usages diffèrent des leurs. On vous dit, on doit vous dire: «Voilà les résultats de l’expérience acquise depuis l’antiquité jusqu’à notre temps; partez de là, faites comme ont fait vos devanciers, appliquez votre faculté de raisonner à l’emploi des connaissances acquises, mais en obéissant à ce que réclame le temps présent. Il ne vous est pas permis d’ignorer ce qui s’est fait avant vous, c’est une masse commune, un bien acquis, il faut en connaître l’étendue et la valeur; mais ajoutez-y l’apport de votre intelligence, faites un pas en avant, ne rétrogradez pas.»—Eh bien, pour ne pas rétrograder en architecture, il n’est qu’un moyen: c’est de faire que l’art soit l’expression fidèle des nécessités du temps où l’on vit, que l’édifice soit bien l’enveloppe de ce qu’il doit contenir.
—N’est-ce pas ce que l’on fait?
—Pas précisément; nous sommes un peu comme ces gens qui ont hérité de leurs ascendants d’un très riche mobilier, fort respectable et respecté, qui le gardent et s’en servent, bien que ce mobilier leur soit fort incommode et ne corresponde plus aux habitudes du jour; qui ont même préposé quelqu’un à la garde de ces vieilleries, avec charge de ne les pas laisser modifier. Si vous voulez alors, vous, maître de la maison, changer l’étoffe ou envoyer quelques-uns de ces objets plus gênants qu’utiles au grenier, le gardien que vous payez, que vous logez, prend un air digne et déclare que les fonctions dont vous l’avez investi, qu’il tient à remplir correctement, lui interdisent de laisser faire ces modifications ou suppressions; qu’il est de son honneur de ne pas laisser dilapider ou changer ces bibelots, puisqu’il est préposé à leur conservation. Pour avoir la paix chez vous, vous continuez à vous servir de ces meubles insupportables et vous gardez leur gardien.
—Je ne comprends pas parfaitement.
—Vous comprendrez plus tard. Tenez-vous seulement pour averti. Si vous entrez dans quelque vieil hôtel tout bourré de meubles hors d’usage, gardez-vous de les critiquer; si les maîtres de la maison se contentent de sourire, le préposé à la garde de ces curiosités fera si bien que vous n’y pourrez remettre les pieds.»
ÉTUDES THÉORIQUES
Le froid, les circonstances obligeaient d’interrompre les travaux. L’hiver pouvait être long. Le grand cousin et Paul se préparèrent donc à employer fructueusement ces loisirs forcés. Il fut décidé entre eux que non seulement on mettrait au net tous les détails nécessaires à l’achèvement des travaux, mais que le grand cousin profiterait de ces jours d’hiver pour donner à Paul bien des notions qui lui manquaient comme inspecteur des travaux.
Paul prenait chaque jour plus d’intérêt à ce travail. Jusqu’à ce moment, l’exécution avait suivi le labeur de cabinet, et l’exemple, la pratique venaient appuyer la théorie; mais il sentait bien que toute son attention et son désir de seconder le maître de l’œuvre ne suffisaient pas, et qu’à chaque pas il se trouvait en présence d’une difficulté. Plus le travail avançait, plus son impuissance lui semblait complète. Il se mit donc à l’œuvre avec la bonne envie d’apprendre, d’autant que tout ce qui l’entourait prenait un aspect plus triste et désolé. Paul n’avait point séjourné un hiver à la campagne; s’il venait dans sa famille aux fêtes du premier de l’an, les quelques jours passés au château de son père étaient si vite écoulés qu’il n’avait pas le loisir de se préoccuper de l’aspect des champs. D’ailleurs on recevait, à cette occasion, des amis; sa sœur aînée animait la maison; tout le monde était en fête. Il n’en était plus ainsi au commencement de décembre 1870; les villages des environs étaient déserts, ou occupés pendant quelques heures par des troupes mal vêtues, mourant de faim, allant combattre le plus souvent sans enthousiasme, laissant des traînards, des malades dans les chaumières. Puis c’étaient de longues files de voitures qui semblaient autant de convois funèbres.
La neige commençait à couvrir les champs et assourdissait les bruits lointains. Rarement un paysan se présentait-il au château; le facteur y venait encore régulièrement, et les lettres et journaux qu’il apportait ne faisaient qu’assombrir les visages. Parfois on logeait des mobiles ou des soldats, tous étaient muets; les officiers eux-mêmes demandaient à rester dans leur chambre, prétextant la fatigue, et ne descendaient pas au salon. M. de Gandelau, levé de grand matin, en dépit de sa goutte, semblait se multiplier; il était chez les fermiers, à la ville voisine, facilitant les transports, organisant des hôpitaux, approvisionnant des denrées, levant les difficultés imposées par la routine. «Faites travailler Paul, mon ami, disait-il chaque soir au grand cousin; c’est tout ce que je réclame de votre amitié, et c’est beaucoup; mais faites-le, je vous en prie.»
En effet, les journées se passaient en grande partie à étudier quelques questions de constructions; puis l’architecte et son inspecteur allaient faire une promenade avant la nuit, pendant laquelle le grand cousin ne manquait pas d’entamer quelque sujet intéressant. La campagne, les phénomènes naturels étaient le sujet habituel de ces conversations; et ainsi Paul apprenait à observer, à réfléchir, et il s’apercevait chaque jour combien il faut recueillir de connaissances pour faire peu de chose. Le grand cousin ne manquait pas de lui répéter souvent ceci: «Plus vous saurez, plus vous reconnaîtrez qu’il vous manque de savoir; et la limite de la science, c’est d’acquérir la conviction qu’on ne sait rien.
—Alors, répondit Paul un jour, à quoi sert d’apprendre?
—À être modeste; à remplir la vie d’autre chose que des préoccupations de la vanité; à se rendre quelque peu utile à ses semblables, sans exiger d’eux la reconnaissance.»
Le grand cousin faisait beaucoup dessiner Paul, et toujours d’après nature ou d’après des tracés préparés devant son élève, car il n’avait apporté avec lui aucun dessin d’architecture. Puis, Paul mettait au net les attachements des parties déjà élevées de la construction. Ainsi se rendait-il un compte exact de la structure de chacun des morceaux de pierre mis en œuvre.
Paul commençait donc à tracer proprement un détail d’architecture, et son cousin ne manquait jamais de répondre à chacune des questions qui lui étaient adressées. Paul eut bientôt laissé de côté toute timidité ou, si l’on veut, tout amour-propre, et, ne craignant plus de montrer son peu de savoir, il multipliait ses questions. Le grand cousin avait pour habitude d’attendre, pour faire une leçon sur un sujet, que son jeune inspecteur demandât à être éclairé. Il voulait que l’intelligence de son élève fût déjà préparée par la nécessité de savoir, avant d’enseigner. Aussi bien ces leçons traitaient de sujets très divers, mais le grand cousin avait le soin de les relier toutes par l’exposé de principes généraux qui revenaient sans cesse.
Un jour, Paul voulut savoir ce que c’est qu’un ordre et ce qu’on entend par ce mot, en architecture.
«Vous me faites là, petit cousin, une grosse question, à laquelle je ne sais trop si je répondrai de manière à vous éclairer. On peut entendre en architecture ce mot de deux manières: ordre signifie, si l’on veut, ordonnance, corrélation entre les parties. Mais je pense que ce n’est pas ainsi que vous l’entendez; vous me demandez probablement en quoi consistent ce qu’on appelle vulgairement les ordres d’architecture? L’idée d’ordre dans votre esprit implique une série de colonnes ou supports verticaux, portant un entablement ou une plate-bande horizontale! C’est bien cela, n’est-ce pas?
—Oui, c’est cela.
—Eh bien, à des époques reculées, les architectes ont eu la pensée, fort naturelle, d’élever des points d’appui verticaux, et de poser de l’un à l’autre sur leur sommet des traverses, soit de bois, soit de pierre; sur cette claire-voie ils ont établi un toit. Cela formait un abri ouvert par le bas, couvert: ce que nous appelons une halle. Mais comme en bien des cas il fallait aussi fermer ces espaces couverts, en arrière de ces points d’appui verticaux on a bâti des murs en laissant, entre eux et les supports isolés, un espace libre qu’on appelle portique. C’est ainsi, par exemple, que sont conçus certains temples des Grecs. Peu à peu, le génie des architectes, l’étude, l’observation de l’effet extérieur, ont fait donner à ces points d’appui verticaux et à ce qu’ils supportent, c’est-à-dire, à l’entablement, des proportions relatives, délicates, harmoniques, d’où l’on a déduit des lois; car, notez bien que l’exemple précède toujours la règle, que la règle n’est que le résultat de l’expérience. Les Grecs ont ainsi trouvé trois ordres: le Ionien, le Dorique et le Corinthien, qui possèdent chacun leur système harmonique de proportion et leur ornementation. Ces systèmes ne sont pas tellement absolus chez les Grecs qu’ils n’empiètent souvent l’un sur l’autre.
«Mais les Romains qui étaient des gens d’ordre et prétendaient l’imposer en tout et partout, en prenant ces dispositions aux Grecs, ont voulu formuler d’une manière à peu près absolue ces trois systèmes. Cela simplifiait les choses, et les Romains aimaient à enfermer les choses d’art dans un cadre administratif. On a fait pis, quand au seizième siècle on s’est mis à étudier l’antiquité; on a prétendu à tout jamais fixer les rapports entre les divers membres de chacun de ces ordres, et, pour laisser une certaine latitude aux architectes, on en a même ajouté deux aux trois premiers, qui sont: le Toscan et le Composite. Ces ordres momifiés ont été appliqués n’importe où et n’importe comment, ainsi qu’on attache une tapisserie à une muraille pour la décorer. Les architectes se sont souvent plus préoccupés de placer un ordre sur une façade que de disposer convenablement le bâtiment élevé derrière cette devanture. La colonnade du Louvre est certainement ce qui a été fait de plus contraire à la raison en ce genre, puisque son ordonnance n’a aucun rapport avec ce qu’elle couvre, et que cet immense portique, situé au premier étage, ne sert absolument qu’à obscurcir les jours ouverts dans sa longueur et que vous ne voyez jamais personne se promener sur son aire. Mais il fallait être majestueux quand même, alors. Nous ne sommes pas entièrement revenus de ces folies graves, et vous voyez encore aujourd’hui des ordres placés, sans qu’il soit possible de dire pourquoi, devant des bâtiments qui se passeraient volontiers de cette décoration parasite destinée à prouver au public qu’il existe des ordres et des architectes pour les mettre en proportion, suivant la formule.
«Mais vous étudierez ces parties de l’architecture un peu plus tard. Je crois que c’est une mauvaise méthode d’enseigner l’art de mettre des fleurs dans le discours, avant de savoir exprimer clairement sa pensée, et c’est ainsi qu’ont fait des auteurs ou des orateurs qui prennent le galimatias pour la saine rhétorique; des architectes qui, avant de songer à satisfaire pleinement aux exigences de la construction, à étudier les besoins de leur temps, s’amusent à reproduire des formes dont ils n’ont pas approfondi les origines, la raison d’être et le sens véritable. Pour le moment, tenons-nous terre à terre. Il s’agit d’une maison, non d’un temple ou d’une basilique. Il s’agit d’en étudier toutes les parties. La tâche nous suffit.
«Nous avons le loisir de bien étudier les détails de notre bâtisse, puisque le froid nous oblige à fermer le chantier. La construction, mon ami, c’est l’art de prévoir. Le bon constructeur est celui qui ne livre rien au hasard, qui n’ajourne aucune solution et qui sait donner à chaque fonction sa place, sa valeur par rapport à l’ensemble, et cela au moment opportun. Nous avons tracé les plans aux divers étages, nous avons donné les détails nécessaires à la construction des parties inférieures de la maison; maintenant, il nous faut combiner les détails des élévations avec l’ensemble. Nous allons donc, d’abord, établir le profil exact des murs de face, avec la hauteur des planchers, les niveaux des chaînages et les souches des combles.»
Le grand cousin, qui, comme on peut le supposer, avait par avance conçu, sinon tracé toutes les parties de la construction, eut bientôt fait d’établir ce profil devant Paul, qui s’émerveillait toujours de voir avec quelle promptitude son patron arrivait à tracer sur le papier un détail de construction. Il en fit l’observation encore cette fois.
«Comment pouvez-vous ainsi indiquer sans hésiter l’arrangement de toutes ces parties de la bâtisse? dit-il.
—Parce que j’y ai pensé, et que je me suis représenté toutes ces parties en traçant ou en vous faisant tracer les ensembles. Si elles ne sont pas sur le papier, elles sont dans ma tête; et quand il s’agit de les rendre intelligibles pour ceux qui sont chargés de l’exécution, je n’ai qu’à écrire, pour ainsi dire, ce que je sais d’avance par cœur. Et c’est toujours ainsi qu’il est utile de procéder. Voyez ce profil et ces quelques détails (fig. 42); examinons cela ensemble: vous reconnaîtrez bientôt que vous-même avez déjà vu tout ce que contient cette feuille de papier, et qu’avec un peu d’attention vous pourriez coordonner ces diverses parties. Vous voyez figurer l’épaisseur du mur à rez-de-chaussée, avec son axe ponctué; la hauteur de l’allége A et de son appui, la disposition du tableau de la fenêtre, son linteau, la hauteur du plancher, son épaisseur. Le bandeau B était à fixer; il doit avoir l’épaisseur de ce plancher, il s’accuse au dehors. Puis, réduisant les murs de face à 80 centimètres au premier étage, nous posons une assise de retraite en C; l’allége semblable à celle du rez-de-chaussée. La hauteur du premier étage de sol à sol a déjà été fixée. Le membre D inférieur de la corniche accuse l’épaisseur du deuxième plancher; reste à placer au-dessus la tablette en pierre dure qui reçoit le chéneau. Quant à la fenêtre de ce premier étage, elle est construite comme celle du rez-de-chaussée, seulement l’ébrasement est moins profond de 10 centimètres, puisque ce mur a 10 centimètres de moins d’épaisseur. Son linteau est le même, ainsi que les tableaux qui doivent recevoir les persiennes de tôle, et les chaînages passent sous ces linteaux. Comme nous avons des pignons, les corniches ne peuvent retourner et doivent s’arrêter contre une saillie E, laquelle, en s’élevant au-dessus du comble, permet de poser le chaperon F qui aura un filet saillant pour couvrir la rencontre de l’ardoise avec ce pignon. Je trace donc en G l’angle du bâtiment avec cette saillie E’, et l’appareil en besace dont nous avons parlé. Comme je prévois que les solives auront trop de portée en quelques points, je suppose les poutres H intermédiaires, pour les recevoir, et les cerceaux I pour soulager la portée de ces poutres.
«J’ai tracé en K le bandeau du premier étage avec les saillies cotées de l’axe du mur, l’assise de retraite au-dessus, puis en L la corniche et la tablette de couronnement. Vous observerez que cette tablette donne une pente vers l’extérieur, sous le chéneau, afin que, s’il survient une fuite, les eaux s’écoulent au dehors et ne pénètrent pas dans la maçonnerie. Cette tablette porte un larmier a aussi bien que le bandeau, afin que l’eau de pluie ne puisse baver le long des murs. Ces profils seront d’ailleurs tracés grandeur d’exécution pour le tailleur de pierres. C’est sur le bahut M que reposeront les lucarnes qui éclaireront l’étage du comble. Quant à la charpente, dont je ne trace ici qu’une amorce, je vous indiquerai ce qu’elle doit être. Prenez donc ces croquis et faites-en des dessins cotés à l’échelle de 5 centimètres pour mètre, afin qu’ils puissent servir à l’exécution.
«Pendant ce temps-là, je vais vous disposer un autre croquis perspectif des bretêches ou loges de la salle de billard et de la salle à manger, à l’aide duquel vous devrez établir ces détails. Nous verrons comment vous vous en tirerez.
«Les Anglais, dans leurs habitations de campagne, emploient volontiers ces sortes de cages saillantes ajourées. Ils les appellent bow-window et les construisent souvent en encorbellement. Tenez... voici un croquis, dans ce carnet, d’un bow-window d’une maison de Lincoln qui date du seizième siècle (fig. 43). Cette loge saillante portée sur un cul-de-lampe est terminée par un petit terrasson qui forme balcon au premier étage. Remarquez, en passant, comme cette construction est bien entendue. Cette partie de l’Angleterre possède de la pierre, mais cependant les matériaux sont moins communs que n’est la brique. Le constructeur n’a employé ces matériaux chers que pour la bretêche qu’il ne pouvait guère élever en brique et pour les jambages et linteaux des fenêtres. Le reste de la bâtisse est élevé en brique.
«Mais nous donnons trop de saillie à vos bretêches pour qu’il soit possible de les porter en encorbellement.
—Qu’est-ce que vous appelez un encorbellement?
—C’est une construction en saillie ne portant pas de fond, mais soutenue par des corbeaux, d’où lui vient le nom d’encorbellement. Le poids de la maçonnerie qui s’appuie sur la queue, ou la partie engagée des corbeaux, permet d’établir sur leur partie saillante une construction qui, étant moins lourde que celle reposant sur leur queue, est ainsi maintenue sans faire craindre une bascule. Encore faut-il calculer la longueur du bras de levier, c’est-à-dire le rapport de la saillie des corbeaux avec le poids qui maintient leur queue et celui qui repose sur leur tête. Bien entendu, plus les corbeaux sont saillants, plus le poids posé sur leur extrémité extérieure a d’action sur celui qui maintient la bascule. Si bien qu’un poids très minime posé à l’extrémité d’un corbeau très saillant pourrait faire basculer une construction lourde posée à la queue. Aussi a-t-on remplacé souvent les corbeaux par des trompes, c’est-à-dire par un système d’appareil qui reporte les poids extrêmes sur les murs.
L’architecte qui a composé le window que je viens de vous faire voir ne s’est pas préoccupé de ces combinaisons. Il a fait ce qu’on appelle un cul-de-lampe, c’est-à-dire une pyramide renversée, au moyen de trois assises en encorbellement, ou si vous voulez en saillie l’une sur l’autre, de manière à obtenir une portion d’un polygone. Sur ce plateau, il a élevé sa claire-voie qui n’a guère que 0m,24c d’épaisseur. Le cul-de-lampe étant engagé dans la construction du mur, supporte, à cause du poids de celui-ci, la claire-voie, sans basculer. On employait beaucoup ces sortes de balcons fermés pendant le moyen âge, parce qu’ils donnaient de la place dans les étages supérieurs sans empiéter sur le sol de la voie publique et parce qu’ils donnaient des vues de flancs. Si les règlements de voirie ne permettent plus d’établir ces saillies dans nos villes, rien n’empêche d’en ménager lorsque nous construisons à la campagne. Encore faut-il que ce soit motivé. Pour nous, dans le cas présent, ces constructions en encorbellement n’ont pas d’objet, et il nous en coûtera moins de faire porter nos bretêches de fond.»
Une heure plus tard, le grand cousin remettait à Paul le croquis ci-joint (fig. 44) donnant la disposition de la bretêche de la salle de billard, afin qu’il en étudiât la construction. Ce travail demanda beaucoup d’attention à notre inspecteur des travaux, et il ne put le mener à bonne fin qu’après avoir demandé bien des avis et renseignements au grand cousin.
SUITE DES ÉTUDES THÉORIQUES
La saison, de plus en plus rigoureuse, ne permettait pas de reprendre les travaux. Les constructions commencées étaient cachées sous une couche épaisse de chaume et de terre que recouvrait un manteau de neige. Les journées se passaient à faire les détails qui devaient être remis au père Branchu et au charpentier lorsque le temps permettrait de reprendre les travaux. Pendant les longues soirées, on s’entretenait de questions théoriques, touchant l’art de bâtir, lorsque la famille était rassemblée et qu’on s’était mis au courant des nouvelles du moment. C’était pour Paul un moyen de s’instruire et pour la famille une distraction au milieu des préoccupations qui pesaient sur tous en ces tristes circonstances. Paul avait vu son cousin tracer dans la journée un certain nombre de profils, grandeur d’exécution; et comme lui-même avait des dessins à mettre au net, il ne s’était pas interrompu pour questionner le patron. Mais le soir, Paul demanda quel était le procédé à employer pour tracer ces profils.—«Vous voudriez toujours qu’on vous donnât des recettes, Paul, lui répondit le grand cousin. Or, il n’y a pas plus de recettes pour tracer des profils qu’il n’y en a pour toutes les autres parties de la construction. Il y a des conditions imposées par la destination, la nature des matériaux, la manière de les mettre en œuvre, l’usage et l’effet à obtenir. À ces conditions joignez le bon sens, l’observation et l’étude, vous tracerez des profils.
«Reprenons, si vous voulez, ces conditions une à une.
«La destination: Un profil est fait, vous le devez supposer, pour remplir un objet; si vous tracez une corniche, c’est pour couronner un mur, porter un chéneau ou l’avancée d’un toit; éloigner les eaux pluviales de ce mur; donc il faut que cette corniche soit assez saillante pour remplir cet objet.—La nature des matériaux: il est clair que, si vous possédez des pierres résistantes, tenaces, fournies en larges morceaux, ou des pierres menues et friables, vous ne pourrez donner le même profil à ces deux natures différentes de matériaux. La manière de mettre en œuvre ces pierres doit également influer sur la forme à donner à ce profil. S’il nous faut monter les pierres à l’aide de moyens très simples, primitifs, qui ne permettent pas d’élever des poids considérables à d’assez grandes hauteurs, ou si vous possédez ces moyens: dans le premier cas, il vous faudra éviter les profils qui exigent de grands blocs; dans le second, vous les pourrez adopter.—L’usage: Vous devez nécessairement tenir compte des usages de la localité où vous bâtissez, parce que ces usages résultent le plus souvent d’une observation judicieuse des conditions imposées par le climat, par les besoins, le mode de travail et la nature même des matériaux. J’entends par usages, non certaines méthodes importées qui sont affaire de mode, et ne sont pas la conséquence de ces conditions, mais bien celles qui sont fournies, comme je viens de le dire, par une observation longue et judicieuse.—L’effet à obtenir: L’architecte habile peut, à l’aide du tracé d’un profil, donner un aspect robuste ou délicat à une construction. Il doit toujours subordonner le tracé à l’échelle de cette construction et à celle des matériaux. Il est ridicule de prétendre obtenir de grands profils si l’on ne possède que des pierres basses de banc ou d’une nature peu résistante, comme il est absurde de profiler délicatement des pierres grossières et dont la taille est difficile.
«Vous voyez donc que la recette, en ceci comme en tout ce qui touche à l’art de bâtir, est d’abord de raisonner.
«Les Athéniens, qui ont bâti des monuments en marbre blanc, ont pu se permettre des délicatesses dans le tracé de leurs profils qui ne sauraient s’appliquer au calcaire grossier de nos pays. Et quand les Grecs ont bâti des édifices en pierres d’une nature poreuse ou à gros grains, ils ont eu le soin de revêtir les tailles d’un enduit très fin qui leur permettait de cacher la grossièreté de la matière. Mais, s’ils pouvaient employer ce procédé sous un climat doux où il ne gèle jamais, cela ne saurait être pratiqué chez nous, où le thermomètre descend en moyenne, pendant deux mois d’hiver, à 4° au-dessous de zéro, et où, à certains jours, comme en ce moment, il atteint 15°. Il faudrait refaire ces enduits tous les printemps.
«Nos architectes du moyen âge qui ne suivaient pas l’enseignement dit classique, que l’on professe aujourd’hui à notre École des Beaux-Arts, et qui n’allaient pas étudier l’art de bâtir propre à la France à Rome et à Athènes, avaient cherché le tracé des profils qui convient à nos matériaux et à notre climat, ce qui semble assez rationnel; or, ce tracé... ils l’ont très bien trouvé et appliqué. Je vais vous en fournir la preuve.
«D’abord, comme ils ne faisaient pas de ravalements, ainsi que je vous l’ai dit, mais qu’ils posaient les pierres toutes taillées sans qu’il y eût à y retoucher une fois en place, ils avaient dû, nécessairement, tracer chaque profil dans la hauteur d’une assise. Si celles-ci étaient hautes, leurs profils pouvaient être grands; si elles étaient basses, leurs profils étaient petits.
«Prenons, par exemple, un bandeau. On appelle bandeau une assise de pierre qui indique un plancher, un repos intermédiaire dans la hauteur d’un mur. Et ce n’est pas sans raison qu’au niveau d’un plancher on pose une assise qui forme saillie au dehors: 1º parce qu’il est bon de donner plus de force au mur à ce niveau qui reçoit des entailles; 2º parce qu’il faut arraser la construction à ce même niveau, la régler pour monter un nouvel étage. Mais il ne faut pas que cette assise arrête les eaux pluviales et provoque ainsi la pénétration de l’humidité dans les murs; au contraire, il faut qu’elle soit profilée de telle sorte que cette humidité soit éloignée, afin de ne pas pourrir les bois. Voici donc (fig. 45 en A) comment les architectes qui songeaient plutôt à satisfaire aux nécessités de la construction qu’à emprunter des formes à des édifices sans relations avec les conditions imposées par notre climat et notre genre de structure, profilaient habituellement un bandeau. Ils traçaient la ligne a b suivant un angle de 60°. Du point c ils abaissaient sur cette ligne a b une perpendiculaire c b. L’angle a b c était alors un angle droit. Prenant de b en d une longueur plus ou moins étendue, suivant la résistance de la pierre, ils évidaient la moulure e que nous appelons coupe-larme ou mouchette; de telle sorte que l’eau de pluie tombant sur la surface inclinée a b, ne s’y arrêtait pas, suivait la pente b d et tombait forcément en d sur le sol, puisqu’elle ne pouvait remonter dans la gorge. Donc, le parement du mur c f était garanti. S’agissait-il d’une corniche (voir en B), on établissait une première assise g destinée à supporter la saillie de la tablette h, puis on posait, en seconde assise, cette tablette h, en ayant soin de ménager un coupe-larme en i. Si cette tablette devait recevoir un chéneau de métal ou de pierre, on avait le soin de tailler une pente de j en k, en laissant le lit horizontal au droit des joints, ainsi que vous l’indique le tracé perspectif C. Le chéneau portait donc sur ces réserves l, et, s’il venait à laisser échapper les eaux par les joints, ces infiltrations trouvant la pente k j, la suivaient, arrivaient au coupe-larme i, et tombaient sur le sol sans pénétrer dans l’épaisseur du mur. Suivant que la pierre employée était dure ou tendre, les moulures étaient plus ou moins vives ou molles. Ainsi, je suppose ici que le profil a été taillé dans une pierre d’une dureté médiocre, tandis que, si cette pierre est très résistante, vous pourrez accentuer le profil comme je l’indique en D. Vous obtiendrez alors un effet plus vif, des ombres plus noires, des clairs plus brillants. Mais il faut toujours penser, en traçant les profils extérieurs, à la projection des rayons solaires.
«Si, par exemple, vous tracez un profil tel que celui-ci, en E, il est évident que les rayons solaires étant suivant la direction O P, toutes vos moulures demeureront dans l’ombre et ne produiront aucun effet. Mais dès que le soleil s’abaissera suivant une direction plus inclinée R S, toutes les moulures recevront des filets de lumière à peu près égaux, et le profil donnera une succession d’ombres et de clairs uniformes qui n’indiqueront point la saillie. Mais si vous tracez ce profil conformément à la figure F, les rayons solaires, suivant la même direction o’ p’, rencontreront les saillies n m qui seront lumineuses, et cette direction s’abaissant, vous aurez toujours des différences de rapport entre les ombres et les lumières. Je ne vous donne ici que des vues générales; c’est à vous d’observer et de tirer profit de vos observations quand vous aurez l’occasion d’étudier les monuments.
«Il est aussi fort important de subordonner le tracé des profils à la nature des matériaux employés. Vous ne pouvez donner à une matière moulée, coulée ou traînée comme le plâtre ou les ciments et mortiers, les profils qui conviennent à de la pierre. Ces matières enduites ne se prêtent qu’à un moulurage fin et peu saillant. De même, si vous donnez des profils pour des ouvrages de bois, il faut les tracer en raison de la qualité ligneuse et tenace de cette matière, éviter les trop larges surfaces; il ne faut pas perdre de vue que le bois se prête à un travail délicat, n’est mis en œuvre qu’en pièces relativement peu épaisses, et demande, pour être travaillé convenablement, l’emploi d’outils étroits, tels que les ciseaux, les rabots, la varlope, lesquels courent suivant le fil et ne sauraient engager des surfaces étendues en largeur. En tout ceci, l’économie est d’accord avec le sens commun et le bon effet produit; car, s’il vous plaît d’imposer un tracé de profil qui ne s’accorde pas à la matière mise en œuvre, vous provoquerez l’emploi de procédés inusités, difficiles, et par conséquent dispendieux, et votre œuvre paraît pénible, cherchée, laborieuse. Il est des architectes qui pensent étonner en adoptant ainsi des procédés qui ne concordent pas avec les matériaux qu’ils mettent en œuvre; qui, s’ils construisent en briques, s’évertuent à donner l’aspect d’une construction de pierre à leur bâtisse; qui prétendent simuler du marbre avec de la menuiserie, ou de la menuiserie avec des enduits; qui semblent enfin prendre à tâche de donner à chacune des matières employées les formes qui ne sont pas appropriées à leurs qualités. Rendez-vous compte de ces procédés fâcheux, pour les éviter toujours, si vous voulez être architecte. Le goût faussé chez la plupart des gens du monde qui se mêlent de faire bâtir, est souvent un obstacle à l’emploi des méthodes sensées, car malheureusement, chez nous, les études classiques ont poussé les artistes dans cette voie fausse, et, par suite, le public s’est pris de passion pour les tristes résultats auxquels elle conduit; si bien qu’il est difficile souvent de faire entendre raison aux clients et de procéder suivant ce que commande une juste observation de l’emploi des matériaux. N’importe, il est des questions sur lesquelles un architecte qui respecte son art ne doit jamais céder.
—C’est, en effet, dit M. de Gandelau, une étrange manie chez certaines gens qui font bâtir, de prétendre imposer les fantaisies les plus burlesques à leurs architectes; et cela ne date pas d’aujourd’hui, puisque Philibert Delorme s’en plaignait déjà de son temps.
—Philibert Delorme, répliqua Paul, est, je crois, l’architecte qui a bâti le palais des Tuileries.
—Oui, en partie du moins, reprit le grand cousin; mais vous avez son livre, me semble-t-il, dans votre bibliothèque?
—Certes; je vais vous le chercher.» M. de Gandelau ne tarda guère à rentrer au salon, muni du vénérable in-folio.
«Tiens, dit-il à son fils, je te le donne, et tu feras bien de méditer ces pages. Voici le titre de la Préface: «Singuliers advertissements pour ceux qui légèrement entreprennent de bastir sans l’advis et conseil des doctes architectes; et des faultes qu’ils commettent, et inconvénients qui en adviennent.» C’est le commencement de ta bibliothèque d’architecte, si tu dois choisir cette carrière; et tu ne pourrais avoir sous les yeux un ouvrage mieux fait pour inspirer des sentiments droits, le respect de la profession. Je ne saurais en parler au point de vue du métier, auquel je n’entends rien; mais en lisant quelques-unes de ces pages, je me suis du moins épargné cette prétention dispendieuse de certains propriétaires à vouloir diriger eux-mêmes leurs bâtisses.
—La sincérité de Philibert Delorme ne lui a pas été profitable, répliqua le grand cousin.
—Soit; mais il a laissé un livre qui le fait estimer comme homme, indépendamment de son mérite comme architecte, trois cents ans après la publication, puisqu’il est daté de 1576; cet avantage se paye par quelques désagréments pendant la vie, car on ne sait gré aux gens de dire des vérités que quand ils ne sont plus là pour recevoir de l’opinion le prix de leur sincérité.
—Hum... alors il ne faut pas être surpris si peu de personnes osent énoncer ces vérités, et si les architectes,... puisqu’ils sont sur le tapis, préfèrent à cette gloire posthume, le calme et le bien-être que leur procurent, leur vie durant, des complaisances envers leur clients, dussent-elles donner à ceux-ci des regrets tardifs, ou leur occasionner des dépenses inutiles.
—Allons, allons, dit M. de Gandelau, vous n’êtes pas de ces architectes, vous qui parlez, et cependant vous avez encore une belle et bonne clientèle; je ne sais si dans trois siècles on parlera de vous, mais je sais qu’on vous estime aujourd’hui.
—Alors votre jugement de tout à l’heure n’est pas absolu?
—Non, certes...; l’esprit de conduite est pour beaucoup en tout ceci, et il y a manière de dire des vérités... Convenez cependant que vous avez manqué plus d’une affaire pour avoir été trop sincère à ses débuts?
—Sans nul doute; il est même à croire que si je n’avais pas été servi par certaines circonstances favorables qui m’ont mis en rapport avec des clients habitués à traiter de grandes affaires, avec des hommes à l’esprit trop élevé et sérieux pour s’occuper des détails de notre métier, je n’aurais pas grand’chose à faire. À un point de vue général, vous avez raison, et la plupart des personnes qui font bâtir redoutent de s’adresser à des architectes sachant bien leur métier, mais d’un caractère indépendant. Ce qu’elles cherchent (et en ceci les femmes ont une influence souvent fâcheuse), ce sont des médiocrités complaisantes, qui se prêtent à toutes leurs fantaisies, quitte à s’en repentir peu après.
—Vous nous attaquez à tort, reprit Mme de Gandelau, les femmes n’ont pas la prétention de se connaître en architecture, et elles ne demandent qu’un bon aménagement des intérieurs; ce qui est assez naturel, puisqu’elles ont la direction des affaires de la maison et que, plus que personne, elles souffrent des distributions incommodes ou mauvaises des habitations.
—D’accord; mais, d’une part, les maîtresses de maison demandant des distributions à leur convenance, souvent compliquées et exigeant des dispositions particulières; et de l’autre, les maîtres voulant des dehors qui présentent tel style ou tel aspect dont ils sont férus, il est difficile, sinon impossible, de concilier ces deux exigences qui, souvent, se contrarient; le malheureux architecte, désirant contenter tout le monde, accorder des volontés contradictoires, n’obtient rien de bon, et, l’œuvre achevée, chacun de son côté lui jette la pierre. Combien de fois n’ai-je pas été appelé pour réparer les bévues, les malfaçons qui étaient la conséquence de ces tiraillements et des complaisances funestes de l’architecte? On voulait bien me dire alors qu’on était désolé de ne m’avoir pas pris pour diriger l’entreprise. Il était un peu tard, et cet exemple ne servait pas à d’autres.
—Que faire? reprit Mme de Gandelau. Si les choses se passent ainsi que vous le dites, vous offrez à Paul une carrière qui me semble n’être qu’une impasse; et à moins qu’il n’obtienne des travaux du gouvernement...
—Oh! c’est là une chance trop éventuelle, et une carrière qui dépend du gouvernement n’en est pas une. Il faut qu’un homme puisse se tirer d’affaire sans compter sur cet appui très précaire. Puis, les élus sont en petit nombre.
—Alors?
—Alors il faut enseigner, il faut faire pénétrer le savoir, la raison, l’habitude de réfléchir, partout, et surtout au sein des générations qui s’élèvent. Quand les gens du monde, quand les personnes qui font bâtir et qui, par conséquent, sont favorisées de la fortune, en sauront un peu plus qu’elles n’en savent, elles s’apercevront qu’il leur reste tout à apprendre en quelque branche que ce soit des connaissances, que le mieux est de s’en rapporter aux hommes spéciaux pour traiter des questions spéciales, et de les laisser faire. Il n’est personne qui, autour d’un blessé, se permette de donner un avis au chirurgien sur la manière de pratiquer une opération. Pourquoi chacun se mêle-t-il de donner son opinion à un architecte sur la façon dont il devra conduire une entreprise?
—Ce n’est pas tout à fait la même chose.
—À peu près; seulement, Madame, comme il s’agit de la vie, on ne souffle mot devant le chirurgien; et comme il ne s’agit que de la bourse, parfois de la santé, mais à échéance, devant l’architecte, chacun dit son mot.
—Nous voilà loin des profils,» dit M. de Gandelau en se levant.
LACUNE
Peu de jours après cette conversation, un corps assez nombreux de troupe traversa la contrée. Les Allemands manœuvraient sur les deux rives de la Loire, ils menaçaient Tours. Un officier général vint loger chez M. de Gandelau, il connaissait le grand cousin. Celui-ci souffrait impatiemment de l’inactivité à laquelle il était réduit depuis que la guerre prenait une tournure si funeste.
Il eut avec cet officier général un assez long entretien le soir, et le lendemain matin il déclara à M. de Gandelau qu’il partait avec le corps qui traversait le pays; qu’on manquait d’officiers du génie, et qu’à la rigueur il pouvait en remplir les fonctions; que le général, son ami, approuvait fort sa détermination et que, dans des circonstances aussi graves, il croyait de son devoir de ne pas hésiter à partir, puisqu’il pouvait rendre quelques services. M. de Gandelau n’essaya pas de le retenir, il comprenait trop bien les sentiments qui dominaient son hôte.
«Que ferons-nous de Paul? lui dit-il.
—Vous avez dans votre bibliothèque une édition latine de Vitruve?
—Oui.
—Eh bien, confiez-la-moi; je vais, en une heure, avant mon départ, expliquer à Paul comment il devra travailler sur ce traité: cela l’empêchera d’oublier ce qu’il sait de latin, et il en tirera profit pour les études que nous avons commencées.
—Excellente idée.
—Vous exigerez de Paul que deux fois par semaine il vous remette la traduction d’un chapitre avec figures explicatives dessinées, cela lui entretiendra la main et occupera son esprit. Je ne pense pas que cette traduction puisse faire oublier même celle de Perrault: mais n’importe, il ne perdra pas tout à fait son temps. Dès que je pourrai revenir, vous me reverrez.»
Paul était désolé du départ du grand cousin et de ne pouvoir le suivre; il aurait bien voulu continuer ses études sur l’art de bâtir par un cours d’ingénieur militaire sur le terrain, mais c’eût été un embarras pour le grand cousin, et Mme de Gandelau en serait morte d’inquiétude. Paul fut nanti de l’édition de Vitruve, et le travail auquel il devait se consacrer lui fut expliqué.
Deux heures après, le grand cousin, muni d’une petite valise se mettait en marche avec son ami le général, dont le corps se dirigeait vers Châteauroux. De part et d’autre on s’était bien promis d’écrire.
On croira sans peine que la maison de M. de Gandelau prit l’aspect le plus triste après ce départ précipité. Le maître avait, dès le début de la guerre, équipé et fait partir tous les gens valides. Il n’y avait plus dans ce logis que deux ou trois vieux serviteurs et quelques femmes qui la plupart avait leurs maris ou leurs enfants à l’armée. M. et Mme de Gandelau n’allaient plus au salon, dans lequel des lits avaient été disposés pour des blessés, en cas qu’il en vînt. La famille se réunissait dans la chambre de Mme de Gandelau et on mangeait dans une petite pièce servant habituellement d’office.
Paul, le grand cousin parti, alla faire une visite au chantier. Il était désert; la neige couvrait les tas de moellons, les pierres de taille et les charpentes éparses. Les murs montés à une certaine hauteur, protégés par du chaume, surmontés d’une crête de neige, leurs parements brunis par l’opposition de la nappe blanche qui les entourait, quelques morceaux de bois noircis par l’humidité, donnaient à ces constructions ébauchées l’aspect des débris d’un incendie.
Bien qu’à l’âge de Paul on ne soit pas facilement accessible aux sombres pensées, le pauvre garçon ne put, en face de cette solitude, retenir ses larmes. Il revoyait par la pensée ce chantier si animé un mois auparavant, les gars occupés à leur ouvrage. Tous étaient partis. L’âme de cette future maison qui représentait pour lui la joie de la famille venait de le quitter.
Malgré le froid, il s’assit sur une pierre, et, la tête dans ses mains, de tristes pensées l’assiégeaient. C’était la première douleur, le premier dur mécompte qu’il éprouvât; il lui semblait que tout était fini, qu’il n’y eût plus pour lui ni espoir, ni bonheur possible au monde.
Une main appuyée sur son épaule le fit tressaillir; il leva la tête, son père était derrière lui. Le premier mouvement de Paul fut de se jeter dans ses bras en sanglotant. «Voyons, Paul, mon enfant, calme-toi, lui dit M. de Gandelau. Nous vivons dans un temps d’épreuves; qui sait celles qui nous sont réservées? À peine si, pour nous, elles ont commencé. Pense donc combien il est en ce moment de douleurs en France! Que sont nos inquiétudes et nos chagrins auprès de ces angoisses? Réserve tes larmes, peut-être n’auras-tu que trop l’occasion d’en répandre. Il est toujours temps de se désoler. J’ai vu que tu te dirigeais de ce côté et je t’ai suivi, prévoyant ton chagrin... Mais qu’est cela? rien, ou bien peu de chose... Remets-toi courageusement au travail, seul, puisque notre ami a dû nous quitter pour remplir un devoir sacré. Il reviendra; tu as appris à l’aimer et à l’estimer davantage, montre-lui que tu es digne de l’affection qu’il t’a marquée, en lui remettant alors un travail sérieux.
«Certes, il serait touché de ton chagrin, où il entre pour une bonne part; sois assuré qu’il sera plus touché encore de voir que tu as scrupuleusement suivi ses dernières instructions, et que sa présence n’est pas le seul mobile qui te fasse aimer le travail.»
Le père et le fils regagnèrent la maison. Les conseils de M. de Gandelau, le soin qu’il mettait à faire entrevoir à Paul des temps meilleurs, avaient peu à peu rendu à celui-ci, sinon la gaieté, au moins le calme et le désir de bien faire. M. de Gandelau craignait surtout pour son fils le découragement, cette tristesse vague, inféconde, dont la jeunesse aime parfois à se nourrir et qui énerve les âmes les mieux douées.
Il entra donc dans la chambre de Paul, et prenant le Vitruve laissé sur la table, il se mit à le parcourir. M. de Gandelau savait beaucoup, quoiqu’il ne fît en aucune circonstance parade de ses connaissances. C’est un bien qu’il réservait pour lui. Familier avec les auteurs de l’antiquité, il pouvait lire, sinon expliquer en architecte dans toutes ses parties, le texte de Vitruve: «Tiens, dit-il à Paul, voilà un chapitre qui doit être intéressant et qui peut t’enseigner beaucoup de choses, c’est le chapitre VIII: de generibus structurae et earum qualitatibus, modis ac locis. Comment traduirais-tu ce titre?
—Des genres de constructions, de leurs qualités suivant les usages et les localités, répondit Paul.
—Oui, c’est cela; mais en parcourant ce chapitre, je vois qu’il n’est question que de la maçonnerie; l’auteur, en se servant du mot structura, ne me paraît avoir voulu s’occuper que des constructions faites en briques ou en moellons. Il serait mieux, sans doute, de traduire ainsi: Des différents genres de maçonnerie, des propriétés de cette structure, en raison des usages et des circonstances locales.
«Eh bien, mets-toi à traduire ce huitième chapitre. Je vois que l’auteur a décrit les natures de maçonneries dont il recommande l’emploi en telle ou telle circonstance. Il faudra donc joindre des figures à ta traduction. Allons! bon courage et suppose que ton cousin est là tout prêt à rectifier tes erreurs.»
Paul se mit donc à la besogne, en essayant de rendre par des croquis chacune des descriptions de Vitruve. Il va sans dire que cela lui donnait beaucoup de peine; bien des mots lui étaient étrangers et le dictionnaire ne l’aidait que très incomplètement s’il s’agissait d’en connaître le sens exact. Cependant peu à peu ce travail l’attachait. Il cherchait, pour comprendre, à se rappeler des bâtisses qu’il avait vues; il se souvenait de quelques instructions données par le grand cousin; et, tant bien que mal, il mettait sur le papier, en regard de la traduction, des croquis passablement tracés, s’ils n’étaient pas la véritable expression de la description donnée par l’auteur.
Ainsi, pendant la fin du mois de décembre et le commencement de janvier, parvint-il à traduire une douzaine de chapitres que son père lui indiqua, en illustrant son texte. Cela lui donnait grande envie de connaître les monuments contemporains de l’auteur, et regardait-il avec attention un certain nombre de gravures de Piranesi d’après les antiquités de Rome, que son père possédait. M. de Gandelau avait conseillé à Paul d’écrire les questions que sa lecture faisait naître dans son esprit, pour les soumettre à son cousin dès son retour. Ses jours s’écoulaient ainsi rapidement; et bien que la tristesse et l’inquiétude assombrissent toutes les heures, M. de Gandelau s’occupant sans cesse au dehors à soulager des misères, à organiser la lutte contre les envahisseurs; Paul travaillant avec courage, et voyant son cahier grossir; Mme de Gandelau ayant organisé un atelier de lingerie avec les femmes du village, pour nos malheureux soldats dépourvus de tout, la nuit venue, les membres de la famille se réunissaient encore avec cette secrète joie que procure un devoir accompli. Vers les derniers jours de janvier, un journal annonça aux hôtes du château qu’un armistice était signé. Si cette nouvelle annonçait la fin de la lutte, elle présageait le commencement des humiliations les plus dures. Aussi fut-elle accueillie plutôt avec tristesse qu’avec un sentiment de soulagement.
Peu de jours après, le grand cousin revenait au château. Il n’est besoin de dire qu’il y fut accueilli à bras ouverts. Paul surtout manifestait sa joie. On parla de reprendre les travaux. Les dernières lettres de Mme Marie annonçaient qu’elle serait de retour vers la fin de l’hiver suivant. Ces lettres, toutes remplies des sentiments d’inquiétude, des angoisses éprouvées loin de la France, ne disaient pas un mot de la maison future. Si donc on la pouvait achever, la surprise serait complète. Pendant les jours de repos dont le grand cousin avait le plus grand besoin, celui-ci revit et corrigea la traduction de Paul, rectifia ses croquis. Le tout fut mis au net et on atteignit ainsi les premiers jours de mars, où il fut décidé qu’on rouvrirait le chantier.
REPRISE DES TRAVAUX.—LA CHARPENTE
Vers la mi-mars, le temps étant beau, les travaux furent repris et il fallut donner les détails nécessaires à la confection des planchers et combles au charpentier, pour n’être point retardés. Paul comprenait plus vite les croquis donnés par le grand cousin, et il commençait à pouvoir se rendre utile. Puis il avait pris l’excellente habitude de demander des explications quand au premier abord il ne croyait pas pouvoir interpréter fidèlement un tracé sommaire; et le grand cousin ne marchandait pas les éclaircissements ou commentaires. Sa patience était inépuisable. Cependant chaque fois que Paul était embarrassé et ne savait résoudre une question difficile, avant de le mettre sur la voie, le grand cousin le laissait chercher pendant un temps raisonnable.
«Réfléchissez, lui disait-il, vous trouverez toujours une solution; si elle n’est pas la bonne, je viendrai à votre aide; mais il faut de vous-même trouver quelque chose. On ne saisit bien une solution donnée par celui qui sait, que quand on a tourné autour, qu’on a fait quelques efforts pour résoudre soi-même le problème posé. C’est un exercice préalable nécessaire, et qui dispose l’esprit à comprendre. Faites une coupe générale du bâtiment principal sur la salle de billard et le cabinet de votre beau-frère, c’est-à-dire une coupe transversale qui indiquera les murs, les planchers, les cheminées et les combles. Vous possédez à peu près tous les éléments nécessaires. Essayez de coordonner tout cela, afin de bien vous rendre compte de toutes les parties du bâtiment. Je ne prétends voir cette coupe que quand vous aurez terminé. Alors seulement je la corrigerai et cette correction vous profitera.»
Se servant donc des détails déjà tracés, Paul établit la coupe transversale, non sans peine; mais les charpentes du comble étaient singulièrement conçues, leur composition lui semblait difficile et compliquée. Il n’avait su comment fermer l’ouverture large réunissant la salle de billard au salon. Les lucarnes de combles lui causaient des embarras sérieux. Puis il avait beaucoup de peine à imaginer dans son esprit l’emmanchement de toutes ces parties. Quelque effort qu’il fît, il ne se représentait pas nettement la position de chaque chose. Il n’était pas satisfait; et il le dit franchement à son cousin.
«J’espère bien, répondit celui-ci, que vous n’êtes pas satisfait! Ce serait mauvais signe, car cela prouverait que vous n’avez pas beaucoup cherché. Vos murs sont bien à leur place suivant le profil que nous avons adopté. Mais les charpentes, les lucarnes!... tout cela ne pourrait tenir et manque de simplicité. Pourquoi tant de pièces de bois?... Vous êtes-vous rendu compte de leur utilité? Nous avons des murs, profitons-en. Pourquoi ne pas vous servir, pour porter en partie la charpente du comble, du mur qui sépare la salle de billard du cabinet de travail, d’autant que ce mur reçoit des tuyaux de cheminée qu’il faut nécessairement conduire au-dessus de la couverture? Vous n’avez pas songé aux cheminées; c’est une étourderie, car vous les voyez marquées sur les plans du rez-de-chaussée, du premier étage et des combles.
—J’y ai bien songé, répondit Paul, mais je n’ai su comment les faire passer.
—Alors vous ne les avez pas tracées, c’est un moyen d’éviter la difficulté; mais vous savez qu’il faut bien cependant qu’elles traversent le comble? Voilà ce que je n’admets pas; mettre de côté une question, ce n’est pas la résoudre. Allons, revoyons tout cela ensemble.»
La coupe fut bientôt rectifiée (fig. 46), et le grand cousin ne manqua pas de la meubler des détails que devaient recevoir les pièces sur lesquelles la section était faite: ce qui plut fort à Paul qui voyait ainsi la salle de billard terminée, avec son ouverture sur le salon, le cabinet de son beau-frère avec ses portes; puis, au-dessus, la chambre à coucher de celui-ci, son cabinet de toilette et les deux chambres des combles. Ce tracé lui parut charmant; il lui semblait déjà qu’il entrait dans les pièces et qu’il jouissait de la surprise de sa sœur en examinant ces intérieurs. Il voulait montrer à l’instant même toutes ces jolies choses à Mme de Gandelau; mais le grand cousin l’engagea à prendre patience.
«Tout cela, lui dit-il, ne signifie rien, ce n’est qu’une image; il faudra donner les détails de ces boiseries, de ces arrangements intérieurs, et à l’étude il y aura beaucoup à revoir. Laissez un peu ces intérieurs et examinons la charpente des combles. Établissons-la en plan (fig. 47). Les murs A B sont les pignons qui doivent porter les pannes. Nous avons en C D deux murs de refend qui forment également pignons et recevront de même les pannes. Mais les espaces E C sont trop larges pour recevoir de E en C des pannes. Entre eux, nous comptons 6m,60c; or, les pannes ne doivent pas avoir plus de 4 mètres de portée si l’on veut éviter leur flexion. Il faut donc poser des fermes intermédiaires en G H, le long des jouées des lucarnes milieux I. Ainsi les pannes de A en G n’auront que 4 mètres de longueur, et nous pourrons les soulager par des liens du côté des pignons extrêmes. De K en L nous aurons des branches de noues à la pénétration des combles. Établissons d’abord les fermes G H (fig. 48). La hauteur entre planchers de l’étage du comble devra avoir 3 mètres. Nous poserons donc les deux jambes A sur deux semelles reliées par un tirant qui passera sous le parquet. Sur ces jambes, un entrait B; puis pour relier les jambes avec l’entrait, les moises C. À l’extrémité de cet entrait porteront les pannes D. Les arbalétriers E s’assembleront sur cet entrait et viendront saisir le poinçon F. Sous les secondes pannes H, il faudra placer des moises G, formant entrait retroussé. Le faîtage I portera sur ce poinçon avec liens en écharpe. Ces pannes porteront de l’autre bout sur les pignons. Ainsi pourrons-nous poser le chevronnage qui recevra la volige et l’ardoise. Ces pièces (entraits, entraits retroussés, arbalétriers), pourront passer à travers le mur longitudinal K recevant les tuyaux de cheminée et réciproquement, la charpente étayera ce mur et celui-ci soulagera et raidera la charpente. Pour le milieu du bâtiment, ayant les deux murs C D, il nous suffira de poser le faîtage L avec les deux liens-décharges M assemblés aux extrémités d’une filière N qui arrêtera leur écartement. Nous poserons au même niveau les filières a b (voir la fig. 47) qui recevront les faîtages O des combles en pénétration. Ces filières seront de même déchargées par des liens R. C’est sur ces faîtages O que viendront s’assembler les branches de noues S rabattues en S’. Le chevronnage sera ainsi bien établi partout, et nous n’aurons, relativement à la surface du bâtiment, que peu de bois à mettre en œuvre, puisque nous nous servons autant que possible des murs intérieurs. Les pignons nous permettent d’éviter les croupes difficiles à bien établir et à couvrir, et qui demandent beaucoup de bois. Reste le comble de l’escalier. Pour vous faire comprendre la manière de le construire, je vais vous en donner le tracé perspectif. Ce comble porte sur des murs qui s’élèvent au-dessus de la corniche du bâtiment, mais il pénètre le toit de ce bâtiment principal en X (voir la fig. 47). Vous observerez, en examinant le tracé (fig. 39), que les murs de l’escalier laissent un angle sans point d’appui, sur le vestibule. Il faudra donc porter l’arêtier du comble sur ce vide. À cet effet, nous placerons une fermette sur les deux têtes du mur, laquelle recevra l’about de cet arêtier postérieur V indiqué sur la figure 47. Cette disposition est visible dans le tracé perspectif (fig. 49), qui donne la tour carrée de l’escalier principal avec sa charpente. Nous élèverons le noyau barlong A de cet escalier jusqu’au niveau de la corniche. Nous poserons sur les murs les sablières B; puis des trois angles jusqu’au noyau, les semelles C. Sur les abouts assemblés à mi-bois de ces semelles, nous élèverons les deux poinçons D et les trois arêtiers E. Le pied des deux poinçons sera réuni par les moises F. Quant à l’arêtier postérieur G, il viendra s’assembler sur la face du poinçon de la fermette, ainsi que je vous le trace en G’; et pour que cette fermette ne soit pas poussée par cet arêtier, des moises H réuniront la tête du poinçon de la fermette au poinçon du comble D’. Sur les angles des arêtiers, en I, il faudra fixer des chantignolles pour poser les abouts K des pannes qui soulageront la portée des chevrons.
«En L vous voyez le pignon qui doit se joindre au comble de l’escalier, et n’oubliez pas qu’il faut incruster, le long des murs contre lesquels se tracent les couvertures en pénétration, des filets M en pierre, qui forment solins[63] au-dessus de ces couvertures pour empêcher les eaux pluviales de passer entre l’ardoise et le mur. On fait le plus souvent ces solins en plâtre ou en mortier, sur la couverture même; mais celle-ci étant sujette à des mouvements, ces solins se décollent et il faut les refaire sans cesse. Incrustés dans la maçonnerie au-dessus des pentes de la couverture, ils recouvrent la jonction de l’ardoise ou de la tuile avec les murs et, étant indépendants, ils ne sont pas sujets à se dégrader par suite des mouvements de la charpente.
«Vous allez tracer ces charpentes à une échelle de 0m,02c pour mètre; je corrigerai vos dessins, et nous les donnerons au charpentier pour qu’il dispose ses bois le plus tôt possible. Nous indiquerons les grosseurs de ces bois. Ainsi, les arbalétriers devront avoir 0m,20c x 0m,18c les moises 0m,08c x 0m,18c, les poinçons 0m,18c x 0m,18c, l’entrait de même, les jambes 0m,20c x 0m,20c, les chevrons 0m,08c x 0m,10c. Les pannes 0m,20c x 0m,20c au maximum et sans aubier ni flâches.
—Qu’appelez-vous flâches?
—Ce sont les dépressions, les manques de matière qui apparaissent aux arêtes lorsqu’on équarrit des bois quelque peu tors, et qui laissent ainsi de l’aubier visible sur ces arêtes et même une concavité, ainsi que je vous le marque ici en A (fig. 50).
Vous aurez le soin de ne pas tolérer les flâches dans les bois que le charpentier devra mettre en œuvre pour les combles et solives.
«En étudiant nos planchers, je vois que pour la salle de billard, pour la salle à manger et pour le salon, nous ferons sagement de poser dans chacune de ces pièces deux poutres pour recevoir les solives, en raison de la portée et des cloisons posées au-dessus de ces planchers. Vous vous rappelez que nous avons réservé cette question et que, dans le détail (fig. 42) et dans la coupe (fig. 46), nous avons admis la présence de ces poutres. Les solives, dans ces trois pièces, au lieu de porter d’un mur latéral à l’autre, porteront des murs-pignons sur ces poutres. Mais ces poutres prises dans les meilleurs chênes, finissent toujours par fléchir, ce qui est au moins très désagréable à l’œil. Nous les ferons donc chacune de deux pièces refendues, ainsi que je vous l’ai montré pour les poitraux, et, entre les deux pièces, nous intercalerons une lame de tôle. Cela nous permettra de nous servir de ces poutres comme de lambourdes et d’assembler les solives sur leurs faces, au lieu de les poser par-dessus, et par conséquent de ne pas avoir sous les plafonds une saillie trop prononcée. Ainsi (fig. 51), ayant deux pièces A de 0m,15c x 0m,30c, nous intercalerons une lame de tôle B de 0m,003mm d’épaisseur. Nous boulonnerons le tout ensemble de distance en distance, comme il est marqué en D, et, dans les embrèvements C, nous poserons les abouts des solives E. On clouera quelques plates-bandes en fer pour réunir ces abouts les uns aux autres, et nous obtiendrons de la sorte des planchers parfaitement rigides. Des corbeaux soulageront les portées des poutres qui n’entreront dans l’épaisseur des murs que de 0m,15c. Encore un détail à préparer pour le charpentier. Vous veillerez à ce que les bouts des poutres engagés dans la maçonnerie soient imprimés au minium, et que ces bouts soient enfermés dans une boîte de zinc nº 14 pour empêcher l’humidité des murs de pénétrer le fil du bois. Voilà de la besogne taillée, mettez tout cela au net; demain, quand j’aurai revu vos tracés, nous ferons venir Jean Godard et nous irons choisir les bois dans la réserve coupée de votre père.»
En effet, le lendemain, Paul présenta ses dessins. Il fallut bien y faire d’assez nombreuses corrections, mais cependant le grand cousin le félicita. Paul se donnait de la peine, cherchait à bien comprendre, et s’il ne trouvait pas toujours les solutions les plus simples et les plus naturelles, au moins prouvait-il qu’il réfléchissait avant de rien mettre sur le papier.
Jean Godard appelé, les tracés lui furent présentés. Quelques explications lui furent données, après quoi le grand cousin lui demanda s’il n’avait pas quelques observations à faire. Jean Godard se grattait l’oreille et ne disait mot.
«Y a-t-il dans tout cela quelque chose que vous ne compreniez pas bien, ou qui vous paraisse défectueux? lui dit le grand cousin.
—Non point, monsieur l’architecte, mais voilà tout de même des planchers qui ne vont point suivant l’usance; ça sera difficile... nous n’avons pas l’habitude... et vous sentez... c’est pas de la charpenterie ordinaire.
—Ce qui veut dire qu’il faudra vous la payer plus cher que celle des planchers faits suivant votre méthode?
—Dame... vous sentez... il y a de la main-d’œuvre tout de même... tous ces bois-là, faut que ça soit lavé à la scie, raboté peut-être.
—Examinez bien, Jean. Il faut que les solives soient lavées à la scie sur deux faces seulement, les deux faces vues; or, toutes les solives ordinaires sont prises dans des sciages. Si nous vous demandions de fournir le bois, vous pourriez prétendre que vous ne trouveriez pas des solives disposées ainsi; mais il s’agit de prendre dans des bois qui sont à nous. Si ce sont des bois de brin, il suffira que vous laviez deux faces ainsi (fig. 52); il m’importe peu que vous laissiez équarries grossièrement et seulement purgées d’aubier les faces A. Si vous prenez vos solives dans de gros bois (fig. 53), vous n’aurez qu’à les fendre à la scie comme je le trace ici en B. Mais je préfère prendre des bois de brin parce qu’ils ne tirent pas à cœur comme le feront nécessairement ceux refendus en quatre; et je crois que nous aurons assez des premiers pour n’être point contraints d’employer ce dernier moyen. Nous n’aurons donc à vous payer que les sciages de deux faces comme pour les solives que vous employez habituellement. Quant aux poutres, elles ne seront de même lavées à la scie que sur deux faces, car, si nous les prenons dans un seul brin, nous mettrons les deux sciages en dehors (fig. 54), et la feuille de tôle étant interposée en D, par-dessous, nous rapporterons une planche moulurée C pour masquer la jonction et les flâches s’il y en a. Pour les embrèvements triangulaires à faire en E, ils sont moins difficiles à façonner que ne le sont des mortaises et, les solives portant en plein, n’ont pas de tenons. Il en est de même pour les lambourdes qui, le long des murs, reçoivent les abouts des solives et remplacent les corniches... Eh bien, qu’en dites-vous?
—Dame... c’est pas toujours du plancher comme partout.
—Qu’est-ce que cela fait, s’ils ne vous donnent pas plus de mal à établir? Nous tiendrons attachement du temps que vous passerez, puisque nous fournissons le bois, et, par conséquent, vous êtes assurés de ne rien perdre. Rendez-vous bien compte, et, si vous le voulez, nous pourrons faire un marché. Nous vous payerons la façon au mètre cube comme pour des planchers ordinaires, ou bien nous tiendrons attachement du temps employé en main-d’œuvre et nous vous payerons ce temps... Choisissez!»
Jean Godard tourna longtemps son chapeau, regarda les feuilles de papier dans tous les sens, se gratta derechef l’oreille droite, puis la gauche, et, après une bonne demi-heure, déclara qu’il consentait à ce qu’on lui payât la façon de ces planchers au prix des planchers ordinaires, en raison du cube mis en œuvre.—«Et vous avez raison, dit le grand cousin; car si vous dirigez bien votre travail, si vous ne faites pas de fausses manœuvres, vous gagnerez plus à ce marché que si nous vous payions en régie, par la raison que, pour établir ces sortes de planchers, à cube égal, il y a moins de main-d’œuvre que dans ceux que vous faites habituellement, surtout en ce pays-ci.» Jean Godard demanda cependant qu’il lui fût accordé une plus-value pour les lambourdes destinées à remplacer les scellements bruts dans les murs. «Soit, dit le grand cousin; nous faisons l’économie des corniches en plâtre, il est juste que nous vous en tenions compte.» Il fut donc résolu qu’on payerait à part la façon des lambourdes, c’est-à-dire leurs embrèvements et chanfreins.
Dès le lendemain, quatre lames de scies étaient en mouvement pour débiter les bois mis en réserve. Le chantier avait repris toute son activité. Restait, pour la maçonnerie, un détail de lucarne à fournir et qui fut bientôt fait (fig. 55), puis le passage des tuyaux de cheminée.
Le grand cousin, en donnant à Paul le détail des lucarnes, coupe A et face extérieure B, attira son attention sur leur construction. Montées sur un bahut de 0m,50c d’épaisseur, elles devaient se composer de deux piédroits, en trois assises chacun. Les deux premières assises conserveraient un filet C, destiné à recouvrir l’ardoise de la couverture et à former solins. Sur ces deux jambages porteraient le linteau et deux pierres faisant corbelets. Deux morceaux, sur ce linteau, recevraient les petits gâbles latéraux et composeraient les jambages de l’ouverture supérieure destinée à donner de l’air dans les greniers. Le couronnement serait fait en deux assises, avec fleuron de terminaison. La coupe indiquait comment les glacis des rampants formeraient solins sur les petits combles de ces lucarnes par derrière et mouchette sur la face, pour empêcher l’eau de pluie de couler le long des parements.
LA FUMISTERIE
«Pourquoi, demanda Paul au grand cousin, les cheminées fument-elles?
—Vous voulez me demander plutôt, répondit celui-ci, pourquoi certaines cheminées fument? Beaucoup de causes contribuent à faire fumer les cheminées, tandis qu’il n’est qu’une condition pour qu’elles ne fument pas. C’est donc à remplir cette condition qu’il faut s’attacher. Or, voici cette condition: tuyau de fumée proportionné au foyer et alimentation de celui-ci par une quantité d’air proportionnée à la combustion. Si le tuyau est trop étroit pour la quantité de fumée que donne la combustion, cette fumée ne s’élève pas assez facilement, sa marche ascensionnelle est ralentie par le frottement et, le débit étant insuffisant pour la production, il y a débordement de fumée en dehors de la cheminée. On active la combustion et, par suite, l’élévation de la fumée par un courant d’air extérieur qui vient frapper le bois ou le charbon. Le feu bien allumé chauffe la colonne d’air qui remplit la cheminée, et plus cette colonne est échauffée, plus l’air est léger et plus il tend à monter.
«C’est ce qui fait que dans certaines cheminées mal établies, il faut un certain temps pour que la fumée prenne son cours, c’est-à-dire qu’il faut que la colonne d’air soit échauffée. Et, en attendant qu’elle le soit, la fumée passe non dans le tuyau, mais dans la pièce: alors on ouvre une fenêtre pour alimenter d’air le foyer, celui-ci s’allume, chauffe le tuyau et la fumée prend son cours. C’est pourquoi aussi toutes les cheminées neuves fument. Les tuyaux en maçonnerie sont humides, froids, l’air qu’ils contiennent est lourd; il faut un certain temps pour l’alléger, le pénétrer de calorique.
«Au lieu d’ouvrir une fenêtre pour activer le feu (ce qui est un moyen passablement primitif), on établit pour chaque foyer une ventouse, c’est-à-dire qu’on lui donne un canal par lequel l’air extérieur vient frapper le combustible dès que se développe la moindre chaleur, comme celle, par exemple, d’un morceau de papier allumé. Aussitôt cet air extérieur est appelé pour remplir le vide que produit le commencement de combustion, et il active le feu en apportant son oxygène. Plus le feu s’anime, plus le courant d’air est rapide; plus cet air arrive rapidement, plus le bois ou le charbon brûle vivement. La ventouse est pour une cheminée ce qu’est pour un feu de forge le soufflet. Mais il n’en faut pas moins que la ventouse, aussi bien que le tuyau de fumée, soient en rapport avec le foyer. Si le tuyau de fumée est trop étroit, il y a engorgement de fumée; celle-ci déborde. S’il est trop large, il ne s’échauffe pas bien également; puis les courants d’air extérieurs, les vents exercent une pression à son orifice supérieur qui neutralise l’action de tirage; la fumée rabat. Si la ventouse est trop étroite pour l’étendue du foyer, elle n’amène pas la quantité d’air nécessaire à la combustion; le feu est languissant, il chauffe incomplètement, et la fumée tiède ne monte pas assez vite. Si cette ventouse est trop large, ou elle amène un volume d’air trop considérable dont l’oxygène n’est employé qu’incomplètement: alors une partie de l’air froid passe dans le tuyau de fumée et n’active pas le tirage; ou, s’il y a des changements de température, la ventouse attire l’air de la cheminée au lieu d’apporter celui du dehors. Il y a renversement, et la cheminée fume horriblement.»
C’était le soir, après dîner, devant l’âtre que le grand cousin développait cette théorie. «Cela me paraît simple, dit Mme de Gandelau; mais alors pourquoi donc la cheminée de ma chambre, que j’ai maintes fois fait retoucher, fume-t-elle à certains jours?
—Parce que votre chambre, madame, est située dans l’aile neuve de la maison dont les combles sont plus bas que ceux du vieux corps de logis. On n’a pu monter le tuyau de fumée assez haut pour qu’il dépassât les faîtages des combles de l’ancien bâtiment, car cette cheminée isolée n’eût pas résisté aux bourrasques. Quand le vent vient de votre côté, il trouve l’obstacle que lui oppose la bâtisse plus élevée, il rebondit: il y a remous et, en tourbillonnant sur lui-même, il s’engouffre dans le tuyau de votre cheminée, ou tout au moins fait obstacle, par moments, au passage de la fumée. Dans ce cas il faut bifurquer les tuyaux; la pression du vent ne s’exerçant jamais également sur les deux orifices, l’air en s’engouffrant dans l’un, fait passer violemment la fumée par l’autre. Je ne connais pas d’autre moyen; je vous l’ai déjà proposé, mais vous avez trouvé, non sans raison, que ces tuyaux qui semblent lever deux bras désespérés vers le ciel, seraient forts laids, et vous vous êtes résignée à être enfumée quand souffle une forte bourrasque de l’ouest.
—Le fumiste a cependant posé un tuyau de tôle avec un chapeau tournant... ce qu’il appelle, je crois, une gueule de loup; il m’avait assuré que cela marcherait à merveille, mais c’était pire qu’avant.
—Sans doute, quand il y a remous de vent, tourbillons, par suite d’un obstacle, comme ici, cette gueule de loup s’affole, tourne en tous sens et, dans ses mouvements brusques, elle présente parfois, ne fût-ce qu’une seconde, sa bouche à la bourrasque. Cette bouche remplit alors l’office d’un entonnoir, et l’air, se précipitant dans le tuyau, renvoie la fumée par bouffées jusqu’au milieu de la chambre.
—C’est bien cela; vous croyez donc qu’il faudra accepter ces deux affreux tuyaux?
—Assurément. Il y a des villes, voisines de montagnes, dont toutes les maisons, si hautes qu’elles soient, se trouvent dans ces conditions. Genève par exemple, bâtie entre le Salève et le Jura, est dominée, bien qu’à grande distance, par ces montagnes. Les vents violents qui régnent parfois sur le lac s’engouffrent entre ces deux chaînes, tourbillonnent, ressautent, poussent des rafales en tous sens, si bien que les Genevois sont obligés de couronner leurs cheminées par ces tuyaux doubles, qui de loin présentent l’aspect d’une forêt d’anciens télégraphes.
—J’espère bien que vous établirez les cheminées dans la nouvelle maison, de façon qu’elles ne fument pas. Vous savez que Marie prendrait fort mal la chose.
—Nous ferons en sorte; d’abord les conditions locales sont bonnes; nous ne sommes pas dominés, nous n’avons pas à craindre les remous du vent; le long du plateau sur lequel nous bâtissons, les brises sont régulières; puis nous n’avons que des couvertures simples, hautes, et tous les tuyaux dépassent le faîtage. Nous établirons ces tuyaux en briques avec de bonnes sections. Rien ne nous force à les dévier sensiblement; ils s’élèvent verticalement ou peu s’en faut. Puis enfin, nous aurons un système de ventouses établi depuis le sous-sol, au frais; car il faut encore faire attention à ceci; quand des ventouses sont, par exemple, ouvertes au midi, il arrive que l’air qu’elles reçoivent du dehors, même pendant l’hiver, est plus chaud que celui de la pièce où on allume du feu; alors la ventouse attire la fumée, qui rabat dans la pièce. Tout au moins ne peut-on allumer le feu. Le bois noircit et ne brûle pas.
«On emploie beaucoup à Paris maintenant le tuyau unique de fumée pour plusieurs foyers placés l’un sur l’autre et, parallèlement, un tuyau de ventilation qui dirige un embranchement sur chacun de ces foyers. Cela est bon surtout dans les maisons où l’on pose jusqu’à cinq foyers les uns au-dessus des autres, en ce qu’on évite ainsi d’affaiblir considérablement les murs par la quantité de tuyaux juxtaposés. Les foyers s’attirent réciproquement et ce système ne donne pas de fumée dans les pièces. Faut-il que ces tuyaux aient une section proportionnée à tous les foyers, c’est-à-dire qu’ils aient environ, pour cinq cheminées ordinaires superposées, une section de 0m,16c superficiels, soit un carré de 0m,40c de côtés. Mais ici, où nous n’avons que trois étages et de la place, je préfère adapter les tuyaux particuliers à chaque cheminée; d’autant qu’avec le système à tuyau unique il est nécessaire que toutes les cheminées soient allumées: ce qui a toujours lieu dans une grande ville. Faute de ce, il arrive, dans les changements brusques de température, que la fumée passe dans un foyer supérieur ou inférieur au lieu de suivre la colonne verticale. On remédie à cet inconvénient, qui n’est d’ailleurs qu’accidentel, par des trappes bien établies.
—Mais, dit Paul, est-ce que cet air froid des ventouses ne refroidit pas les pièces?
—Cet air froid arrive dans le foyer même, non dans la pièce; il est évident que si l’on ne fait pas de feu, cette ventouse donne de l’air froid qui contribue à abaisser la température d’une pièce; on peut la fermer par une trappe. Mais retenez bien ceci: pour faire du feu, pour brûler du bois ou du charbon ou quoi que ce soit, il faut de l’oxygène, vous avez appris cela dans vos cours de chimie et de physique; donc il faut de l’air; sans air, pas de feu. Autrefois on ne se donnait pas la peine d’établir des ventouses pour les foyers, parce que l’air arrivait dans les pièces par les dessous de portes, par des fenêtres mal fermées, et aussi parce que les pièces, étant très vastes, contenaient un cube d’air assez considérable pour alimenter longtemps un foyer. Puis, disons-le, les cheminées de nos aïeux fumaient passablement. Aujourd’hui nous sommes plus délicats, nous voulons des pièces peu étendues, bien fermées, nous redoutons les courants d’air; c’est bien, mais la cheminée en exige un, courant d’air, sans quoi son combustible ne brûle pas et ne vous chauffe pas. Il est évident que cette colonne d’air froid que vous appelez pour activer la combustion entraîne, en s’élevant dans le tuyau de fumée, une quantité notable de chaleur. Aussi a-t-on inventé plusieurs systèmes pour faire que cet air chauffé ne s’en aille pas rapidement. On le fait tourner dans des tuyaux, on le force à séjourner le plus longtemps possible, ou du moins à laisser, sur les parois des couloirs nombreux qu’il parcourt, une partie du calorique qu’il a absorbé. Ces couloirs chauffent à leur tour une cavité, une chambre qui les enveloppe et qui est aussi alimentée d’air. Cet air, dilaté par la chaleur, tend à s’extravaser. On lui ouvre des issues, qui sont les bouches de chaleur.
«C’est là le principe des calorifères.
—À propos de calorifère, dit Mme de Gandelau, vous comptez en établir un dans la nouvelle maison?
—Certainement; sa place est marquée dans le plan des caves au-dessous du vestibule et son tuyau de fumée passe dans l’angle intérieur du grand escalier. Un calorifère est indispensable dans une maison de campagne, surtout lorsqu’on n’y habite pas tout l’hiver. C’est le moyen d’éviter de nombreuses détériorations. Il suffit, pendant la saison humide et froide, de chauffer une ou deux fois par semaine pour entretenir les intérieurs bien secs.
—Est-ce que vous ne pensez pas que la chaleur des calorifères est malsaine?
—L’air chaud émis par les calorifères est malsain parce qu’en se chauffant, il a perdu une partie de son oxygène, et que l’oxygène nous est aussi nécessaire pour vivre qu’il est nécessaire aux matières combustibles pour brûler. On évite une partie des accidents causés sur l’économie animale par l’air désoxygéné en le faisant passer, au sortir du récipient de chauffe, sur des bassins remplis d’eau, mais ce moyen est un palliatif et on perd ainsi une partie de la chaleur. On peut aussi adopter les calorifères à la vapeur qui n’ont pas les inconvénients que je vous signale. Mais leur établissement est plus dispendieux.
«Je ne considère les calorifères à air chaud bons que pour chauffer des pièces où on ne séjourne pas, des vestibules, des escaliers, des galeries; mais si l’on établit des bouches dans les salons, les salles à manger et les chambres à coucher, il faut se garder de les ouvrir pendant l’habitation. Ne les ouvrez que pour sécher les intérieurs lorsque vous vous absentez; après quoi, ouvrez les fenêtres et fermez les bouches de chaleur en même temps que vous fermerez les fenêtres.
—Et les bains, comment les chaufferez-vous?
—Au moyen d’une chaudière disposée près du calorifère, avec colonne d’ascension jusqu’aux cabinets de bain du premier étage qui sont presque au-dessus du foyer.
—Vous avez aussi des bains pour les gens?
—Oui, au-dessous du fournil et de la buanderie, en sous-sol.
—Je vois que vous avez tout prévu... Voilà une conversation, à propos de fumisterie, que tu feras bien de résumer dans tes notes, Paul!
—Ainsi ferai-je, mère.»
CANTINE
Malgré les derniers désastres, la vie semblait revenir comme par enchantement dans les villes et campagnes. Partout chacun se remettait au travail pour réparer le temps perdu. Si l’on conservait le souvenir ineffaçable des malheurs qui avaient failli tarir toutes les sources de richesses en France, un instinct patriotique faisait redoubler d’efforts pour réparer tant de ruines sans se livrer à de vaines récriminations. Tous ceux qui parcoururent la France pendant ces mois de février et de mars 1871 pouvaient comparer le pays à l’une de ces fourmilières qu’un maladroit a bouleversées du pied. Ces merveilleux insectes n’emploient pas leur temps alors à se lamenter; ils se mettent aussitôt à l’œuvre, et si vous repassez le lendemain, les traces du cataclysme qui a failli détruire la colonie ont disparu.
Mais dans les derniers jours de mars, les journaux apportèrent au château les nouvelles désastreuses de Paris. M. de Gandelau avait songé à renvoyer son fils au lycée. Bien qu’il lui fût démontré que Paul ne perdait pas son temps, il lui semblait fâcheux d’interrompre pendant plus longtemps ses études classiques. Les dernières nouvelles ne permettaient pas à M. de Gandelau d’hésiter. Paul continuerait à travailler avec son cousin qui, de son côté, se décidait à séjourner au château en attendant les événements.
M. de Gandelau, aimé et respecté dans tout le voisinage, n’avait, en ce qui le concernait, aucune inquiétude. Quelques mauvaises figures s’étaient présentées dans les villages des environs, mais, pour ces émissaires, il n’y avait rien à faire; aussi disparurent-ils bientôt. Le père Branchu et Jean Godard étaient venus au château déclarer à M. de Gandelau, que les ouvriers le suppliaient de ne pas suspendre les travaux, et qu’ils consentiraient, si l’argent manquait, à attendre de meilleurs jours. Ils ne demandaient, pour l’instant, que la soupe et du pain. En effet, M. de Gandelau, ayant fait de grands sacrifices pendant la guerre, ne disposait pas en ce moment de sommes assez rondes pour pouvoir faire des payes régulières en raison de l’activité donnée aux travaux. Il pouvait tout au plus faire face aux dépenses des fournitures. Il fut donc décidé qu’on établirait une cantine près du chantier, que M. de Gandelau fournirait la farine, le bois, de la viande deux fois par semaine, des légumes, du lard, et que chaque ouvrier recevrait autant de portions que sa famille et lui en exigeraient pour vivre. Chaque portion fut évaluée au prix coûtant, et le surplus serait payé en argent plus tard d’après les rôles bien établis et contrôlés. Une demi-douzaine d’ouvriers qui n’étaient pas de la contrée n’acceptèrent pas cet arrangement et quittèrent le chantier. Les autres, ayant pleine confiance en la loyauté de M. de Gandelau, souscrivirent à ce marché, d’autant plus qu’ils voyaient ainsi en perspective les résultats d’économies forcées: une épargne. Paul fut chargé de ce nouveau détail, et de cumuler les fonctions d’inspecteur avec celles de pourvoyeur. Son cousin le mit au courant de la comptabilité qu’il devait tenir, afin que tous les intérêts fussent sauvegardés.
Fier de ce nouvel emploi, il s’en acquittait bien. Levé à cinq heures du matin, monté sur son poney, on le voyait courir du château au moulin, du moulin au village voisin, du village au chantier; chaque soir il rendait compte à son père des livraisons du jour et à son cousin des attachements pris sur le tas.
Cette existence fortifiait son corps; la responsabilité dont il se voyait chargé mûrissait son esprit. Vers la fin de mai on aurait eu de la peine à reconnaître en ce jeune homme robuste, sérieux, attentif, le petit collégien désœuvré du mois d’août précédent.
Un matin, le grand cousin lui dit: «Il vous faudra aller à Châteauroux, car nous n’avons pas ici de menuisiers capables d’exécuter nos travaux. Je vous donnerai un mot pour un bon entrepreneur de menuiserie résidant en cette ville, vous vous entendrez avec lui, mais il faut d’abord que nos détails soient prêts.»
LA MENUISERIE
«Tous les détails de la menuiserie, continua le grand cousin, devraient être donnés avant de commencer la construction d’une maison, car la première condition d’une œuvre de menuiserie est de choisir les bois et de n’employer que ceux qui sont bien secs et débités depuis plusieurs années. Nous sommes pris de court et nous n’avons pu nous occuper de cette partie importante de notre construction. Heureusement je connais à Châteauroux un menuisier qui possède des bois en magasin, qui en est avare et ne les emploie qu’à bon escient; j’obtiendrai de lui de nous les fournir. Votre père lui a rendu quelques services; il ne fera donc pas, je pense, de difficultés pour prendre dans ses magasins les bois secs et de bonne qualité qu’il réserve avec un soin jaloux pour les bonnes occasions.
«Mais s’il est nécessaire de n’employer, dans les œuvres de menuiserie, que des bois sans défauts et bien secs, il ne l’est pas moins de combiner ces sortes d’ouvrages en raison de la nature des matériaux et de ne pas sortir des conditions qu’ils imposent. Les bois sont débités suivant certaines dimensions données par l’usage et la grosseur des arbres. Ainsi, par exemple, une planche n’a en largeur que de 0m,20c à 0m,25c (8 pouces anciens), parce que les arbres propres à la menuiserie n’ont guère plus que ce diamètre, aubier déduit; donc, si l’on fait des panneaux, il est sage de ne leur pas donner plus de 0m,20c à 0m,25c de largeur, afin de les prendre dans une planche. Si, pour faire un panneau, on assemble deux ou plusieurs planches, celles-ci, en séchant, se disjoindront et laisseront voir entre elles un intervalle; tandis qu’en donnant seulement à chaque panneau la largeur d’une planche, en admettant que celle-ci subisse un retrait, ce retrait se produit dans la languette et il n’y a pas disjonction. Faut-il toutefois que ces languettes soient assez larges pour qu’elles puissent subir le retrait sans sortir de la feuillure. Vous allez mieux comprendre tout à l’heure.
«Dans le dernier siècle, on a fait beaucoup de portes à grands cadres, c’est-à-dire dont les panneaux, encadrés par des moulures, ont une largeur de 0m,40c à 0m,50c; c’était la mode. Mais on n’employait alors que des bois très secs, coupés et débités depuis un grand nombre d’années, et ces panneaux, faits de deux planches assemblées ou simplement jointives, ne subissaient pas de retraits. Vous voyez des portes ainsi faites dans le salon de votre père, et il n’en est qu’une dont le panneau se soit ouvert. Aujourd’hui, pour or ou argent, on ne trouve plus de ces bois; il faut donc en prendre son parti et renoncer à ces larges panneaux. Ou, si on veut absolument en faire, faut-il les prendre dans du bois blanc, dans du grisard qui est une sorte de peuplier, parce que ce bois sèche vite, ne se fend pas, ne coffine pas, ce qui veut dire qu’il ne se courbe pas en travers du fil. Mais le grisard est un bois tendre qui se pique des vers assez facilement, surtout à la campagne. Tenons-nous-en donc au chêne et combinons nos portes de telle sorte que les panneaux n’aient que 0m,20c environ de largeur. Nous avons des portes à deux battants et des portes à un battant. Celles à deux battants ont 1m,20c de largeur; celles à un battant 0m,80c à 1m,00. Leur hauteur varie entre 2m,10c et 2m,20c; car il est fort inutile de leur donner plus, puisqu’on ne se promène pas dans les appartements avec des croix et bannières et que la taille humaine ne dépasse guère 1m,80c. Les trop hautes portes ont bien des inconvénients; elles sont sujettes à voiler, elles se ferment difficilement, et, s’il fait froid, chaque fois qu’on les ouvre, elles laissent pénétrer dans les intérieurs un cube considérable d’air humide et glacial qui refroidit d’autant les pièces habitées.
Voici le détail de ces assemblages (fig. 57): soit A le jambage en maçonnerie de la baie; on pose un dormant B scellé à l’aide de pattes à ce jambage. C’est sur lui que sont fixées à l’aide de vis les paumelles C sur lesquelles roulent les vantaux. D est le bâti; EE les battants; F le montant intermédiaire; G les panneaux avec leurs languettes embrevées. Les chambranles H forment feuillure autour du bâti. On rapporte le long de la feuillure des battants les moulures I destinées à donner à cette feuillure plus de résistance et à présenter un arrondi qui n’écorche pas les mains ou n’éraille pas les vêtements. En K, je vous indique la traverse haute avec son tenon L entrant dans une mortaise en M qui doit traverser le battant. Au droit de l’assemblage du montant intermédiaire N, la moulure O est coupée d’équerre pour laisser passer la tête de ce montant, dont le tenon P entre dans une mortaise R. En S, vous voyez les feuillures dans lesquelles viennent s’embrever les languettes T des panneaux, lesquels sont renforcés à une certaine distance de ces languettes, comme vous le voyez en V, de telle sorte que leur épaisseur soit de 0m,022mm. Vous observerez que les chanfreins X des montants s’arrêtent au-dessous des assemblages pour laisser au bois toute sa force au droit de ceux-ci. Pour des portes de cette dimension, il nous faudra trois paumelles par vantail.
«Cet aperçu vous donne la clef de toute la menuiserie de bâtiment ordinaire et bonne. La règle est simple, ne jamais affaiblir les bois au droit des assemblages, faire toujours ceux-ci d’équerre et ne pas dépasser les dimensions données par les bois débites.
«Nos portes à un vantail seront établies d’après ce système. Il nous reste à nous occuper des croisées. Nous suivrons le même principe, c’est-à-dire que nous éviterons les assemblages défectueux d’onglet, que tous ces assemblages seront d’équerre. Voici (fig. 58) une de ces croisées qui se composent d’un dormant A scellé dans la feuillure de maçonnerie B et d’un châssis à deux battants. L’épaisseur des bois de ce châssis sera de 0m,04c et les montants de battements se réuniront à gueule de loup. Pour éviter la pose de verres d’une trop grande dimension, ou la nécessité de poser des glaces, nous diviserons les battants par un petit bois C. Les détails de ces châssis de croisée vous seront nécessaires; je vous les présente tracés par la figure 59.
«En A, j’ai marqué la feuillure du tableau de la fenêtre; en B, le dormant; en C, l’un des montants qui entre par une languette dans le dormant pour arrêter le passage de l’air; en D, le montant du battement de droite avec sa gueule de loup et le battement E de gauche. C’est sur le renfort interne F que l’on pose la crémone. Le détail G vous donne le profil de la traverse d’appui du dormant et celui de H de la traverse basse des châssis de croisée avec son jet-d’eau[65] destiné à empêcher l’eau de pluie ou de neige de pénétrer dans l’intérieur. Mais comme il arrive que, malgré cette précaution, la pluie violemment poussée par le vent atteint la feuillure et est chassée à l’intérieur, il faut ménager dans cette feuillure un petit canal a avec deux exutoires, pour que l’eau ne puisse se répandre sur la paroi interne de l’allége I. Afin de masquer la jonction de la traverse d’appui de bois avec l’appui de pierre, nous rapporterons la cymaise K. En L, je vous marque l’assemblage de la traverse basse du châssis avec le montant, et en M, celui de petit bois avec ce même montant. Vous remarquerez en O les feuillures externes pour recevoir le verre et les chanfreins P avec arrêts à l’intérieur pour laisser aux assemblages toute leur force. Outre les trois paumelles nécessaires à chaque vantail, il faut compter des équerres entaillées hautes et basses pour empêcher les châssis de donner du nez, c’est-à-dire de fatiguer les assemblages et de peser sur le milieu de la croisée, car le verre ne peut remplir l’office des panneaux de porte qui raidissent les bâtis. Au contraire, par son poids, le verre tend à déformer ces châssis.
«Vous allez donc, mon cher Paul, vous mettre à ces détails, je rectifierai vos tracés; puis, muni de ces dessins, vous irez à Châteauroux et vous soumettrez tout cela à l’entrepreneur de menuiserie qui fera ses prix. Vous compléterez les dessins par des explications en retenant bien ce que je vous ai dit et vous rapporterez les propositions de votre entrepreneur. Je vous adresserai d’ailleurs à Châteauroux à un ingénieur de mes amis chez lequel vous serez reçu comme un parent et qui pourra compléter les renseignements qui vous manquent.»
Mme de Gandelau eut quelque peine à consentir au voyage de Paul; mais, sur les assurances que l’ami du grand cousin serait prévenu et qu’il serait à la gare pour recevoir le futur architecte, que celui-ci séjournerait au milieu d’une famille heureuse de le recevoir, la permission fut accordée. D’ailleurs le voyage ne serait que de trois ou quatre jours et Châteauroux est à quatre-vingts kilomètres de la propriété de M. de Gandelau.
DES NOUVELLES CONNAISSANCES ACQUISES PAR M. PAUL PENDANT SON VOYAGE
Paul en savait assez déjà pour redouter un peu de se trouver seul chargé d’une mission qu’il considérait comme passablement importante. Il eût été fort simple d’écrire à l’entrepreneur de menuiserie de venir au château, mais le grand cousin avait demandé à M. de Gandelau d’envoyer Paul le trouver, afin de mettre à l’épreuve son inspecteur et savoir comment il se tirerait d’affaire. Le grand cousin avait amplement donné ses instructions, les avait fait répéter plusieurs fois; Paul avait pris note des points importants. Il était muni des plans pour donner le nombre des baies, les mains des portes, les surfaces des parquets, les développements des lambris, des cimaises, des plinthes, etc.
En arrivant à Châteauroux, vers dix heures du matin, Paul trouva en effet l’ingénieur, M. Victorien, l’ami du grand cousin, qui l’attendait à la gare.
M. Victorien était un homme jeune encore, bien que ses cheveux coupés en brosse fussent grisonnants. Un teint basané, l’œil clair, le nez aquilin, donnaient à sa physionomie un certain air martial qui plut tout d’abord à notre apprenti architecte. Une lettre du grand cousin l’avait informé des circonstances qui faisaient que Paul s’adonnait depuis six mois à la bâtisse; M. Victorien connaissait un peu M. de Gandelau et professait pour son caractère une estime particulière. Il n’en fallait pas tant pour qu’il reçût le voyageur comme un jeune frère. Mme Victorien, petite femme brune et rondelette, qui semblait être l’antithèse de son mari, grand et sec, ne trouvait rien d’assez bon pour son hôte. À déjeuner, Paul eut à répondre à toutes les questions qui lui furent adressées... Comment on avait supporté au château les épreuves dernières,... ce qu’était la maison nouvelle,... si elle était avancée... combien on y employait d’ouvriers... comment se faisaient les travaux? Paul répondit du mieux qu’il put et se hasarda même à faire quelques croquis pour expliquer à ses hôtes et la situation de la maison neuve et son degré d’avancement.
«Mais, lui dit M. Victorien, je vois que vous avez profité des leçons de votre cousin, l’homme de ma connaissance qui fait le plus rapidement un croquis explicatif.»
Ce compliment encouragea Paul, qui raconta comment s’était faite jusqu’à ce jour son éducation d’architecte.
«Nous avons tout le temps demain d’aller voir votre menuisier; si vous voulez, vous m’accompagnerez sur des travaux d’éclusage que je fais faire à deux lieues d’ici. Cela pourra vous intéresser.»
Paul s’empressa d’accepter, bien que Mme Victorien se récriât et prétendît que son jeune hôte devait être fatigué, qu’il fallait le laisser reposer; qu’il s’était levé de grand matin, etc.
«Allons donc! dit M. Victorien: fatigué... à son âge, avec cette mine, et parce qu’il est resté deux heures assis dans un wagon? Prépare-nous un bon dîner pour notre retour vers sept heures et tu verras si notre ami n’y fait pas honneur. Ne nous a-t-il pas dit, d’ailleurs, qu’il était à cinq heures sur pied chaque matin et qu’il courait tout le jour? Partons!»
Un petit char à bancs entraîna bientôt nos deux compagnons loin de la ville.
«Ainsi donc, dit M. Victorien à la première côte, votre cousin n’a pas été autrement fatigué de sa courte campagne. Je ne l’ai vu qu’un instant lorsqu’il est passé ici avec son corps... C’est un homme énergique, mais je sais qu’il ne se ménage pas toujours assez... Comme il s’explique clairement... n’est-ce pas?... Il y a plaisir à prendre de lui des leçons. Nous avons été camarades, et il a hésité quelque temps s’il se ferait architecte ou ingénieur civil. Il était capable d’être l’un ou l’autre.
—Quelle est donc la différence entre un architecte et un ingénieur? hasarda Paul.
—Diable, vous me faites là une question à laquelle il est difficile de répondre... Laissez-moi vous dire un apologue.
«Il y avait autrefois deux petits jumeaux qui se ressemblaient si bien que leur mère les confondait. Non seulement ils avaient les mêmes traits, la même taille, la même démarche, mais aussi les mêmes goûts et les mêmes aptitudes. Il fallait travailler de ses mains, car les parents étaient pauvres. Tous deux se firent maçons. Ils devinrent habiles, et ce qu’ils faisaient, chacun, était également bien. Le père, qui était un esprit étroit, pensa que ces quatre mains qui travaillaient aux mêmes ouvrages avec une égale perfection, produiraient davantage et mieux encore en divisant le travail par paires de mains. Donc, à l’une des paires il dit: «Vous, vous ne ferez que les travaux au-dessous du sol;» à l’autre: «Vous ne ferez que les travaux au-dessus du sol.» Les frères pensèrent que cela n’avait guère de sens, puisqu’ils s’aidaient aussi bien dans un cas que dans l’autre; mais comme ils étaient enfants soumis, ils obéirent. Seulement, ces ouvriers qui jusqu’alors étaient d’accord et se prêtaient un mutuel concours au bénéfice de l’ouvrage, ne cessèrent de se disputer depuis lors. Celui qui travaillait au-dessus des caves trouvait qu’on ne lui préparait pas convenablement ses fondements, et celui qui établissait ceux-ci prétendait qu’on ne tenait pas compte des conditions de leur structure. Si bien qu’ils se séparèrent, et chacun d’eux, ayant pris l’habitude de la spécialité qu’on lui avait imposée, demeura impropre à faire autre chose.
—Je crois saisir votre apologue, mais...
—Mais cela ne vous explique pas pourquoi on établit une différence entre un ingénieur et un architecte. De fait, un ingénieur habile peut être un bon architecte, comme un architecte savant doit être un bon ingénieur. Les ingénieurs font les ponts, les canaux, les travaux de ports, les endiguements, ce qui ne les empêche pas d’élever des phares, de bâtir des usines, des magasins et bien d’autres constructions. Les architectes devraient savoir faire toutes ces choses-là; ils les faisaient jadis, parce qu’alors les frères jumeaux n’étaient pas séparés, ou plutôt qu’ils ne faisaient qu’une seule et même personne. Mais depuis que cette unique individualité s’est divisée, les deux moitiés vont chacune de leur côté. Si les ingénieurs bâtissent un pont, les architectes disent qu’il est laid et ils n’ont pas toujours tort de le dire. Si les architectes élèvent un palais, les ingénieurs trouvent, non sans raison, que les matériaux y sont maladroitement employés, sans économie et sans une connaissance exacte de leurs propriétés de durée ou de résistance.
—Mais pourquoi les ingénieurs font-ils des ponts que les architectes ne trouvent pas beaux?
—Parce que la question d’art a été séparée de la question de science, de calcul, par ce père à l’esprit borné qui a cru que les deux choses ne pouvaient tenir dans un même cerveau. Aux architectes on a dit: «Vous serez artistes, ne voyez que la forme, ne vous occupez que de la forme;» aux ingénieurs on a dit: «Vous ne vous occuperez que de la science et de l’application scientifique; la forme ne vous regarde pas, laissez cela aux artistes qui rêvent les yeux ouverts et sont impropres à raisonner.»
«Ah! cela semble étrange à votre jeune esprit, je le vois bien. C’est tout simplement absurde, par cette raison que l’art de l’architecture n’est qu’une conséquence de l’art de construire, c’est-à-dire d’employer les matériaux suivant leurs qualités ou leurs propriétés, et que les formes d’architecture dérivent notoirement de ce judicieux emploi... Mais, mon jeune ami, en prenant de l’âge vous en verrez bien d’autres dans notre pauvre pays tout embourbé dans les routines... Psst! Coco en route! c’est tout plaine maintenant!»
On arriva bientôt à l’éclusage. Deux batardeaux, l’un en aval, l’autre en amont, barraient le cours d’eau; un gros siphon en fonte faisait passer le courant par-dessus les travailleurs occupés à fonder les murs (bajoyers) formant la chambre de l’écluse; Paul se fit expliquer la fonction de ce siphon, ce qu’il eut vite compris, puisqu’il en avait fait avec des tuyaux de plume et de la cire, et avait ainsi vidé des verres d’eau. Il n’avait jamais supposé que ce petit appareil hydraulique pût recevoir une si formidable application. Il vit comment se faisait le béton que l’on coulait sous les murs latéraux de la chambre, c’est-à-dire de l’espace compris entre les deux portes d’écluse. Un cheval tirait sur un grand levier de bois qui faisait mouvoir un arbre en fer pivotant dans un cylindre vertical, et qui, étant muni de palettes, mêlait la chaux éteinte avec le sable introduit au sommet de ce cylindre. Une vanne laissait, par le bas, s’échapper le mortier bien corroyé dans des brouettes que des hommes transportaient sur une aire de madriers où on le mêlait avec une quantité double de cailloux, au moyen de râteaux. Puis d’autres ouvriers transportaient le béton bien mélangé, jusqu’à une trémie qui le conduisait au fond de la fouille où d’autres ouvriers l’étalaient par couches et le pilonnaient à l’aide de dames de bois. Paul se fit expliquer également la disposition des portes, le radier, le busc ou seuil sur lequel devaient butter les vantaux busqués de l’écluse, c’est-à-dire présentant un angle obtus vers l’amont, pour résister à l’action du courant. Il vit l’atelier des charpentiers où l’on mettait les portes d’écluse sur épure. Tout en surveillant ses ouvrages et donnant ses ordres, M. Victorien expliquait à Paul la fonction de chaque partie du travail, et celui-ci prenait des notes et faisait des croquis sur son carnet, pour conserver le souvenir de ce qu’il entendait et voyait. Cette attention de Paul parut faire plaisir à M. Victorien. Aussi, quand on remonta en voiture pour rentrer à la ville, l’ingénieur ne manqua pas de compléter ses explications. Il lui décrivit les portes d’écluse des ports de mer, comment on en faisait actuellement qui avait jusqu’à trente mètres et plus d’ouverture, partie en fer, partie en bois, ou entièrement en fer, et promit de lui montrer, à la maison, les tracés de quelques-uns de ces éclusages. Les deux voyageurs en vinrent à parler des ponts et comment on parvenait à fonder leurs piles au milieu d’un courant.
M. Victorien lui fit comprendre comment, à l’aide des moyens fournis par l’industrie moderne, on arrivait à fonder des piles au milieu de fleuves larges, profonds et rapides, où, autrefois, on ne considérait pas cette opération comme praticable; comment on coulait des tubes en tôle jumeaux, verticalement, de façon que leur extrémité inférieure touchât le fond; comment, à l’aide de machines puissantes, on comprimait l’air dans ces énormes colonnes creuses, de manière à en chasser l’eau, et comment alors on établissait une maçonnerie remplissant ces cylindres, de telle sorte qu’on obtenait ainsi des piles parfaitement solides, stables, et pouvant résister à de fortes charges; que, la tôle devant se détruire à la longue, les colonnes de maçonnerie demeuraient intactes, ayant eu le temps de prendre une parfaite consistance.
Les explications de M. Victorien ouvraient ainsi à Paul un nouvel horizon d’études, et il se demandait s’il aurait jamais le temps d’apprendre toutes ces choses, car M. Victorien ne manquait pas de lui répéter à chaque instant qu’un architecte ne devait pas ignorer ces moyens de construction, parce qu’il pouvait se faire qu’il eût à les employer. Aussi paraissait-il préoccupé. M. Victorien s’en aperçut et lui dit: «Parlons d’autre chose, car il me semble que vous êtes un peu fatigué.
—Non point, reprit Paul, mais j’ai eu de la peine à mettre dans ma tête tout ce que mon cousin me disait, quand il s’agissait seulement de bâtir une maison, et je croyais que, quand j’aurais bien compris les choses diverses qu’il m’expliquait, j’aurais le résumé de tout ce que je devais apprendre, et voilà que je m’aperçois qu’il est bien d’autres choses relatives à la construction, qu’il est nécessaire de savoir, et... dame...
—Et cela vous inquiète, vous effraye... Prenez le temps, ne cherchez pas à comprendre tout à la fois: écoutez attentivement, voilà tout. Peu à peu cela se débrouillera dans votre esprit, se classera. Soyez tranquille,... les jeunes cerveaux sont composés d’une quantité de tiroirs vides. On ne doit demander à la jeunesse que de les ouvrir; chaque connaissance vient d’elle-même se classer dans celui qui lui convient. Plus tard, on n’a plus que la peine d’ouvrir le tiroir qui contient telle ou telle chose emmagasinée presque sans qu’on s’en doute; on la trouve intacte, propre à être employée à l’usage convenable. Seulement, il faut toujours tenir tous ses tiroirs ouverts à l’époque de la cueillette, époque qui est courte. Si on laisse fermés les tiroirs pendant la première jeunesse, c’est-à-dire de douze à vingt-cinq ans, plus tard, c’est une rude besogne que de les remplir, car les serrures sont rouillées; ou ils se sont remplis, on ne sait comment, d’un fatras inutile dont on n’a que faire.» Ainsi devisant, les deux voyageurs rentrèrent à la maison où Mme Victorien leur avait fait préparer un bon souper, égayé par la présence de deux bambins revenus de l’école, et qui furent bientôt au mieux avec Paul.
La journée suivante fut consacrée à voir l’entrepreneur de menuiserie, à lui expliquer les détails apportés et à préparer les marchés, ce à quoi M. Victorien aida quelque peu Paul. Cependant, celui-ci, bien stylé par son cousin, se tira de sa mission à son honneur, et il fut très flatté quand, au sortir de la conférence, l’entrepreneur ne l’appela plus que monsieur l’Inspecteur, en lui donnant toutes sortes d’explications techniques que Paul ne comprenait pas toujours, ce dont il se garda bien de rien laisser paraître, se réservant de demander à son cousin les éclaircissements qui lui faisaient défaut.
On alla voir le surlendemain matin quelques édifices curieux dans les environs, et le soir, à neuf heures, Paul rentrait au château, sa valise pleine de renseignements que M. Victorien lui avait donnés sur les ponts, les écluses, les matériaux du pays et leur emploi.
LA COUVERTURE ET LA PLOMBERIE
Bien qu’au mois de juin il fût possible de rentrer au lycée, à Paris, Mme de Gandelau insista pour que son fils restât l’été près d’elle. Elle craignait le typhus. Puis, on n’était pas sans inquiétudes sur la tranquillité de la grande ville, si cruellement éprouvée et ravagée. Un instituteur des environs, homme plus instruit que ne le sont en général ces modestes délégués de l’instruction publique, vint donc chaque jour donner une ou deux heures de leçons à Paul pour qu’il n’oubliât pas ce qu’il savait de latin, et le reste du temps fut consacré à la surveillance des travaux qui avançaient à vue d’œil. Les murs étaient élevés, les planchers posés, on commençait le levage de la charpente des combles; et s’il n’y avait plus autant de détails à donner aux ouvriers, la surveillance devait être plus minutieuse, d’autant que le grand cousin ne laissait rien passer et voulait qu’on lui rendît compte de chaque chose. Parfois, quand Paul revenait du chantier, le grand cousin lui demandait s’il avait vu telle ou telle partie; si Paul hésitait, il lui disait: «Eh bien! mon ami, il faut retourner voir cela et m’en rendre compte, non demain, mais tout de suite.» Et Paul enfourchait son poney. Aussi avait-il pris l’habitude, pour éviter ces allées et venues qui lui semblaient au moins monotones, de ne rentrer qu’après avoir examiné en détail tous les points qui pouvaient provoquer une question de la part du grand cousin. C’était surtout sur les chaînages que celui-ci avait fixé l’attention de Paul. Il lui demandait à plusieurs reprises comment les ancres étaient posées; et si les explications ne concordaient pas, il fallait retourner au chantier et ne pas le quitter que les choses ne fussent placées devant les yeux de l’inspecteur, ainsi qu’il avait été ordonné. D’ailleurs, les visites au chantier en compagnie de Paul avaient lieu trois fois par semaine, et, sur place, les instructions étaient données devant lui aux entrepreneurs. Le grand cousin avait toujours le soin de faire répéter ces instructions par son inspecteur, pour être assuré qu’elles étaient comprises.
Il fallut s’occuper des chéneaux, des écoulements des eaux pluviales et de la couverture.
«Les couvertures sont généralement assez mal faites dans les constructions de province, dit le grand cousin, et surtout les ouvrages de plomberie; aussi aurons-nous à prendre souci de cette partie importante de notre bâtisse, car une maison mal couverte est comme un homme incomplètement ou mal vêtu. L’un et l’autre contractent des maladies incurables. Ici nous n’avons pas de bons plombiers-couvreurs, il faudra se décider à en faire venir de Paris; cela nous coûtera un peu plus cher; mais, au fond, c’est une économie, car nous éviterons des réparations incessantes et des malfaçons irréparables. Nous adopterons la couverture en ardoises à crochets.
«On pose vulgairement l’ardoise sur de la volige de sapin ou de bois blanc, à l’aide de clous; mais pour enfoncer ces clous dans la volige, il faut percer l’ardoise de deux trous, puisqu’on maintient chacune d’elles avec deux clous. Sous l’effort du vent, les ardoises battent, élargissent les trous et finissent par échapper la tête de ces clous; alors elles tombent. Pour replacer une seule ardoise, il faut en enlever plusieurs, et la dernière doit nécessairement être percée de trous dans le pureau, c’est-à-dire sur la partie vue de l’ardoise. Avec les crochets, on évite ces inconvénients, et les réparations peuvent être faites par la première personne venue. Ces crochets sont fabriqués en cuivre rouge, ce qui permet de les ouvrir et de les fermer plus de vingt-cinq fois sans les casser. De plus, l’ardoise étant maintenue à sa pince, c’est-à-dire à sa partie inférieure, ne ballotte plus sous l’action du vent, et aucun effort ne la peut déranger. Dans le système ordinaire de couverture en ardoises, il y a, l’une sur l’autre, trois épaisseurs de chacune de ces lames. Le pureau étant de 0m,11c, les ardoises ont donc 0m,33c de longueur. Pour poser de l’ardoise à crochets, au lieu de volige, on cloue des lattes sur les chevrons, espacées de 0m,11c l’une de l’autre, d’axe en axe (fig. 60). Vous voyez ainsi en A la position des lattes et celle de chaque ardoise.
«La chute du comble étant en D, nos lames de plomb seront fixées en E à l’aide de clous, suivront la coupe du canal et viendront se retourner en G en formant agrafure. Nous poserons sur la face une autre lame de plomb qui formera de même agrafure en H, puis en I avec des agrafes de zinc clouées sur la planche. Ces lames de plomb seront maintenues sur cette face à l’aide de vis dont les têtes seront masquées par des mamelons a soudés; puis un boudin K se prendra dans les deux agrafures G et H.
«Au préalable, les fonds et rives externes des chéneaux seront réunis par des équerres en fer L, entaillées, lesquelles seront scellées à la base du bahut. Ces équerres seront posées en dehors et non en dedans du chéneau. C’est de distance en distance, sur ces faces du chéneau, que nous percerons les trous pour recevoir les petites gargouilles de trop-plein M.
«Les tuyaux de descente posés dans les angles rentrants du bâtiment viendront emmancher leur orifice supérieur dans un vide ménagé dans la corniche, ainsi que vous l’indique le détail N. Un manchon de plomb réunira le fond du chéneau avec cet orifice des tuyaux de fonte et ne sera soudé, bien entendu, qu’avec ce fond de chéneau, restant libre à sa partie pénétrant dans le tuyau. Pour obtenir les pentes nécessaires dans le fond du chéneau, on établira des renformis de plâtre avec arrêts pour les ressauts, au droit de chaque lame, ainsi que vous voyez en O. Chacune de ces lames ne devra pas dépasser une longueur de 3m,00.
«Les faîtages des combles et des lucarnes seront de même établis en plomb et agrafés ainsi que vous l’indique le tracé P. On cloue d’abord deux languettes de plomb b, couvrant l’ardoise d, puis on roule les parties laissées libres de ces languettes avec des feuilles de plomb g, qui elles-mêmes viennent s’agrafer en h avec la lame i qui couvre le faîtage. Celle-ci est, de plus, maintenue par des vis dont la tête est masquée par un morceau de plomb; ainsi elle ne peut être dérangée par le vent.
«Je ne fais que vous indiquer ici les points principaux de l’industrie du couvreur-plombier, laquelle est fort délicate et exige des soins infinis. Vous étudierez cela par le menu pendant l’exécution, quand nous aurons de bons ouvriers à l’œuvre. Parmi ceux de Paris, il en est d’une habileté remarquable. Ce sont eux qui établiront aussi dans la maison les distributions d’eau, les water-closets, bains, etc. Mais je dois vous faire une recommandation importante: Les plombs posés sur du bois de chêne non flotté s’oxydent avec une rapidité prodigieuse. L’acide acétique que contient ce bois fait passer, en quelques mois, les lames de plomb superposées à l’état de blanc de céruse, surtout si ce bois n’est pas suffisamment ventilé sur la face opposée. Je vous désignerai donc les bois qu’il faudra seuls laisser employer pour les chéneaux et les chanlattes des faîtages. Nous prendrons des vieux bois provenant des démolitions de l’ancien moulin, et qui, débités, seront dans les conditions convenables, car ces bois ont depuis longtemps jeté leur sève.
«Votre emploi d’inspecteur consistera surtout, lorsque les ouvriers plombiers commenceront leur travail, à peser scrupuleusement les métaux apportés et à faire emmagasiner devant vous les rognures. Ces hommes, habitués à se préoccuper de la main d’œuvre, travaillent un peu en artistes, ils négligent volontiers les intérêts matériels; ils laissent traîner le plomb, l’étain dans tous les coins du chantier. Vous sentez qu’il ne faut pas exposer nos garçons de campagne à de fâcheuses tentatives.
«Il faudra donc que vous pesiez toutes les matières à leur entrée, puis les rognures. Celles-ci devront être emmagasinées devant vous en lieu bien fermé. La différence entre le poids entré et celui des restes compose la fourniture due, puisque la plomberie se paye au poids.
«Le marché du menuisier, que vous m’avez rapporté, indique l’envoi des parquets, portes et fenêtres pour la fin d’août, je crois?
—Oui, et l’entrepreneur m’a dit que, pour les parquets, ayant beaucoup de bois approvisionné, il pourrait commencer à poser dès le 1er août.
—Ce serait trop tôt, il faut laisser un peu sécher toute la bâtisse. Cet entrepreneur est assez actif; s’il commence au 1er septembre, il aura fini au 1er octobre; nous ferons alors venir les peintres, et au 1er décembre notre maison peut être considérée comme terminée.
«Il faudra penser aussi au marbrier, pour lui commander les chambranles des cheminées. Ce n’est pas trop tôt. Avez-vous donné au menuisier les dimensions des foyers de ces cheminées?
—Oui, elles étaient marquées sur les plans.
—Eh bien, faites un double de ces plans et nous l’enverrons au marbrier. Il faudra encore, pour cette fourniture, avoir affaire à une maison de Paris; ce sera moins cher et nous aurons plus de choix. C’est une chose bien fâcheuse que d’être toujours obligé de recourir à Paris aujourd’hui, pour cent questions de détail qui intéressent la construction.
«Mais, sauf dans quelques grands centres comme Lyon, Tours, Bordeaux, Rouen, Nantes, Marseille, où l’on trouve des maisons assez bien montées, en province il n’y a rien. Ce n’était pas ainsi autrefois; c’est un des fruits de notre système de centralisation à outrance.
«J’essaye, tant que je le puis, de réagir contre cette funeste tendance; mais, quand on est pressé, il faut nécessairement revenir à ces grands centres de l’industrie du bâtiment. Pour avoir nos marbres de cheminées à Châteauroux, ou même à Tours, il faudrait attendre six mois et nous les payerions plus cher. Le fournisseur auquel nous nous adresserions ne manquerait pas de recourir à Paris; autant aller à la source nous-mêmes. Pour le vestibule-serre, sur le jardin, pour la marquise, sur l’entrée, avec des détails bien faits, notre serrurier les établira; c’est un ouvrier intelligent. Les charpentiers et les serruriers sont généralement bons en province.
—Pourquoi cela?
—Parce que les charpentiers ont conservé leur organisation en corporations, ou au moins quelque chose d’équivalent, et qu’il faut, pour entrer dans ce corps, subir des épreuves.
«Quant aux serruriers, dans les provinces, ils ont maintenu l’habitude de la forge; et la forge, c’est toute la serrurerie. Dans les grandes villes au contraire, on s’est pris de passion pour la fonte, et les ouvriers de bâtiments se sont déshabitués du menu travail de forge. Ils n’ont plus été qu’ajusteurs. Cependant, depuis quelques années, il y a réaction, et vous avez pu voir, à l’Exposition de 1867, des pièces de forge d’une excellente exécution. Mais les architectes, eux aussi, se sont déshabitués de ces sortes d’ouvrages, et bien peu savent comment on travaille le fer au marteau, comment se fait une soudure; ils donnent à leurs entrepreneurs des détails inexécutables ou qui leur imposent, sans profit, des difficultés nombreuses. Il faudrait donc que les architectes connussent les moyens de fabrication de chacune des industries qu’ils emploient, et ce n’est pas à l’École des Beaux-Arts qu’on leur apprend cela. On trouve meilleur de leur persuader que la matière est faite pour obéir à toutes les fantaisies de l’artiste; cela évite des explications et rend l’enseignement moins compliqué. Le contribuable, le propriétaire qui fait bâtir, payent cette belle doctrine un peu cher, et les industries de bâtiment sans haute direction se fourvoient en essayant de réaliser les fantaisies de ces messieurs.»
L’ORDRE DANS l’ACHÈVEMENT DES TRAVAUX
Plus les ouvrages approchaient de leur terme, plus le travail du bureau se compliquait. Quand Paul avait vu que presque tous les détails étaient donnés aux entrepreneurs, il avait pensé qu’il n’y aurait plus pour lui qu’à surveiller la façon, la mise en place de chaque partie, d’après les instructions du grand cousin; mais le travail du bureau, qui, pendant les premiers mois, prenait deux ou trois heures par jour, se compliquait. Il fallait mettre les attachements en ordre, afin d’établir les comptes; il fallait, pour ne pas perdre de temps, écrire ou donner des ordres aux ouvriers pour qu’ils arrivassent au moment même où on en avait besoin, et pussent, en certains cas, travailler de concert. Le menuisier avait envoyé à la fin d’août une partie des portes et croisées, presque tous les parquets. On avait dû dès lors commander au serrurier, les équerres, les pentures, les pattes à scellement, faire venir de Tours de la quincaillerie: paumelles, crémones, serrures, verrous, fiches, couplets, etc., et pour que ces commandes fussent bien remplies, envoyer aux fournisseurs les mesures de chacune de ces pièces, en raison de la force du bois et de la nature des objets. Le grand cousin était allé à Tours pour choisir les échantillons de cette quincaillerie. Le menuisier et le serrurier devaient travailler simultanément; et souvent, n’étant pas habitués à être pressés, il était nécessaire de régler le travail de chacun pour qu’ils ne perdissent pas de temps. Les couvreurs étaient arrivés, et, à chaque instant, ils réclamaient le concours du maçon ou du charpentier. Comme les journées qu’on leur payait étaient chères, il était important de ne pas leur laisser de prétextes pour flâner.
Le grand cousin avait donc enseigné à Paul comment, chaque soir, il devait se rendre compte des travaux de diverses natures à exécuter le lendemain, et comment il devait distribuer à chacun son rôle avant de quitter le chantier. Cette nécessité de tout prévoir avait paru à Paul un travail difficile; mais son esprit s’était mis peu à peu à cette besogne et il arrivait assez bien à supputer les ouvrages qu’il s’agissait d’achever sans encombre.
Le grand cousin l’avait prévenu qu’il ne fallait pas compter sur les ouvriers pour l’aider dans cette direction méthodique, et il en avait en effet reconnu que la plupart, au moment de faire un travail, ne pouvaient s’y livrer, parce que tel corps d’état qui devait préparer la place n’avait pas été prévenu et n’avait rien disposé. Alors les heures se passaient à courir les uns après les autres.
«L’ouvrier, disait à Paul le grand cousin, est de sa nature imprévoyant, comme tous ceux qui ont pris l’habitude d’être commandés et qui n’ont pas de responsabilité. Il n’ignore pas ce qui lui sera nécessaire pour faire tel ou tel travail, et cependant il arrive jusqu’au moment de l’exécution, sans s’être préoccupé de savoir s’il possédera les éléments appropriés à son labeur. Aussi, est-ce lorsque plusieurs corps d’état travaillent simultanément dans un chantier, qu’il faut, de la part de l’architecte, de la méthode, de l’ordre et de la prévision; autrement on perd beaucoup de temps; les ouvriers se gênent au lieu de s’entr’aider; chacun d’eux fait sa besogne sans souci de l’opportunité. On est sujet à faire recommencer deux ou trois fois un même travail.»
Les fumistes étaient arrivés, et quoique tout eût été prévu dans la construction pour le passage des tuyaux de fumée, pour la ventilation et les tuyaux de chaleur du calorifère, ces ouvriers avaient sans cesse recours au maçon. Or, le grand cousin, ayant tout fait disposer, avait bien recommandé à son inspecteur de ne pas tolérer que les fumistes, suivant leur habitude, perçassent des trous à tout propos pour passer leurs tuyaux, leurs appareils, sans se soucier de la construction et des portées des planchers. Mais ceux-ci ne trouvaient pas les passages, d’autant qu’ils ne les cherchaient guère; il fallait que le père Branchu vînt et leur indiquât les conduits, ouvrît les bouches, élargît celle-ci, rétrécît celle-là. Puis les plombiers posèrent les tuyaux des eaux et il fallut leur percer des murs, faire des trous de scellements. Puis c’étaient les menuisiers qui réclamaient aussi le maçon pour sceller les bâtis, les huisseries. Il était nécessaire de mettre de l’ordre dans tout cela, car le père Branchu y perdait la tête et passait d’une besogne à l’autre sans achever la première. Cette phase de son emploi mit donc Paul au courant de bien des détails de la construction auxquels il ne songeait guère quelques mois auparavant.
À la fin de septembre, la menuiserie était fort avancée, la couverture entièrement terminée, et l’on n’aurait plus bientôt qu’à s’occuper de la peinture. Les attachements étaient en ordre, de manière à pouvoir établir promptement les mémoires.
Cependant M. de Gandelau pensait à faire rentrer son fils au lycée à la fin des vacances; il devait nécessairement achever ses études; et si cette année n’avait pas été perdue pour Paul, il était encore trop jeune pour se mettre à l’étude de l’architecture, en admettant qu’il voulût embrasser cette carrière. La question fut donc mise sur le tapis vers les derniers jours de septembre, le soir, en famille. Le grand cousin dit, avec raison, que Paul avait appris tout ce qu’il pouvait apprendre sur ce petit chantier; que restât-il plus longtemps à la campagne, il verrait les peintres faire les impressions, les enduits, poser les couches de peinture, et que cela ne pouvait lui être d’une grande utilité. Que d’ailleurs, Mme Marie ne devant revenir qu’au printemps, il était sage de laisser sécher la construction avant de faire des décorations intérieures et poser les tentures.
L’idée de rentrer au lycée souriait médiocrement à Paul, après une année passée à cette vie active et presque toujours en plein air; mais il sentait au fond qu’il n’eût pas été sage de faire autrement. M. et Mme de Gandelau avaient d’ailleurs des affaires à régler à Paris, et y passeraient une partie de l’hiver.
Il fut donc résolu que le grand cousin resterait le temps nécessaire pour faire terminer l’œuvre, de manière que rien ne périclitât pendant la mauvaise saison, et que Paul partirait avec ses parents aux premiers jours d’octobre.
On ne commencerait les peintures qu’après les grands froids. Le grand cousin se chargeait de faire surveiller ces ouvrages et de voir les travaux lui-même pendant ses séjours à Châteauroux, où une affaire assez importante l’appelait vers la fin de l’hiver.
Tout ainsi réglé, Paul, le cœur un peu gros, quitta sa chère maison le 2 octobre, et retourna au lycée. La plupart de ses camarades avaient passé comme lui presque toute l’année hors Paris, et leurs études avaient été suspendues; mais bien peu avaient employé utilement leur temps. Aussi, quand Paul raconta ce qu’il avait fait pendant ces douze mois, beaucoup le raillèrent, quelques-uns ne le crurent pas, mais tous ne l’appelèrent plus que monsieur l’architecte.
Pendant cette année, il avait un peu appris à raisonner, à réfléchir avant de parler et à écouter ceux qui en savaient plus long que lui; aussi trouva-t-il ses anciens camarades quelque peu futiles et légers. Un jour de sortie, il fit part de cette observation à son père, avec un certain mélange de vanité et de tristesse. M. de Gandelau le devina et ne laissa pas échapper cette occasion de rectifier le mauvais côté de sa pensée.
«Il est possible, lui dit-il, que tes camarades n’aient pas eu la bonne fortune de trouver, comme toi, quelqu’un qui ait pris la peine de les faire travailler et de mûrir leur esprit; mais ce serait un tort impardonnable et nuisible à toi-même surtout, de paraître dédaigner ceux qui, sur un seul point, en savent moins que toi. Qui sait si, sur d’autres points, ils n’ont pas acquis une supériorité qui t’échappe? Il ne s’agit pas dans le monde (et le lycée est un petit monde fait comme le grand) de se renfermer en son propre savoir et d’en tirer vanité, mais de découvrir celui des autres, pour tâcher d’en prendre sa part. Il ne s’agit pas de briller parce que l’on sait ou croit savoir, et de ne s’attirer par suite que l’envie des sots et le sourire des gens sensés, mais de faire briller le savoir des autres. On tire de cette façon d’être un double profit: on se fait aimer et on s’instruit.
«Que tes camarades ne sachent pas comme toi ce qu’est la construction d’une maison, cela n’a rien de surprenant; mais tu avoueras que cette connaissance est mince, et peut-être sur d’autres matières ont-ils des idées plus justes et plus avancées que ne sont les tiennes. Il eût été ridicule de cacher à tes camarades la nature de tes occupations pendant ton séjour à la campagne, mais à quoi bon insister là-dessus?... Si l’un d’eux, plus désireux de s’instruire, te fait des questions, si tu vois qu’il prend un intérêt sérieux à ce que tu lui répondras, satisfais son désir; mais, vis-à-vis des indifférents, tiens-toi sur la réserve toujours, sinon tu prêtes à rire. Il est une expression vulgaire, mais qui est juste: on fait poser les gens qui tirent vanité de ce qu’ils savent, c’est-à-dire qu’on les fait discourir, non pour satisfaire une curiosité légitime, mais pour prendre occasion de se moquer d’eux... Retiens bien cela, car c’est vrai, au lycée comme partout.
«Si en effet l’esprit s’est développé chez toi plus que chez tes camarades, il est un moyen facile de rendre le fait apparent pour tous, c’est d’acquérir plus rapidement qu’eux l’instruction également répartie entre vous. Obtiens les premières places dans toutes tes classes, personne ne raillera, et chacun reconnaîtra qu’en effet cette année, stérile pour tant d’autres, a été fructueuse pour toi.»
Paul comprit, et, rentré au lycée, il laissa pour le moment ses souvenirs d’architecte; il montra bientôt, en effet, que son esprit s’était développé, et au premier de l’an il arriva chez son père avec des notes excellentes.
Toutefois ses camarades lui avaient définitivement appliqué le sobriquet de l’architecte.
«Eh bien, se disait-il en lui-même, lorsqu’on l’appelait ainsi, je leur prouverai qu’ils ne se trompent pas, et je deviendrai un architecte.»
L’INAUGURATION DE LA MAISON
Les choses s’étaient passées ainsi qu’il avait été convenu; les peintures de la maison, commencées dans les premiers jours de février par le beau temps, étaient achevées en avril, ainsi que tous les travaux accessoires. M. de Gandelau, qui était retourné à ses champs à la fin de janvier, avait fait planter le petit parc autour de la maison, et avait commandé les meubles les plus indispensables à l’habitation, voulant laisser a sa fille le soin de choisir elle-même les objets qui devaient être l’expression de son goût.
Mme Marie avait annoncé son retour pour le mois d’avril, puis pour le mois de mai. Entre sa mère et elle, il n’avait pas été question, dans leur correspondance, de la maison, depuis la guerre. Mme Marie n’avait probablement pas pris au sérieux ce qui lui avait été écrit à ce propos; puis les événements désastreux des années 1870 et 1871 semblaient avoir entièrement fait oublier ces projets de part et d’autre.
Paul tenait beaucoup à une surprise et avait supplié Mme de Gandelau de ne rien dire de la maison à sa fille. Bien entendu, Mme de Gandelau s’était facilement rendue à ce désir.
On écrivit donc à Mme Marie que la famille ne serait réunie au château que pour les fêtes de la Pentecôte, et que jusqu’à ce moment, son père ayant quelques voyages à faire, elle ne se pressât pas de rentrer en France avant cette époque. De Vienne, Mme de Gandelau reçut, le 8 mai, une lettre qui lui annonçait que sa fille et son mari descendraient à la station la plus rapprochée du château le 19 au matin, jour de la Pentecôte.
Grande fut la joie de Paul lorsqu’il reçut cette nouvelle. Il pourrait être alors dans la famille et jouir de la surprise de sa sœur; car il craignait surtout que celle-ci n’arrivât pendant qu’il serait au lycée. Cela lui eût semblé désastreux. Aussi avec quelle ardeur se mit-il au travail dans les jours qui le séparaient encore de la Pentecôte! Il voulait arriver au château avec une des premières places dans sa classe, afin que tout le monde fût heureux.
Le jour de la sortie, impatiemment attendu, arriva. M. de Gandelau, en raison de l’éloignement et des bonnes notes de Paul, avait obtenu que son fils lui fût envoyé le samedi matin. Paul rentra donc au château à midi, après plus de sept mois d’absence. Le grand cousin avait été invité pour cette fête de famille, cela va sans dire. C’est tout au plus si Paul prit le temps d’embrasser sa mère, son père, sa petite sœur, et de déjeuner; il grillait d’aller voir la maison.
«Sois donc tranquille, lui répétait sa mère, elle t’attendra.» Pendant le déjeuner, son père lui adressait des questions à propos de ses études; mais Paul, de son côté, accablait son cousin de demandes.
«Et les menuiseries, font-elles bien? Et la peinture? De quelle couleur est le salon? Et le plombier? A-t-il mis sur le toit la crête qu’il promettait?
—Vous allez voir tout cela tout à l’heure, et d’ici à la nuit vous avez le temps de tout examiner en détail... Un peu de patience! Un architecte doit, avant tout, être patient.»
L’aspect de la maison nouvelle était bien changé depuis le départ de Paul. Les abords, déblayés, étaient soigneusement sablés. Les plates-bandes verdissaient, et quelques vieux arbres ayant pu être conservés dans les environs, il semblait, en arrivant, que cette habitation fût déjà occupée. Paul ne put s’empêcher de sauter de joie en voyant comme la bâtisse était coquette et pittoresque. En débouchant dans le vallon, il se mit à courir pour voir les choses de plus près, et le grand cousin n’arriva sur le perron que quelques minutes après lui. Paul n’avait vu ni la marquise de l’entrée, ni le vestibule-serre donnant sur la salle de billard. Les plomberies n’étaient pas entièrement achevées lorsqu’il était parti, les épis et les crêtes manquaient. Les lucarnes n’étaient pas couronnées de leurs fleurons. À peine les croisées étaient-elles posées, mais la vitrerie manquait. Ces derniers ouvrages sont comme la marge dont on entoure un dessin, ou le cadre qui sertit un tableau; pour les yeux peu exercés, ce dernier accessoire met chaque partie à son plan, nettoie l’ensemble et donne l’unité qui semblait faire défaut.
Paul était satisfait de l’aspect extérieur.
L’intérieur, quoique simple, d’après les instructions précises de M. de Gandelau, avait bon air; nulle apparence d’ornements en pâtes ni de dorures. Autour du vestibule régnait un lambris bas en chêne qui se mariait aux chambranles des portes. Les bois de celles-ci et de ce lambris avaient conservé leur couleur naturelle et étaient simplement passés à l’huile de lin et à l’encaustique. Au-dessus du lambris, les murs peints couleur pierre rehaussés de quelques filets rouges donnaient à cette entrée un aspect propre et gai qui invitait à pousser plus avant. Le salon était entouré d’un lambris de 1m,50c de hauteur peint en blanc; la cheminée, large et haute, pouvait chauffer une nombreuse réunion. Le chambranle était revêtu de bois et, sur son manteau élevé, dans un cadre de chêne, on avait fait peindre assez joliment une vue, à vol d’oiseau, du domaine de M. de Gandelau. Le plafond, avec ses deux poutres et ses solives couvertes de tons clairs rehaussés de filets noirs et blancs, grandissait la pièce, lui donnait un aspect chaud, habitable, et prenait, sous les jours frisants, des lumières et des ombres d’une couleur ambrée. Entre ce plafond et le lambris blanc était posée une tenture de toile peinte. La cheminée se détachait en vigueur sur ces fonds. L’entrée du salon eût été quelque peu sombre si la large ouverture donnant dans la salle de billard ne l’eût éclairée d’un grand jour tamisé par les plantes qui garnissaient la petite serre-vestibule. Mais ce qui donnait à ce salon un caractère qui séduisit tout d’abord Paul, c’était la bretêche, toute brillante de lumière, et autour de laquelle régnait un divan de toile perse. La salle de billard était aussi entourée d’un lambris de chêne apparent, et les tentures de même en toile peinte. Une portière fermant la bretêche permettait de se retirer dans cette pièce comme dans un petit boudoir, d’où la vue se présentait charmante de trois côtés. Les plantes placées dans la serre ne laissaient pénétrer dans cette salle de billard, du côté du midi, qu’un jour doux et tranquille. La salle à manger avait été décorée à peu près comme la salle de billard, et deux grands buffets de chêne se reliaient avec le lambris dans les deux enfoncements réservés pour les recevoir.
Paul s’empressa de monter à la chambre de sa sœur. Entièrement tendue de perse, avec un simple stylobate brun, cette pièce était d’une grande simplicité. Le plafond, établi comme ceux du rez-de-chaussée, lui donnait toutefois une physionomie originale et gaie.
Paul voulut tout voir et, au bout d’une heure, son cousin le laissa vaguer à son aise dans la maison, ayant donné rendez-vous à quelques ouvriers pour régler certains détails.
Le soleil était déjà bas quand on songea à retourner au château.
«Eh bien, petit cousin, êtes-vous satisfait de votre œuvre? a-t-on fait les choses, en votre absence, ainsi que vous l’entendiez?—Je voudrais bien, répondit Paul, que ce fût en réalité mon œuvre, et je regrette de n’avoir pu suivre le travail jusqu’au bout, car il me semble, en voyant la chose terminée, qu’il n’y avait presque rien de fait quand je suis parti.—Il en est, mon ami, des bâtisses comme de toutes les œuvres humaines... Vous savez le dicton: Finis coronat opus. Le tout est de finir. Ce n’est pas ce qui demande le plus de travail et de savoir, mais c’est ce qui exige peut-être le plus de persistance, de méthode et de soins, ainsi que je crois vous l’avoir déjà dit. Vous m’avez été réellement utile pendant la construction, je puis vous le dire sans flatterie, parce que vous avez mis à comprendre et à faire exécuter les instructions données par moi, du zèle et toute votre intelligence. Mais vous n’auriez pas eu à vous occuper sérieusement pendant l’achèvement de l’œuvre, puisque la plupart des objets posés en dernier lieu ont été faits à l’atelier et sont arrivés prêts; il ne faut donc pas avoir de regrets; vous auriez perdu votre temps ici, tandis que, paraît-il, vous l’avez bien employé au lycée.
—Je n’avais jamais vu de ces tentures de toiles peintes... cela fait très bien; on croirait voir des tapisseries.
—Oui, je ne sais trop pourquoi on a laissé perdre ce genre de tentures qui autrefois était fort usité, car vous pensez bien que tout le monde ne pouvait avoir des tapisseries de Flandre ou des Gobelins, non plus que des cuirs de Cordoue. Ces sortes de tentures coûtaient fort cher, tandis que les toiles peintes ne coûtent pas beaucoup plus que du papier de tenture et moins que des étoffes meublantes, la perse exceptée. Mais on ne peut guère tendre un salon, une salle à manger avec de la perse; cela n’est pas assez solide à l’œil; c’est bon pour une chambre à coucher. Il faut, dans les grandes pièces, des tentures qui aient un aspect velouté, chaud, solide.
—Et ces toiles peintes sont solides?
—D’aspect, oui, et aussi en réalité; la preuve est que vous pourrez en voir à Reims, qui datent du quinzième siècle et qui sont d’une parfaite conservation.
—Mais comment s’y prend-on pour faire ces tentures?
On choisit des toiles canevas, ou treillis ou croisées, à gros grains, faites exprès, assez semblables aux toiles avec lesquelles on fabrique les sacs. On tend ces toiles sur un plancher, avec des pointes; on les encolle, c’est-à-dire qu’on passe dessus une couche de colle de peau avec un peu de blanc d’Espagne. Puis quand cet encollage est sec, on procède à la détrempe comme pour la décoration de théâtre. On peut ainsi peindre tout ce que l’on veut, des semis, comme nous avons fait ici; cela ne coûte pas gros, puisqu’on se sert de pochoirs; ou des ornements, des paysages, des fleurs, des figures même. Le prix de la matière est peu de chose, et le plus ou moins de valeur de ces tentures dépend du travail de l’artiste. Quand cela est sec, on roule les toiles et on les envoie partout sans grands frais; puis, sur place, on les retend sur des châssis très minces, ce que nous appelons des porte-tapisseries. Il y a donc isolement entre le mur et la tenture, ce qui est nécessaire à la campagne où les papiers collés se gâtent toujours; d’autant que, si on ne chauffe pas les pièces en hiver et que l’on craigne l’humidité, on détend les toiles, on les roule et on les range en lieu sec, pour les replacer au printemps, comme on fait des tapisseries.
—J’ai cru, en ouvrant la porte du salon, que vous aviez fait mettre des tapisseries.
—C’est qu’en effet le gros grain de la toile reproduit assez le point de la tapisserie et que la détrempe prend les tons mats de la laine. Au total, les tentures de notre maison ne coûtent guère plus que les papiers de haut prix que l’on fabrique aujourd’hui et cela dure plus longtemps; sans compter qu’on est assuré de ne pas voir sa tenture chez tout le monde.
—C’est vrai, souvent en entrant dans un salon, j’ai reconnu un papier que j’avais vu ailleurs. Mais, dites-moi, cousin: j’ai remarqué aussi que vous aviez fait poser des paratonnerres?
—Certes, cela est prudent. J’en ai fait placer deux: un sur le comble de l’escalier, et l’autre sur le milieu du grand faîtage.
—Un seul n’eût pas suffi?
—Je ne le crois pas, par cette raison que les paratonnerres ne protègent que les points qui sont renfermés dans un cône dont ils sont le sommet; du moins, c’est ce que l’on admet. Car, entre nous, les physiciens ne sont pas parfaitement d’accord sur l’effet du fluide électrique, sur le degré d’efficacité des paratonnerres et sur les précautions à prendre lorsqu’on les établit. Je m’en tiens à ma propre expérience, qui m’a démontré que jamais un édifice, si exposé qu’il fût, n’était foudroyé lorsque les paratonnerres sont nombreux, que les conducteurs sont suffisants, qu’ils sont mis en communication les uns avec les autres et que leur extrémité inférieure plonge dans l’eau ou dans une terre très humide. Vous savez que l’eau est conducteur de l’électricité; si le fil du paratonnerre se termine dans une terre sèche, l’électricité s’accumule et produit des étincelles en retour qui sont très dangereuses. Le même effet se produit s’il y a des interruptions dans le fil conducteur; le paratonnerre produit alors l’effet d’une bouteille de Leyde, il se charge et devient plus dangereux qu’utile. On a recommandé aussi les attaches avec isolateurs en verre; mais je n’ai jamais vu que des paratonnerres, bien établis d’ailleurs, causassent des accidents faute d’isolateurs. Je considère cette précaution comme superflue, par cette raison que le fluide cherche sa voie la plus directe. Le fil établi dans de bonnes conditions est cette voie; aussi ne faut-il pas lui faire faire des détours brusques, anguleux, et, autant que possible, il faut le mener par le plus court chemin et celui qui se rapproche le plus de la verticale, dans le sol humide.»
À dîner, il ne fut question que de la maison neuve et de l’arrivée de Mme Marie. On discuta fort comment on s’y prendrait pour que la surprise fût complète. Puis le cérémonial fut réglé. M. de Gandelau y avait songé. Les entrepreneurs et chefs d’atelier du pays qui avaient travaillé à la maison étaient convoqués, et un dîner leur serait offert dans le jardin. L’instituteur qui avait donné ses soins à Paul, le maire, le curé de la commune, et quelques voisins et amis, entre autres M. Durosay, qui avait reparu dans le pays, étaient priés de venir assister à l’inauguration. Les ouvriers n’avaient pas été oubliés, ils recevraient tous une gratification; il y aurait le soir un bal dans le nouveau parc pour tous les gens du pays, avec les rafraîchissements obligés, et les pauvres de la commune recevraient, dès le matin, des distributions en nature.
Paul craignait fort que sa sœur n’eût quelque soupçon de la surprise qu’on lui ménageait; que, si on se taisait au sujet de la maison dont, avant la guerre, il avait été question dans les lettres écrites à Mme Marie, ce silence ne lui parût suspect.—«Il a raison, dit Mme de Gandelau. Si Marie nous demande ce qu’est devenu ce projet et le programme qu’elle avait envoyé, si elle s’informe de nos occupations pendant l’année dernière, nous serons obligés d’accumuler mensonges sur mensonges; nous nous couperons, et d’ailleurs cela me répugne un peu de ne pas lui parler sincèrement. Nous ne saurons pas mentir pendant deux ou trois heures; puis, Lucie nous trahira.
—Oh! non, répondit Lucie, je ne dirai rien, bien sûr.
—Tes yeux parleront pour toi, chère enfant. J’arrangerai cela. Vous me laisserez quelques instants seule avec Marie. Je lui dirai que Paul, pour s’occuper pendant ses vacances trop prolongées, a bâti une petite maison, avec les conseils de son cousin. Je lui laisserai supposer que c’est quelque fantaisie de collégien. Elle ne pensera qu’à un amusement, se figurera quelque petit modèle de construction assez bien réussi. On pourra donc en parler à l’aise, sur le ton de la plaisanterie. Puis, après déjeuner, nous lui proposerons d’aller voir la maison de Paul.»
C’est ainsi que les choses furent réglées.
Paul dormit peu pendant cette nuit quoiqu’il fût parti de Paris de grand matin et qu’il eût usé et abusé de ses jambes tout le jour.
Le 19 mai 1872, à 9 heures 40 minutes, M. et Mme N... descendaient à la gare de X..., où M. de Gandelau les attendait avec une bonne calèche. Vingt minutes après on entrait dans la cour du château. Inutile de dire les embrassades, les joies entremêlées de larmes, prodiguées pendant les premières minutes de ce retour.
Mme de Gandelau avait fait arranger les chambres des époux avec tout le soin dont elle était capable, comme s’ils dussent faire un long séjour au château.
La mère ne manqua pas de trouver sa fille embellie; Mme Marie trouva Paul grandi, presque un homme, et Mlle Lucie presque une jeune fille.
Grâce à Mme de Gandelau, pendant le déjeuner, il ne fut question de la maison de Paul que comme d’un incident sans conséquence. On parla des voyages, de la guerre. Après vingt-deux mois d’absence, les sujets de conversation ne manquaient pas. Mais Paul était agité, distrait; sa sœur en fit la remarque. Paul rougit jusqu’au blanc des yeux.
«Je crois que Paul médite quelque chose, dit M. N...,»
M. et Mme de Gandelau se regardèrent en souriant.
«Qu’y a-t-il donc, dit Mme Marie... une conspiration?
—Peut-être, répondit Mme de Gandelau, mais laisse-nous le plaisir de la mener à bonne fin.
—Conspirez, maman, je vous aiderai de tout mon cœur.»
Il n’y avait pas à parler, pour le moment, de la promenade projetée, car on se trahissait. Mme de Gandelau proposa à sa fille de prendre quelque repos dont elle devait avoir besoin. M. N... demanda la permission d’expédier certaines lettres urgentes et le château rentra dans le silence. La journée était chaude et on n’entendait plus que le bourdonnement des insectes sur les pelouses. Paul cependant ne pouvait tenir en place.
«Vous n’êtes pas encore un diplomate, lui dit son cousin. Diable! tenez-vous en repos. Il n’y a plus que vous qui bougiez dans la maison. Vous allez vous trahir, si vous continuez. Allez-vous-en dans votre chambre, prenez un livre... ennuyeux; vous vous endormirez et le temps passera.
—Mais tous les invités qui attendent là-bas.
—Ah oui, c’est vrai! Eh bien montez à cheval, courez jusqu’à la maison, dites à tous les invités d’admirer les merveilles du nouveau domaine et de prendre patience. Dites que madame votre sœur est un peu fatiguée et qu’elle ne fera son apparition que dans l’après-midi. Puis revenez.»
Paul ne se le fit pas répéter, tant l’immobilité lui semblait chose impossible. Il aurait donné à ce moment dix ans de sa vie pour que sa sœur se décidât à monter en voiture.
On ne saurait dire ce que pensait le poney de l’allure que Paul lui fit prendre par cette chaleur de 25 degrés à l’ombre. Il arriva écumant à la maison neuve, si bien que la plupart des personnes déjà réunies crurent à quelque fâcheuse nouvelle. Quand Paul, de l’air le plus effaré du monde, leur dit que Mme Marie devait retarder son entrée de quelques heures, parce qu’elle se reposait:
«Si ce n’est que cela, dirent-ils tous, rien ne presse, et c’est bien naturel, après un si long voyage.»
Puis chacun voulut avoir des nouvelles des arrivants, puis on demandait à Paul de voir ceci et cela. Paul bouillait.
«Vous n’allez pas remonter à cheval dans l’état où vous êtes, lui dit le maire; vous voilà en nage et votre poney est blanc d’écume; reposez-vous un peu et buvez un coup de vin.»
Il fallut se rendre, car M. le maire, de son côté, avait apporté un panier de petit vin de Saumur. On trinqua à la santé des nouveaux arrivés et à la prospérité de la maison, si bien que Paul perdit là une heure. Enfin il put reprendre le chemin du château, même allure. Mais, en atteignant la crête du plateau, il vit de loin la calèche qui se dirigeait du côté de la maison. Il fit un détour afin de prendre les promeneurs à revers, et les atteignit au moment où le nouveau domaine allait leur apparaître. «Voilà, dit sa sœur, un cavalier bien échauffé, d’où vient-il? Est-ce lui qui dirige toute la conspiration?—Certainement, répondit sa mère, regarde!»
En effet, on voyait se dessiner la silhouette de la maison de Paul, avec ses toits d’ardoises étincelants aux rayons du soleil... Il y eut un silence et, il faut le dire, un peu d’émotion.
«Je m’en doutais,» dit Mme Marie, en embrassant sa mère et M. de Gandelau. «Ainsi donc, pendant vos angoisses de l’an dernier, vous pensiez à nous, à ce point de réaliser ce projet de maison que j’avais cru n’être qu’une idée en l’air? Et Paul!
—Paul reprit M. de Gandelau, Paul a travaillé, et a pris sa bonne part dans la réussite du projet. Si jamais il devient un architecte distingué, tu eu auras été la cause première.
—Et vous, mon ami, dit Mme de Gandelau à son gendre, qui lui baisait tendrement la main, vous ne dites rien!
—M. de Gandelau m’en avait écrit, et j’étais dans le secret; Marie peut vous dire si je l’ai bien gardé!
—Ainsi nous étions trahis, mon pauvre Paul! s’écria Mme de Gandelau.
—M. de Gandelau voulait savoir si un établissement dans cette terre ne dérangerait pas nos projets d’avenir. Je lui répondis qu’au contraire il les devançait, et que la seule cause qui m’eût empêché d’entreprendre ici la construction d’une maison après notre mariage, était la crainte de vous affliger et de vous faire supposer que peut-être nous n’attachions pas à votre hospitalité maternelle le prix que vous savez lui donner. Marie désire résider ici une grande partie de l’année; elle est aimée et connue dans ce pays où elle est née; rien ne pouvait lui être plus agréable que de suivre votre exemple, près de vous, presque sous vos yeux, sans vous causer les embarras d’une installation permanente dans la maison que vous habitez. Je n’avais pas besoin de la consulter, car je savais que vous réalisiez un rêve qu’elle caressait, sans trop espérer sa réalisation prochaine.
—Tout est donc pour le mieux,» reprit Mme de Gandelau, en regardant son mari, car elle se rappelait ce qu’il lui avait dit un soir, deux ans auparavant.
La famille fut accueillie devant le perron de la nouvelle maison par des vivats. Avant d’entrer, on en fit le tour; et se trouvant en face du groupe des entrepreneurs et chefs ouvriers, Paul les présenta à sa sœur en disant que c’était grâce à leur zèle et au désir de la voir bientôt dans le pays, que cette construction avait dû d’être terminée en moins de deux ans. Le compliment de Paul, assez bien tourné, et surtout les façons gracieuses de sa sœur, qui s’enquit près de chacun d’eux de ce qu’ils avaient fait, de leurs familles, et leur exprima le désir qu’elle avait de les employer souvent, lui gagna le cœur de ces braves gens qui, la plupart, l’avaient vue toute petite.
Mme Marie voulut tout visiter. Ce furent des explosions de joie à chaque pas, et Paul fut bien embrassé vingt fois par sa cliente. M. N... s’était emparé du grand cousin, qui, cela va sans dire, fut chaudement félicité.
À chaque instant, M. Durosay ne manquait pas d’exprimer son admiration et répétait sans cesse: «C’est un charmant manoir seigneurial!
—Mais, dit enfin Mme Marie en se tournant brusquement de son côté, pourquoi, cher monsieur, appelez-vous cela un manoir, et seigneurial? Je n’ai pas de vassaux, et je n’ai pas envie d’en posséder. Dites donc que c’est une maison, faite pour moi par ceux qui m’aiment, et qui sera toujours ouverte à nos amis, toujours accessible à ceux qui auront besoin de nous.»
On dit que Paul est plus que jamais décidé à embrasser la carrière de l’architecture.
FIN
Appareil. Assemblage des pierres taillées.
Arbalétrier. Pièce de bois inclinée, suivant la pente d’un comble qui s’assemble à sa partie supérieure dans le poinçon, à sa partie inférieure dans l’entrait et qui supporte les pannes (Début troisième leçon, chapitre VI).
Arêtier. Angle saillant formé par la réunion de deux pans de comble.
Attachement. On désigne ainsi la constatation du travail fait sur le chantier par notes écrites ou par des figures.
Banc. Le mot banc, en terme de carrier, signifie une couche calcaire, homogène, comprise entre deux lits ou fissures naturelles horizontales, si la masse n’a pas été déformée par un soulèvement. Les pierres calcaires, quelques grès, sont exploités par bancs. Leur épaisseur est très variable.
Battement. Montant vertical d’une porte ou d’une croisée du côté de la fermeture.
Berceau de voûte. S’entend d’une voûte composée simplement d’une portion de cylindre.
Béton. Mélange composé de chaux, de sable et de cailloux, pilonné par couches horizontales et formant ainsi un massif compact, homogène, qui durcit plus ou moins rapidement suivant la qualité de la chaux et permet d’asseoir les plus lourdes charges sans qu’on ait à craindre les dislocations ou tassements. Toutefois, la façon du béton exige beaucoup de soin et d’attention et une connaissance exacte de la qualité des chaux employées.
Blochet. Pièce de bois posée, embrevée sur les sablières d’une charpente, à angle droit, et qui reçoit le pied du chevron et la jambette qui empêche celui-ci de glisser.
Boulin. Pièce de bois de chêne qui, engagée d’un bout dans la construction et de l’autre attachée aux échasses, sert à porter les plateaux sur lesquels les ouvriers travaillent, à mesure que s’élève une construction.
Boulon. Tige de fer rond, munie d’une tête carrée à l’une de ses extrémités et d’un pas de vis à l’autre, recevant un écrou et permettant ainsi de serrer entre elles les pièces de charpente.
Bresis. On dit un comble en bresis ou avec bresis, pour indiquer qu’il se compose de deux plans, dont l’un est peu incliné et l’autre forme un angle plus fermé. L’arête horizontale de jonction des deux plans est désignée par le mot membron. On ouvre habituellement les lucarnes ou mansardes dans la hauteur du bresis.
Bretêche. Ce mot désignait originairement un ouvrage de bois crénelé, dont on se servait pour attaquer et défendre les places fortes; mais, vers le quatorzième siècle, on désignait ainsi un balcon en encorbellement, fermé et couvert, une loge ayant des vues latérales, de face et formant saillie sur une façade. Le window si fréquemment adopté dans les habitations anglaises est une véritable bretêche.
Cage d’escalier. Est l’enveloppe en maçonnerie ou en charpente dans laquelle gironnent les marches d’un escalier.
Cavalier. Amas de terre, remblai, disposé suivant un tracé régulier et formant saillie sur le sol.
Chevêtre. Pièce de bois qui, assemblée dans deux solives d’enchevêtrure, reçoit les bouts des solives à distance du foyer des cheminées, ou des vides des portes et fenêtres (voyez figure 33, chapitre XI).
Chevron. Pièce de bois de faible équarrissage sur laquelle est clouée la volige ou le lattis qui reçoit l’ardoise ou la tuile. Les chevrons sont espacés de 0m,50c au plus d’axe en axe, dans une bonne charpente de comble. Ils portent au pied sur des sablières ou sur des blochets, dans leur longueur, sur les pannes, et à leur extrémité, sur le faîtage.
Contre-marche. La face verticale d’une marche.
Corbeau. Support de pierre ou de bois formant saillie sur le parement d’un mur, ayant sa face moulurée ou sculptée, ses deux parois latérales verticales et recevant une charge: poutre, balcon, corniche, colonnette, naissance de voûte, etc.
Couchis. Planches ou madriers que l’on pose sur les cintres en charpente et qui servent de forme à une voûte en maçonnerie pendant qu’on la façonne (voyez figure 25, chapitre X).
Coupe. Section d’un ensemble ou d’un détail d’architecture.
Crémaillère. Pièce de charpente sur laquelle reposent les bouts des marches d’un escalier et qui est entaillée en manière de ressauts pour les recevoir.
Dormant. Châssis fixe, de bois, qui reçoit les vantaux d’une porte, ou les châssis ouvrants d’une croisée.
Échasse. Pièce de bois de brin, longue et menue, qui, posée verticalement, est employée pour échafauder les constructions à mesure qu’elles s’élèvent.
Échelle de proportion. Le texte explique suffisamment l’emploi de l’échelle dans le tracé architectonique, pour qu’il ne soit pas nécessaire de s’étendre sur l’utilité de ce moyen pratique. On entend aussi par échelle, les proportions relatives d’un édifice. Certains membres de l’architecture donnent l’échelle de l’ensemble. Ainsi, une balustrade ne pourrait dépasser la hauteur d’appui ou lui être inférieure; elle donne alors l’échelle de la bâtisse, c’est-à-dire qu’elle indique la dimension réelle de l’ensemble, en prenant pour point de comparaison la hauteur de l’homme.
Élévation. On désigne par ce mot, en architecture, le géométral d’une façade; en terme propre, la projection verticale.
Embrèvement. Entaille faite dans une pièce de bois pour recevoir un assemblage à tenons.
Entrait. Pièce de bois horizontale qui reçoit à ses extrémités le pied des arbalétriers d’une ferme (voyez la troisième leçon, chapitre VI) et qui est suspendue à son milieu par le poinçon.
Entrevous. Intervalles laissés entre les solives d’un plancher.
Étrier. Bande de fer qui forme boucle et, passant sous l’entrait d’une ferme, le suspend au poinçon au moyen de boulons.
Faîtage. Pièce de bois horizontale qui, posée sur la tête des poinçons des fermes, forme l’arête supérieure du comble et reçoit les chevrons. Les faîtages sont soulagés dans leur portée, d’un poinçon à l’autre, par des liens.
Ferme. Assemblage de charpente destiné à porter la couverture d’un comble (voyez la troisième leçon, chapitre VI).
Feuillure. Entaille pratiquée longitudinalement sur les dormants, poteaux[66] d’huisseries et linteaux, pour recevoir le bâti des portes et châssis ou les battants des croisées.
Giron. Est la largeur d’une marche d’escalier.
Giron droit. S’entend pour une marche d’égale largeur dans sa longueur. Giron triangulaire désigne une marche étroite au collet et s’élargissant du côté du mur de cage. On dit: les marches d’un escalier ont peu de giron, quand leur pas est court; ont beaucoup de giron, quand leur pas est long (voyez Pas).
Harpe. Saillie que forme une pierre d’appareil pour se relier à une construction de moellons ou de briques.
Jambage. Montant vertical d’une fenêtre ou d’une porte. Ne s’emploie que s’il s’agit de montants de pierre ou de maçonnerie.
Jet-d’eau. Moulure saillante ajoutée à la traverse basse des croisées et à la barre d’appui et disposée pour éloigner les eaux pluviales de la feuillure et de la jonction de la barre d’appui avec la tablette.
Joint. Intervalle vertical laissé entre deux pierres. On dit: joint vif, quand les pierres sont posées jointives, sans mortier ou plâtre entre elles; et joint garni, quand cet intervalle est rempli de plâtre ou de mortier.
Lambourde. Pièce de bois fixée horizontalement le long d’un mur et qui est destinée à recevoir les extrémités des solives d’un plancher. On donne aussi le nom de lambourdes aux filières de chênes scellées sur l’aire d’un plancher et sur lesquelles on cloue les feuilles de parquets.
Libage. Pierre propre à être employée dans les fondations.
Lien. Pièce de bois en écharpe qui réunit l’arbalétrier au poinçon (voyez la troisième leçon, chapitre VI), ou une poutre horizontale à un poteau.
Linteau. Pièce de bois ou morceau de pierre qui, posée horizontalement sur les jambages d’une porte ou d’une fenêtre, complète la fermeture.
Lit de la pierre. Est la surface supérieure ou inférieure du banc. On dit: lit de pose, pour indiquer la surface inférieure de la pierre. Les pierres calcaires doivent être posées sur leur lit ainsi qu’elles l’étaient dans la carrière.
Moise. Pièce de bois peu épaisse, servant à réunir les parties d’une charpente au moyen d’entailles qui les saisissent et de boulons. Les moises sont habituellement posées jumelles.
Montant. Se dit de toute pièce de menuiserie verticale.
Mortaise. Trou oblong pratiqué dans une pièce de charpente pour recevoir un tenon. La longueur de la mortaise doit toujours être suivant le fil du bois.
Mur. On dit: mur goutterot, pour désigner celui qui porte un chéneau et reçoit la chute d’un comble; mur pignon, pour désigner celui qui clôt la charpente d’un comble; mur de refend, pour désigner celui qui, à l’intérieur d’un bâtiment, sépare les pièces, reçoit la portée des planchers et les tuyaux de cheminée.
Noue. Angle rentrant, formé par la réunion de deux pans de comble.
Noyau. Pile ou colonne autour de laquelle gironnent les marches de l’escalier.
Panne. Pièce de charpente posée horizontalement sur les arbalétriers d’une ferme et qui reçoit les chevrons.
Parement. Surface externe ou interne d’un mur.
Pas. C’est la surface plane d’une marche sur laquelle on pose le pied.
Pignon. Partie terminale d’un mur qui masque la charpente du comble et en suit les pentes.
Plâtras. Fragments d’ouvrages de plâtre, employés comme garnissage dans les planchers et pans de bois.
Poinçon. Pièce de bois verticale qui reçoit, dans une ferme, les deux arbalétriers et suspend le milieu de l’entrait (voyez la troisième leçon, chapitre VI).
Poteau. Pièce de bois verticale qui reçoit à sa tête, une ou plusieurs traverses horizontales. On dit: poteau d’huisserie, pour désigner les pièces de bois verticales d’une cloison et notamment celles qui servent de jambages aux portes. C’est œuvre de menuiserie.
Profil. Section d’un membre de moulure, d’un détail d’architecture.
Remblai. Ce mot indique des terres et débris rapportés a main d’homme pour élever un sol ou en combler les dépressions.
Sablière. Pièce de bois horizontale posée sur la tête d’un mur, longitudinalement, et sur laquelle portent les entraits des fermes et les blochets.
Solin. Bourrelet disposé au-dessus d’une couverture et suivant son inclinaison le long des maçonneries qui la surmontent, pour empêcher les eaux pluviales de s’introduire entre cette couverture et la maçonnerie.
Solive. Pièce de bois posée horizontalement pour former plancher et recevoir l’aire sur laquelle on pose les carrelages ou les parquets. Les solives de bois ne sauraient avoir, sans fléchir, une portée de plus de cinq mètres. Leur équarrissage et leur espacement sont déterminés par leur portée et la charge qu’elles doivent subir.
Solive d’enchevêtrure. Plus fortes que les solives ordinaires des planchers, ces pièces de bois reçoivent les chevêtres (voyez la figure 33, chapitre XI).
Soubassement. Partie d’une construction qui reçoit le rez-de-chaussée; c’est-à-dire, qui est comprise entre le sol intérieur de la bâtisse et le sol extérieur.
Souche de cheminée. Est la partie du conduit de fumée en maçonnerie qui dépasse les combles et est terminée parfois par des tuyaux en poterie ou de tôle.
Tableau. Partie du jambage d’une porte ou d’une fenêtre qui reste en dehors de la fermeture.
Tas. Lieu du travail des ouvriers sur le bâtiment même.
Tenon. Languette laissée à l’extrémité d’une pièce de charpente et qui rentre dans la mortaise.
Voir, pour les mots qui ne sont pas compris dans cette table, le Guide du constructeur par Pernot, 1 volume in-18 de 532 pages, broché 5 francs. Bibliothèque des Professions industrielles, commerciales et agricoles.
[1] Échelle de proportion. Le texte explique suffisamment l’emploi de l’échelle dans le tracé architectonique, pour qu’il ne soit pas nécessaire de s’étendre sur l’utilité de ce moyen pratique. On entend aussi par échelle, les proportions relatives d’un édifice. Certains membres de l’architecture donnent l’échelle de l’ensemble. Ainsi, une balustrade ne pourrait dépasser la hauteur d’appui ou lui être inférieure; elle donne alors l’échelle de la bâtisse, c’est-à-dire qu’elle indique la dimension réelle de l’ensemble, en prenant pour point de comparaison la hauteur de l’homme.
[2] Élévation. On désigne par ce mot, en architecture, le géométral d’une façade; en terme propre, la projection verticale.
[3] Mur. On dit: mur goutterot, pour désigner celui qui porte un chéneau et reçoit la chute d’un comble; mur pignon, pour désigner celui qui clôt la charpente d’un comble; mur de refend, pour désigner celui qui, à l’intérieur d’un bâtiment, sépare les pièces, reçoit la portée des planchers et les tuyaux de cheminée.
[4] Solive. Pièce de bois posée horizontalement pour former plancher et recevoir l’aire sur laquelle on pose les carrelages ou les parquets. Les solives de bois ne sauraient avoir, sans fléchir, une portée de plus de cinq mètres. Leur équarrissage et leur espacement sont déterminés par leur portée et la charge qu’elles doivent subir.
[5] Noyau. Pile ou colonne autour de laquelle gironnent les marches de l’escalier.
[6] Giron. Est la largeur d’une marche d’escalier. Giron droit. S’entend pour une marche d’égale largeur dans sa longueur. Giron triangulaire désigne une marche étroite au collet et s’élargissant du côté du mur de cage. On dit: les marches d’un escalier ont peu de giron, quand leur pas est court; ont beaucoup de giron, quand leur pas est long (voyez Pas).
[7] A, vestibule; B, salon: C, salle à manger; D, salle de billard; E, cabinet de Monsieur; F, descente-serre; G, office; H, cuisine; I, desserte; K, L, fournil, laverie; M, cour de service; N, S, basse-cour; 0, écurie; P, remise; R, sellerie; a, escalier de service; b, descente aux caves; c, escalier des palefreniers; V, W, water-closets.
[8] Bretêche. Ce mot désignait originairement un ouvrage de bois crénelé, dont on se servait pour attaquer et défendre les places fortes; mais, vers le quatorzième siècle, on désignait ainsi un balcon en encorbellement, fermé et couvert, une loge ayant des vues latérales, de face et formant saillie sur une façade. Le window si fréquemment adopté dans les habitations anglaises est une véritable bretêche.
[9] A, antichambre; B, chambre de Madame; G, cabinet de toilette et bains; D, garde-robe; E, chambre de Monsieur; F, cabinet de toilette et bains; G, chambre; H, cabinet de toilette; I, lingerie; P, débarras; W, water-closets.
[10] Cage d’escalier. Est l’enveloppe en maçonnerie ou en charpente dans laquelle gironnent les marches d’un escalier.
[11] Bresis. On dit un comble en bresis ou avec bresis, pour indiquer qu’il se compose de deux plans, dont l’un est peu incliné et l’autre forme un angle plus fermé. L’arête horizontale de jonction des deux plans est désignée par le mot membron. On ouvre habituellement les lucarnes ou mansardes dans la hauteur du bresis.
[12] Arêtier. Angle saillant formé par la réunion de deux pans de comble.
[13] Pignon. Partie terminale d’un mur qui masque la charpente du comble et en suit les pentes.
[14] Tableau. Partie du jambage d’une porte ou d’une fenêtre qui reste en dehors de la fermeture.
[15] Souche de cheminée. Est la partie du conduit de fumée en maçonnerie qui dépasse les combles et est terminée parfois par des tuyaux en poterie ou de tôle.
[16] Linteau. Pièce de bois ou morceau de pierre qui, posée horizontalement sur les jambages d’une porte ou d’une fenêtre, complète la fermeture.
[17] Faîtage. Pièce de bois horizontale qui, posée sur la tête des poinçons des fermes, forme l’arête supérieure du comble et reçoit les chevrons. Les faîtages sont soulagés dans leur portée, d’un poinçon à l’autre, par des liens.
[18] Remblai. Ce mot indique des terres et débris rapportés a main d’homme pour élever un sol ou en combler les dépressions.
[19] Voir le Manuel du Géologue, 1 vol. in-18 broché, 4 fr.—Bibliothèque des Professions Industrielles, Commerciales et Agricoles.
[20] Banc. Le mot banc, en terme de carrier, signifie une couche calcaire, homogène, comprise entre deux lits ou fissures naturelles horizontales, si la masse n’a pas été déformée par un soulèvement. Les pierres calcaires, quelques grès, sont exploités par bancs. Leur épaisseur est très variable.
[21] Béton. Mélange composé de chaux, de sable et de cailloux, pilonné par couches horizontales et formant ainsi un massif compact, homogène, qui durcit plus ou moins rapidement suivant la qualité de la chaux et permet d’asseoir les plus lourdes charges sans qu’on ait à craindre les dislocations ou tassements. Toutefois, la façon du béton exige beaucoup de soin et d’attention et une connaissance exacte de la qualité des chaux employées.
[22] Coupe. Section d’un ensemble ou d’un détail d’architecture.
[23] Joint. Intervalle vertical laissé entre deux pierres. On dit: joint vif, quand les pierres sont posées jointives, sans mortier ou plâtre entre elles; et joint garni, quand cet intervalle est rempli de plâtre ou de mortier.
[24] Soubassement. Partie d’une construction qui reçoit le rez-de-chaussée; c’est-à-dire, qui est comprise entre le sol intérieur de la bâtisse et le sol extérieur.
[25] Appareil. Assemblage des pierres taillées.
[26] Corbeau. Support de pierre ou de bois formant saillie sur le parement d’un mur, ayant sa face moulurée ou sculptée, ses deux parois latérales verticales et recevant une charge: poutre, balcon, corniche, colonnette, naissance de voûte, etc.
[27] Berceau de voûte. S’entend d’une voûte composée simplement d’une portion de cylindre.
[28] Parement. Surface externe ou interne d’un mur.
[29] Lien. Pièce de bois en écharpe qui réunit l’arbalétrier au poinçon, ou une poutre horizontale à un poteau.
[30] Ferme. Assemblage de charpente destiné à porter la couverture d’un comble (voyez page 79).
[31] Arbalétrier. Pièce de bois inclinée, suivant la pente d’un comble qui s’assemble à sa partie supérieure dans le poinçon, à sa partie inférieure dans l’entrait et qui supporte les pannes.
[32] Entrait. Pièce de bois horizontale qui reçoit à ses extrémités le pied des arbalétriers d’une ferme et qui est suspendue à son milieu par le poinçon.
[33] Poinçon. Pièce de bois verticale qui reçoit, dans une ferme, les deux arbalétriers et suspend le milieu de l’entrait.
[34] Tenon. Languette laissée à l’extrémité d’une pièce de charpente et qui rentre dans la mortaise.
[35] Mortaise. Trou oblong pratiqué dans une pièce de charpente pour recevoir un tenon. La longueur de la mortaise doit toujours être suivant le fil du bois.
[36] Embrèvement. Entaille faite dans une pièce de bois pour recevoir un assemblage à tenons.
[37] Chevron. Pièce de bois de faible équarrissage sur laquelle est clouée la volige ou le lattis qui reçoit l’ardoise ou la tuile. Les chevrons sont espacés de 0m,50c au plus d’axe en axe, dans une bonne charpente de comble. Ils portent au pied sur des sablières ou sur des blochets, dans leur longueur, sur les pannes, et à leur extrémité, sur le faîtage.
[38] Sablière. Pièce de bois horizontale posée sur la tête d’un mur, longitudinalement, et sur laquelle portent les entraits des fermes et les blochets.
[39] Blochet. Pièce de bois posée, embrevée sur les sablières d’une charpente, à angle droit, et qui reçoit le pied du chevron et la jambette qui empêche celui-ci de glisser.
[40] Boulon. Tige de fer rond, munie d’une tête carrée à l’une de ses extrémités et d’un pas de vis à l’autre, recevant un écrou et permettant ainsi de serrer entre elles les pièces de charpente.
[41] Moise. Pièce de bois peu épaisse, servant à réunir les parties d’une charpente au moyen d’entailles qui les saisissent et de boulons. Les moises sont habituellement posées jumelles.
[42] Profil. Section d’un membre de moulure, d’un détail d’architecture.
[43] Cavalier. Amas de terre, remblai, disposé suivant un tracé régulier et formant saillie sur le sol.
[44] Lit de la pierre. Est la surface supérieure ou inférieure du banc. On dit: lit de pose, pour indiquer la surface inférieure de la pierre. Les pierres calcaires doivent être posées sur leur lit ainsi qu’elles l’étaient dans la carrière.
[45] Jambage. Montant vertical d’une fenêtre ou d’une porte. Ne s’emploie que s’il s’agit de montants de pierre ou de maçonnerie.
[46] Couchis. Planches ou madriers que l’on pose sur les cintres en charpente et qui servent de forme à une voûte en maçonnerie pendant qu’on la façonne.
[47] Feuillure. Entaille pratiquée longitudinalement sur les dormants, poteaux d’huisseries et linteaux, pour recevoir le bâti des portes et châssis ou les battants des croisées.
[48] Harpe. Saillie que forme une pierre d’appareil pour se relier à une construction de moellons ou de briques.
[49] Dormant. Châssis fixe, de bois, qui reçoit les vantaux d’une porte, ou les châssis ouvrants d’une croisée.
[50] Plâtras. Fragments d’ouvrages de plâtre, employés comme garnissage dans les planchers et pans de bois.
[51] Lambourde. Pièce de bois fixée horizontalement le long d’un mur et qui est destinée à recevoir les extrémités des solives d’un plancher. On donne aussi le nom de lambourdes aux filières de chênes scellées sur l’aire d’un plancher et sur lesquelles on cloue les feuilles de parquets.
[52] Entrevous. Intervalles laissés entre les solives d’un plancher.
[53] Chevêtre. Pièce de bois qui, assemblée dans deux solives d’enchevêtrure, reçoit les bouts des solives à distance du foyer des cheminées, ou des vides des portes et fenêtres.
[54] Solive d’enchevêtrure. Plus fortes que les solives ordinaires des planchers, ces pièces de bois reçoivent les chevêtres.
[55] Montant. Se dit de toute pièce de menuiserie verticale.
[56] Étrier. Bande de fer qui forme boucle et, passant sous l’entrait d’une ferme, le suspend au poinçon au moyen de boulons.
[57] Tas. Lieu du travail des ouvriers sur le bâtiment même.
[58] Boulin. Pièce de bois de chêne qui, engagée d’un bout dans la construction et de l’autre attachée aux échasses, sert à porter les plateaux sur lesquels les ouvriers travaillent, à mesure que s’élève une construction.
[59] Échasse. Pièce de bois de brin, longue et menue, qui, posée verticalement, est employée pour échafauder les constructions à mesure qu’elles s’élèvent.
[60] La méthode d’enseignement de dessin de l’auteur se trouve exposée dans un volume de la Bibliothèque des professions industrielles, commerciales et agricoles.—Comment on devient un dessinateur, 1 vol. in-18, broché, 4 francs.
[61] Crémaillère. Pièce de charpente sur laquelle reposent les bouts des marches d’un escalier et qui est entaillée en manière de ressauts pour les recevoir.
[62] Contre-marche. La face verticale d’une marche.
[63] Solin. Bourrelet disposé au-dessus d’une couverture et suivant son inclinaison le long des maçonneries qui la surmontent, pour empêcher les eaux pluviales de s’introduire entre cette couverture et la maçonnerie.
[64] Battement. Montant vertical d’une porte ou d’une croisée du côté de la fermeture.
[65] Jet-d’eau. Moulure saillante ajoutée à la traverse basse des croisées et à la barre d’appui et disposée pour éloigner les eaux pluviales de la feuillure et de la jonction de la barre d’appui avec la tablette.
[66] Poteau. Pièce de bois verticale qui reçoit à sa tête, une ou plusieurs traverses horizontales. On dit: poteau d’huisserie, pour désigner les pièces de bois verticales d’une cloison et notamment celles qui servent de jambages aux portes. C’est œuvre de menuiserie.
Paris, J. Hetzel, 1887
This eBook is for the use of anyone anywhere at no cost and with almost no restrictions whatsoever. You may copy it, give it away or re-use it under the terms of the Project Gutenberg License included with this eBook or online at www.gutenberg.org
Title: Comment on construit une maison
Author: Eugène-Emmanuel Viollet-le-Duc
Release Date: July 21, 2008 [EBook #26101]
Language: French
*** START OF THIS PROJECT GUTENBERG EBOOK COMMENT ON CONSTRUIT UNE MAISON ***
Produced by Chuck Greif & ebooksgratuits.com produced from images of the Bibliothèque nationale de France (BNF/Gallica) at http://gallica.bnf.fr